0
LM5143
  • LM5143
  • LM5143

LM5143

ACTIVE

3.5-V to 65-V, dual-output, stackable, synchronous buck DC/DC controller with ultra-low IQ

Texas Instruments LM5143 Product Info

1 April 2026 1

Parameters

Rating

Catalog

Topology

Buck

Iout (max) (A)

100

Vin (max) (V)

65

Vin (min) (V)

3.5

Vout (max) (V)

55

Vout (min) (V)

0.6

Control mode

current mode

Features

Adjustable current limit, Enable, Frequency synchronization, Light Load Efficiency, Multiple Outputs, Phase Interleaving, Power good, Pre-Bias Start-Up, Spread Spectrum, Synchronous Rectification, UVLO adjustable

EMI features

Spread Spectrum

Duty cycle (max) (%)

99

Iq (typ) (A)

0.0000165

Number of phases

2

TI functional safety category

Functional Safety-Capable

Operating temperature range (°C)

-40 to 150

Package

VQFN (RHA)-40-36 mm² 6 x 6

Features

  • Functional Safety-Capable
  • Versatile synchronous buck DC/DC controller
    • Wide input voltage range of 3.5 V to 65 V
    • 1% accurate, fixed 3.3-V, 5-V, or adjustable outputs from 0.6 V to 55 V
    • 150°C maximum junction temperature
    • 4-µA typical shutdown mode current
    • 15-µA typical no-load standby current
  • Two interleaved synchronous buck channels
    • Dual channel or single-output multiphase
    • 65-ns tON(min) for high VIN/VOUT ratio
    • 60-ns tOFF(min) for low dropout
  • Inherent protection features for robust design
    • Shunt or inductor DCR current sensing
    • Hiccup mode overcurrent protection
    • Independent ENABLE and PGOOD functions
    • Adjustable output voltage soft start
    • VCC, VDDA, and gate-drive UVLO protection
    • Thermal shutdown protection with hysteresis
  • Optimized for CISPR 11 and CISPR 32 class B conducted and radiatedEMI requirements
    • Slew-rate controlled adaptive gate drivers
    • Spread spectrum reduces peak emissions
  • 100-kHz to 2.2-MHz switching frequency
    • SYNC in and SYNC out capability
    • Selectable diode emulation or FPWM modes
  • 6-mm × 6-mm VQFN-40 package
  • Create a custom design using the LM5143 with WEBENCH Power Designer
  • Functional Safety-Capable
  • Versatile synchronous buck DC/DC controller
    • Wide input voltage range of 3.5 V to 65 V
    • 1% accurate, fixed 3.3-V, 5-V, or adjustable outputs from 0.6 V to 55 V
    • 150°C maximum junction temperature
    • 4-µA typical shutdown mode current
    • 15-µA typical no-load standby current
  • Two interleaved synchronous buck channels
    • Dual channel or single-output multiphase
    • 65-ns tON(min) for high VIN/VOUT ratio
    • 60-ns tOFF(min) for low dropout
  • Inherent protection features for robust design
    • Shunt or inductor DCR current sensing
    • Hiccup mode overcurrent protection
    • Independent ENABLE and PGOOD functions
    • Adjustable output voltage soft start
    • VCC, VDDA, and gate-drive UVLO protection
    • Thermal shutdown protection with hysteresis
  • Optimized for CISPR 11 and CISPR 32 class B conducted and radiatedEMI requirements
    • Slew-rate controlled adaptive gate drivers
    • Spread spectrum reduces peak emissions
  • 100-kHz to 2.2-MHz switching frequency
    • SYNC in and SYNC out capability
    • Selectable diode emulation or FPWM modes
  • 6-mm × 6-mm VQFN-40 package
  • Create a custom design using the LM5143 with WEBENCH Power Designer

Description

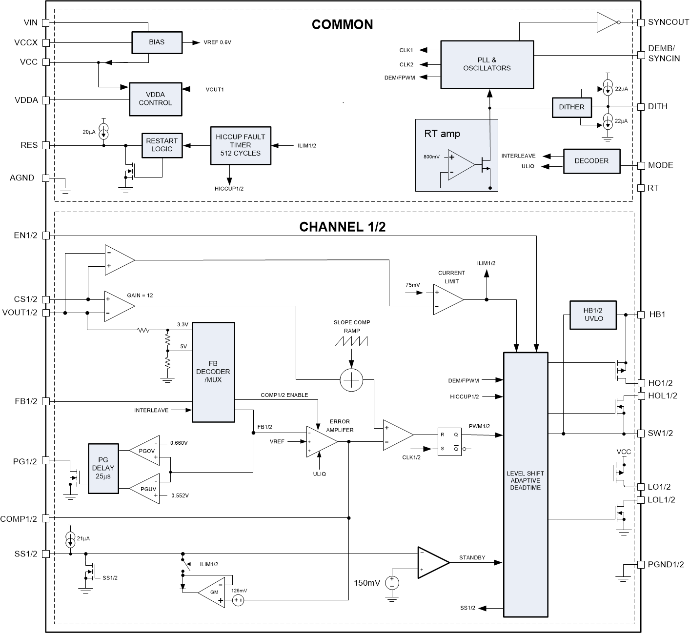
The LM5143 is a 65-V DC/DC synchronous buck controller for high-current single or dual outputs. Deriving from a family of wide-VIN range controllers, the device uses an interleaved, stackable, peak current-mode control architecture for easy loop compensation, fast transient response, excellent load and line regulation, and accurate current sharing with paralleled phases for higher output current. A high-side switch minimum on time of 65 ns provides large step-down ratios, enabling the direct conversion from 12-V, 24-V, or 48-V inputs to low-voltage rails for reduced system complexity and cost. The LM5143 continues to operate during input voltage dips as low as 3.5 V, at nearly 100% duty cycle if needed.

The 15-µA no-load quiescent current with the output voltage in regulation extends operating run-time in battery-powered systems. Power the LM5143 from the output of the switching regulator or another available source for even lower input quiescent current and power loss.

The LM5143 is a 65-V DC/DC synchronous buck controller for high-current single or dual outputs. Deriving from a family of wide-VIN range controllers, the device uses an interleaved, stackable, peak current-mode control architecture for easy loop compensation, fast transient response, excellent load and line regulation, and accurate current sharing with paralleled phases for higher output current. A high-side switch minimum on time of 65 ns provides large step-down ratios, enabling the direct conversion from 12-V, 24-V, or 48-V inputs to low-voltage rails for reduced system complexity and cost. The LM5143 continues to operate during input voltage dips as low as 3.5 V, at nearly 100% duty cycle if needed.

The 15-µA no-load quiescent current with the output voltage in regulation extends operating run-time in battery-powered systems. Power the LM5143 from the output of the switching regulator or another available source for even lower input quiescent current and power loss.

Subscribe to Welllinkchips !
Your Name
* Email
Submit a request