0
LM1881
  • LM1881
  • LM1881
  • LM1881
  • LM1881
  • LM1881

LM1881

ACTIVE

Video Sync Separator

Texas Instruments LM1881 Product Info

1 April 2026 1

Parameters

Function

Sync separator

Supply voltage (V)

5, 12

Power consumption (mW)

25

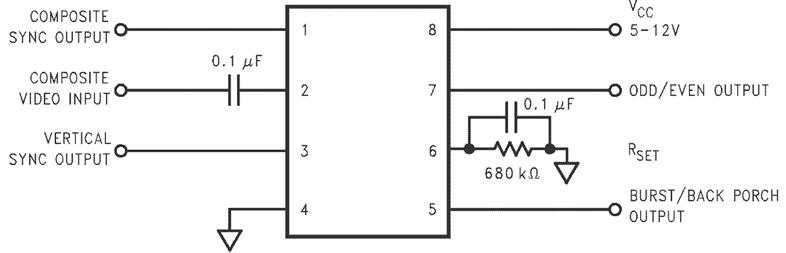
Control interface

Pin

Operating temperature range (°C)

0 to 70

Package

PDIP (P)-8-92.5083 mm² 9.81 x 9.43

Features

  • AC Coupled Composite Input Signal
  • >10-kΩ Input Resistance
  • <10-mA Power Supply Drain Current
  • Composite Sync and Vertical Outputs
  • Odd and Even Field Output
  • Burst Gate or Back Porch Output
  • Horizontal Scan Rates to 150 kHz
  • Edge Triggered Vertical Output
  • Default Triggered Vertical Output for Non-
    Standard Video Signal (Video Games-Home
    Computers)
  • AC Coupled Composite Input Signal
  • >10-kΩ Input Resistance
  • <10-mA Power Supply Drain Current
  • Composite Sync and Vertical Outputs
  • Odd and Even Field Output
  • Burst Gate or Back Porch Output
  • Horizontal Scan Rates to 150 kHz
  • Edge Triggered Vertical Output
  • Default Triggered Vertical Output for Non-
    Standard Video Signal (Video Games-Home
    Computers)

Description

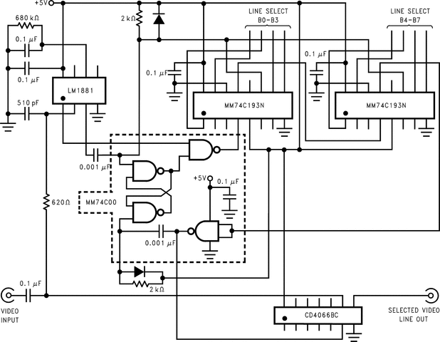
The LM1881 Video sync separator extracts timing information including composite and vertical sync, burst or back porch timing, and odd and even field information from standard negative going sync NTSC, PAL(1) and SECAM video signals with amplitude from 0.5-V to 2-V p-p. The integrated circuit is also capable of providing sync separation for non-standard, faster horizontal rate video signals. The vertical output is produced on the rising edge of the first serration in the vertical sync period. A default vertical output is produced after a time delay if the rising edge mentioned above does not occur within the externally set delay period, such as might be the case for a non-standard video signal.

The LM1881 Video sync separator extracts timing information including composite and vertical sync, burst or back porch timing, and odd and even field information from standard negative going sync NTSC, PAL(1) and SECAM video signals with amplitude from 0.5-V to 2-V p-p. The integrated circuit is also capable of providing sync separation for non-standard, faster horizontal rate video signals. The vertical output is produced on the rising edge of the first serration in the vertical sync period. A default vertical output is produced after a time delay if the rising edge mentioned above does not occur within the externally set delay period, such as might be the case for a non-standard video signal.

Subscribe to Welllinkchips !
Your Name
* Email
Submit a request