0
SN74LVC1G79-Q1
  • SN74LVC1G79-Q1
  • SN74LVC1G79-Q1

SN74LVC1G79-Q1

ACTIVE

Automotive Single Positive-Edge-Triggered D-Type Flip-Flop

Texas Instruments SN74LVC1G79-Q1 Product Info

1 April 2026 1

Parameters

Number of channels

1

Technology family

LVC

Supply voltage (min) (V)

1.65

Supply voltage (max) (V)

5.5

Input type

Standard CMOS

Output type

Push-Pull

Clock frequency (max) (MHz)

150

IOL (max) (mA)

32

IOH (max) (mA)

-32

Supply current (max) (µA)

10

Features

Balanced outputs

Operating temperature range (°C)

-40 to 125

Rating

Automotive

Package

SOT-SC70 (DCK)-5-4.2 mm² 2 x 2.1

Features

  • Qualified for Automotive Applications
  • AEC-Q100 Qualified With the Following Results:
    • ±4000-V Human-Body Model (HBM) ESD Classification Level 3A
    • ±1000-V Charged-Device Model (CDM) ESD Classification Level C5
  • Supports 5-V VCC Operation
  • Inputs Accept Voltages to 5.5 V
  • Supports Down Translation to VCC
  • Max tpd of 6 ns at 3.3 V and 50 pF load
  • Low Power Consumption, 10-µA Max ICC
  • ±24-mA Output Drive at 3.3 V
  • Ioff supports Partial-Power-Down Mode and Back-Drive Protection
  • Qualified for Automotive Applications
  • AEC-Q100 Qualified With the Following Results:
    • ±4000-V Human-Body Model (HBM) ESD Classification Level 3A
    • ±1000-V Charged-Device Model (CDM) ESD Classification Level C5
  • Supports 5-V VCC Operation
  • Inputs Accept Voltages to 5.5 V
  • Supports Down Translation to VCC
  • Max tpd of 6 ns at 3.3 V and 50 pF load
  • Low Power Consumption, 10-µA Max ICC
  • ±24-mA Output Drive at 3.3 V
  • Ioff supports Partial-Power-Down Mode and Back-Drive Protection

Description

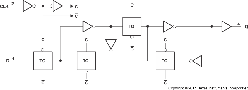
This automotive AEC-Q100 qualified single positive-edge-triggered D-type flip-flop is designed for 1.65-V to 5.5-V VCC operation.

When data at the data (D) input meets the setup time requirement, the data is transferred to the Q output on the positive-going edge of the clock pulse. Clock triggering occurs at a voltage level and is not directly related to the rise time of the clock pulse. Following the hold-time interval, data at the D input can be changed without affecting the level at the output.

This device is fully specified for partial-power-down applications using Ioff. The Ioff circuitry disables the outputs, preventing damaging current backflow through the device when it is powered down.

This automotive AEC-Q100 qualified single positive-edge-triggered D-type flip-flop is designed for 1.65-V to 5.5-V VCC operation.

When data at the data (D) input meets the setup time requirement, the data is transferred to the Q output on the positive-going edge of the clock pulse. Clock triggering occurs at a voltage level and is not directly related to the rise time of the clock pulse. Following the hold-time interval, data at the D input can be changed without affecting the level at the output.

This device is fully specified for partial-power-down applications using Ioff. The Ioff circuitry disables the outputs, preventing damaging current backflow through the device when it is powered down.

Subscribe to Welllinkchips !
Your Name
* Email
Submit a request