0
LM5119
  • LM5119
  • LM5119
  • LM5119
  • LM5119

LM5119

ACTIVE

5.5-65V Wide Vin, Current Mode Dual Synchronous Buck Controller

Texas Instruments LM5119 Product Info

1 April 2026 0

Parameters

Rating

Catalog

Topology

Multiphase

Iout (max) (A)

15

Vin (max) (V)

65

Vin (min) (V)

5.5

Vout (max) (V)

64

Vout (min) (V)

0.8

Control mode

current mode

Features

Adjustable current limit, Enable, Frequency synchronization, Light Load Efficiency, Synchronous Rectification, UVLO adjustable

Duty cycle (max) (%)

98

Iq (typ) (A)

0.006

Number of phases

2

Operating temperature range (°C)

-40 to 125

Package

WQFN (RTV)-32-25 mm² 5 x 5

Features

  • Emulated Peak Current Mode Control
  • Wide Operating Range (5.5 V to 65 V)
  • Easily Configurable for Dual Outputs or Interleaved Single Output
  • Robust 3.3-A Peak Gate Drive
  • Switching Frequency Programmable to 750 kHz
  • Optional Diode Emulation Mode
  • Programmable Output from 0.8 V
  • Precision 1.5% Voltage Reference
  • Programmable Current Limit
  • Hiccup Mode Overload Protection
  • Programmable Soft-Start
  • Programmable Line Undervoltage Lockout
  • Automatic Switch-Over to External Bias Supply
  • Channel2 Enable Logic Input
  • Thermal Shutdown
  • Leadless 32-Pin WQFN Package
  • Emulated Peak Current Mode Control
  • Wide Operating Range (5.5 V to 65 V)
  • Easily Configurable for Dual Outputs or Interleaved Single Output
  • Robust 3.3-A Peak Gate Drive
  • Switching Frequency Programmable to 750 kHz
  • Optional Diode Emulation Mode
  • Programmable Output from 0.8 V
  • Precision 1.5% Voltage Reference
  • Programmable Current Limit
  • Hiccup Mode Overload Protection
  • Programmable Soft-Start
  • Programmable Line Undervoltage Lockout
  • Automatic Switch-Over to External Bias Supply
  • Channel2 Enable Logic Input
  • Thermal Shutdown
  • Leadless 32-Pin WQFN Package

Description

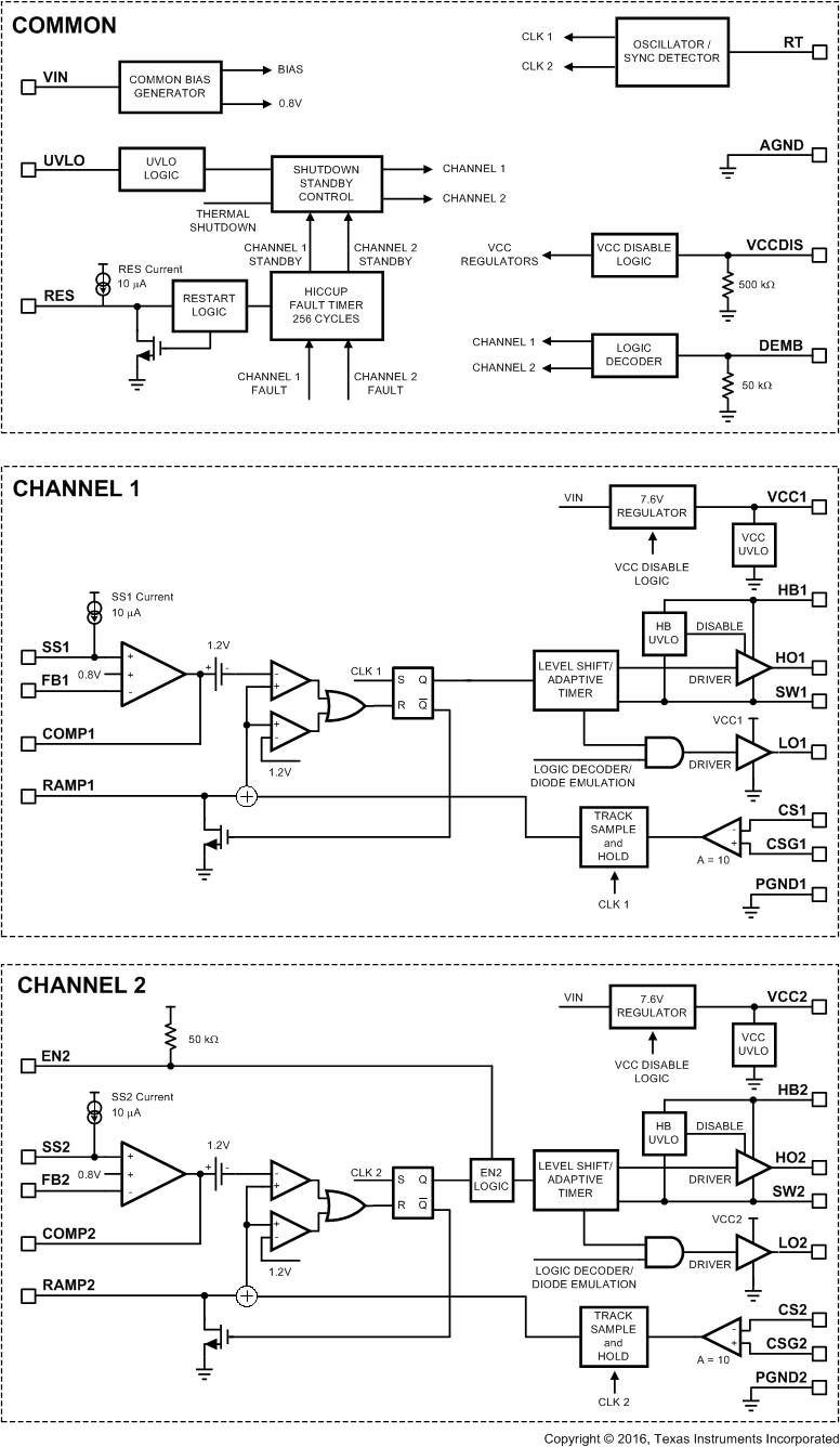
The LM5119 device is a dual synchronous buck controller intended for step-down regulator applications from a high voltage or widely varying input supply. The control method is based upon current mode control using an emulated current ramp. Current mode control provides inherent line feedforward, cycle-by-cycle current limiting and ease-of-loop compensation. The use of an emulated control ramp reduces noise sensitivity of the pulse-width modulation circuit, allowing reliable control of very small duty cycles necessary in high input voltage applications. The switching frequency is programmable from 50 kHz to 750 kHz. The LM5119 device drives external high-side and low-side NMOS power switches with adaptive dead-time control. A user-selectable diode emulation mode enables discontinuous mode operation for improved efficiency at light load conditions. A high voltage bias regulator with automatic switch-over to external bias further improves efficiency. Additional features include thermal shutdown, frequency synchronization, cycle-by-cycle and hiccup mode current limit and adjustable line undervoltage lockout. The device is available in a power enhanced leadless 32-pin WQFN package featuring an exposed die attach pad to aid thermal dissipation.

The LM5119 device is a dual synchronous buck controller intended for step-down regulator applications from a high voltage or widely varying input supply. The control method is based upon current mode control using an emulated current ramp. Current mode control provides inherent line feedforward, cycle-by-cycle current limiting and ease-of-loop compensation. The use of an emulated control ramp reduces noise sensitivity of the pulse-width modulation circuit, allowing reliable control of very small duty cycles necessary in high input voltage applications. The switching frequency is programmable from 50 kHz to 750 kHz. The LM5119 device drives external high-side and low-side NMOS power switches with adaptive dead-time control. A user-selectable diode emulation mode enables discontinuous mode operation for improved efficiency at light load conditions. A high voltage bias regulator with automatic switch-over to external bias further improves efficiency. Additional features include thermal shutdown, frequency synchronization, cycle-by-cycle and hiccup mode current limit and adjustable line undervoltage lockout. The device is available in a power enhanced leadless 32-pin WQFN package featuring an exposed die attach pad to aid thermal dissipation.

Subscribe to Welllinkchips !
Your Name
* Email
Submit a request