0
SN74HC125
  • SN74HC125
  • SN74HC125
  • SN74HC125
  • SN74HC125
  • SN74HC125
  • SN74HC125
  • SN74HC125
  • SN74HC125
  • SN74HC125

SN74HC125

ACTIVE

4-ch, 2-V to 6-V buffers with 3-state outputs

Texas Instruments SN74HC125 Product Info

1 April 2026 0

Parameters

Technology family

HC

Supply voltage (min) (V)

2

Supply voltage (max) (V)

6

Number of channels

4

IOL (max) (mA)

6

Supply current (max) (µA)

80

IOH (max) (mA)

-6

Input type

Standard CMOS

Output type

3-State

Features

Balanced outputs, Input clamp diode, Very high speed (tpd 5-10ns)

Rating

Catalog

Operating temperature range (°C)

-40 to 85

Package

PDIP (N)-14-181.42 mm² 19.3 x 9.4

Features

  • Buffered inputs
  • Wide operating voltage range: 2 V to 6 V
  • Wide operating temperature range: –40°C to +85°C
  • Supports fanout up to 10 LSTTL loads
  • Significant power reduction compared to LSTTL logic ICs
  • Buffered inputs
  • Wide operating voltage range: 2 V to 6 V
  • Wide operating temperature range: –40°C to +85°C
  • Supports fanout up to 10 LSTTL loads
  • Significant power reduction compared to LSTTL logic ICs

Description

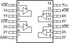
This device contains four independent buffers with 3-state outputs. Each gate performs the Boolean function Y = A in positive logic.

This device contains four independent buffers with 3-state outputs. Each gate performs the Boolean function Y = A in positive logic.

Subscribe to Welllinkchips !
Your Name
* Email
Submit a request