0
SN54SC8T138-SEP
  • SN54SC8T138-SEP
  • SN54SC8T138-SEP

SN54SC8T138-SEP

ACTIVE

Radiation-tolerant 3-line to 8-line decoder/demultiplexer

Texas Instruments SN54SC8T138-SEP Product Info

1 April 2026 0

Parameters

Technology family

SCxT

Number of channels

8

Operating temperature range (°C)

-55 to 125

Rating

Space

Package

TSSOP (PW)-16-32 mm² 5 x 6.4

Features

  • Vendor item drawing available, VID V62/25622-01XE
  • Radiation - Total Ionizing Dose (TID):
    • TID characterized up to 50 krad(Si)
    • TID performance assurance up to 30 krad(Si)
    • Radiation Lot Acceptance Testing (RLAT) for every wafer lot up to 30 krad(Si)
  • Radiation - Single-Event Effects (SEE):
    • Single Event Latch-Up (SEL) immune up to 50 MeV-cm2/mg at 125°C
    • Single Event Transient (SET) characterized up to LET = 50 MeV-cm2/mg
  • Wide operating range of 1.2V to 5.5V

  • Single-supply voltage translator:

    • Up translation:

      • 1.2V to 1.8V

      • 1.5V to 2.5V

      • 1.8V to 3.3V

      • 3.3V to 5.0V

    • Down translation:

      • 5.0V, 3.3V, 2.5V to 1.8V
      • 5.0V, 3.3V to 2.5V
      • 5.0V to 3.3V
  • 5.5V tolerant input pins
  • Supports standard pinouts
  • Up to 150Mbps with 5V or 3.3V VCC
  • Latch-up performance exceeds 250mA per JESD 17
  • Space enhanced plastic:
    • Supports defense and aerospace applications
    • Controlled baseline
    • Au bondwire and NiPdAu lead finish
    • Meets NASA ASTM E595 outgassing specification
    • One fabrication, assembly, and test site
    • Extended product life cycle
    • Product traceability
  • Vendor item drawing available, VID V62/25622-01XE
  • Radiation - Total Ionizing Dose (TID):
    • TID characterized up to 50 krad(Si)
    • TID performance assurance up to 30 krad(Si)
    • Radiation Lot Acceptance Testing (RLAT) for every wafer lot up to 30 krad(Si)
  • Radiation - Single-Event Effects (SEE):
    • Single Event Latch-Up (SEL) immune up to 50 MeV-cm2/mg at 125°C
    • Single Event Transient (SET) characterized up to LET = 50 MeV-cm2/mg
  • Wide operating range of 1.2V to 5.5V

  • Single-supply voltage translator:

    • Up translation:

      • 1.2V to 1.8V

      • 1.5V to 2.5V

      • 1.8V to 3.3V

      • 3.3V to 5.0V

    • Down translation:

      • 5.0V, 3.3V, 2.5V to 1.8V
      • 5.0V, 3.3V to 2.5V
      • 5.0V to 3.3V
  • 5.5V tolerant input pins
  • Supports standard pinouts
  • Up to 150Mbps with 5V or 3.3V VCC
  • Latch-up performance exceeds 250mA per JESD 17
  • Space enhanced plastic:
    • Supports defense and aerospace applications
    • Controlled baseline
    • Au bondwire and NiPdAu lead finish
    • Meets NASA ASTM E595 outgassing specification
    • One fabrication, assembly, and test site
    • Extended product life cycle
    • Product traceability

Description

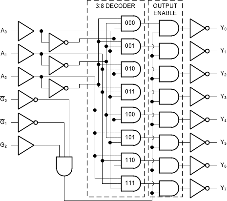
The SN54SC8T138-SEP is a three to eight decoder with one standard output strobe (G2) and two active low output strobes (G1 and G0). When the outputs are gated by any of the strobe inputs, they are all forced into the high state. When the outputs are not disabled by the strobe inputs, only the selected output is low while all others are high. The output level is referenced to the supply voltage (VCC) and supports 1.8V, 2.5V, 3.3V, and 5V CMOS levels.

The input is designed with a lower threshold circuit to support up translation for lower voltage CMOS inputs (for example, 1.2V input to 1.8V output or 1.8V input to 3.3V output). In addition, the 5V tolerant input pins enable down translation (for example, 3.3V to 2.5V output).

The SN54SC8T138-SEP is a three to eight decoder with one standard output strobe (G2) and two active low output strobes (G1 and G0). When the outputs are gated by any of the strobe inputs, they are all forced into the high state. When the outputs are not disabled by the strobe inputs, only the selected output is low while all others are high. The output level is referenced to the supply voltage (VCC) and supports 1.8V, 2.5V, 3.3V, and 5V CMOS levels.

The input is designed with a lower threshold circuit to support up translation for lower voltage CMOS inputs (for example, 1.2V input to 1.8V output or 1.8V input to 3.3V output). In addition, the 5V tolerant input pins enable down translation (for example, 3.3V to 2.5V output).

Subscribe to Welllinkchips !
Your Name
* Email
Submit a request