0
LM5001-Q1
  • LM5001-Q1
  • LM5001-Q1

LM5001-Q1

ACTIVE

3.1-V to 75-V wide VIN, 1-A current mode non-synchronous switch mode regulator

Texas Instruments LM5001-Q1 Product Info

1 April 2026 2

Parameters

Rating

Automotive

Topology

Boost, Flyback, Forward, SEPIC

Vin (max) (V)

75

Vin (min) (V)

3.1

Vout (max) (V)

75

Vout (min) (V)

1.26

Switch current limit (typ) (A)

1

Features

Enable, Frequency synchronization, Nonsynchronous rectification, UVLO adjustable

Operating temperature range (°C)

-40 to 125

Iq (typ) (A)

0.0031

Duty cycle (max) (%)

85

Package

SOIC (D)-8-29.4 mm² 4.9 x 6

Features

  • AEC-Q100 Qualified (TJ = –40°C to 125°C)
  • Integrated 75-V N-Channel MOSFET
  • Ultra-Wide Input Voltage Range from
    3.1 V to 75 V
  • Integrated High Voltage Bias Regulator
  • Adjustable Output Voltage
  • 1.5% Output Voltage Accuracy
  • Current Mode Control with Selectable
    Compensation
  • Wide Bandwidth Error Amplifier
  • Integrated Current Sensing and Limiting
  • Integrated Slope Compensation
  • 85% Maximum Duty Cycle Limit
  • Single Resistor Oscillator Programming
  • Oscillator Synchronization Capability
  • Enable / Undervoltage Lockout (UVLO) Pin
  • Thermal Shutdown
  • AEC-Q100 Qualified (TJ = –40°C to 125°C)
  • Integrated 75-V N-Channel MOSFET
  • Ultra-Wide Input Voltage Range from
    3.1 V to 75 V
  • Integrated High Voltage Bias Regulator
  • Adjustable Output Voltage
  • 1.5% Output Voltage Accuracy
  • Current Mode Control with Selectable
    Compensation
  • Wide Bandwidth Error Amplifier
  • Integrated Current Sensing and Limiting
  • Integrated Slope Compensation
  • 85% Maximum Duty Cycle Limit
  • Single Resistor Oscillator Programming
  • Oscillator Synchronization Capability
  • Enable / Undervoltage Lockout (UVLO) Pin
  • Thermal Shutdown

Description

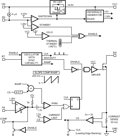
The LM5001 high-voltage switch-mode regulator features all of the functions necessary to implement efficient high-voltage Boost, Flyback, SEPIC and Forward converters, using few external components. This easy-to-use regulator integrates a 75-V N-Channel MOSFET with a 1-A peak current limit. Current mode control provides inherently simple loop compensation and line-voltage feed-forward for superior rejection of input transients. The switching frequency is set with a single resistor and is programmable up to 1.5 MHz. The oscillator can also be synchronized to an external clock. Additional protection features include: current limit, thermal shutdown, undervoltage lockout and remote shutdown capability.

The LM5001 high-voltage switch-mode regulator features all of the functions necessary to implement efficient high-voltage Boost, Flyback, SEPIC and Forward converters, using few external components. This easy-to-use regulator integrates a 75-V N-Channel MOSFET with a 1-A peak current limit. Current mode control provides inherently simple loop compensation and line-voltage feed-forward for superior rejection of input transients. The switching frequency is set with a single resistor and is programmable up to 1.5 MHz. The oscillator can also be synchronized to an external clock. Additional protection features include: current limit, thermal shutdown, undervoltage lockout and remote shutdown capability.

Subscribe to Welllinkchips !
Your Name
* Email
Submit a request