0
TPS92630-Q1
  • TPS92630-Q1
  • TPS92630-Q1
  • TPS92630-Q1

TPS92630-Q1

ACTIVE

Automotive Three-channel Linear LED driver with Analog and PWM dimming

Texas Instruments TPS92630-Q1 Product Info

1 April 2026 1

Parameters

Number of channels

3

Topology

Current Source

Rating

Automotive

Operating temperature range (°C)

-40 to 125

Vin (min) (V)

5

Vin (max) (V)

40

Vout (min) (V)

0

Vout (max) (V)

40

Iout (max) (A)

0.45

Iq (typ) (mA)

0.6

Features

Enable/Shutdown, Fault Detection, Fault Diagnostic, LED Open Detection, LED Short to Ground Detection, LED Shorted Detection, Thermal Foldback, Thermal shutdown

Package

HTSSOP (PWP)-16-32 mm² 5 x 6.4

Features

  • Qualified for Automotive Applications
  • AEC-Q100 Qualified With the Following Results:
    • Device Temperature Grade 1: –40°C to 125°C Ambient Operating Temperature Range
    • Device HBM ESD Classification Level H2
    • Device CDM ESD Classification Level C3B
  • 3-Ch. LED Driver With Analog and PWM Dimming
  • Wide Input-Voltage Range: 5 V–40 V
  • Adjustable Constant Output Current Set by Reference Resistor
    • Max. Current: 150 mA per Channel
    • Max. Current: 450 mA in Parallel Operation Mode
    • Accuracy: ±1.5% per Channel When I(IOUTx) > 30 mA
    • Accuracy: ±2.5% per Device When I(IOUTx) > 30 mA
  • Parallel Outputs for Higher Current Using Multiple ICs or Multiple Channels of a Single IC
  • Low Dropout Voltage
    • Max. Dropout: 400 mV at 60 mA per Channel
    • Max. Dropout: 0.9 V at 150 mA per Channel
  • Independent PWM Dimming per Channel
  • Open and Shorted LED Detection With Deglitch Timer
  • LED-String Voltage Feedback per Channel for Single-LED Short Detection
  • Separate Fault Pin for Single-LED Short Failure
  • Fault Pin for Open, Short, and Thermal Shutdown Failure Reporting, Allowing Parallel Bus Connection up to 15 Devices
  • Device Accommodates a Slow Input-Voltage dV/dt (0.5 V/min) With No Issues
  • Operating Junction Temperature Range –40°C to 150°C
  • Package: 16-Pin Thermally Enhanced PWP Package (HTSSOP)
  • Qualified for Automotive Applications
  • AEC-Q100 Qualified With the Following Results:
    • Device Temperature Grade 1: –40°C to 125°C Ambient Operating Temperature Range
    • Device HBM ESD Classification Level H2
    • Device CDM ESD Classification Level C3B
  • 3-Ch. LED Driver With Analog and PWM Dimming
  • Wide Input-Voltage Range: 5 V–40 V
  • Adjustable Constant Output Current Set by Reference Resistor
    • Max. Current: 150 mA per Channel
    • Max. Current: 450 mA in Parallel Operation Mode
    • Accuracy: ±1.5% per Channel When I(IOUTx) > 30 mA
    • Accuracy: ±2.5% per Device When I(IOUTx) > 30 mA
  • Parallel Outputs for Higher Current Using Multiple ICs or Multiple Channels of a Single IC
  • Low Dropout Voltage
    • Max. Dropout: 400 mV at 60 mA per Channel
    • Max. Dropout: 0.9 V at 150 mA per Channel
  • Independent PWM Dimming per Channel
  • Open and Shorted LED Detection With Deglitch Timer
  • LED-String Voltage Feedback per Channel for Single-LED Short Detection
  • Separate Fault Pin for Single-LED Short Failure
  • Fault Pin for Open, Short, and Thermal Shutdown Failure Reporting, Allowing Parallel Bus Connection up to 15 Devices
  • Device Accommodates a Slow Input-Voltage dV/dt (0.5 V/min) With No Issues
  • Operating Junction Temperature Range –40°C to 150°C
  • Package: 16-Pin Thermally Enhanced PWP Package (HTSSOP)

Description

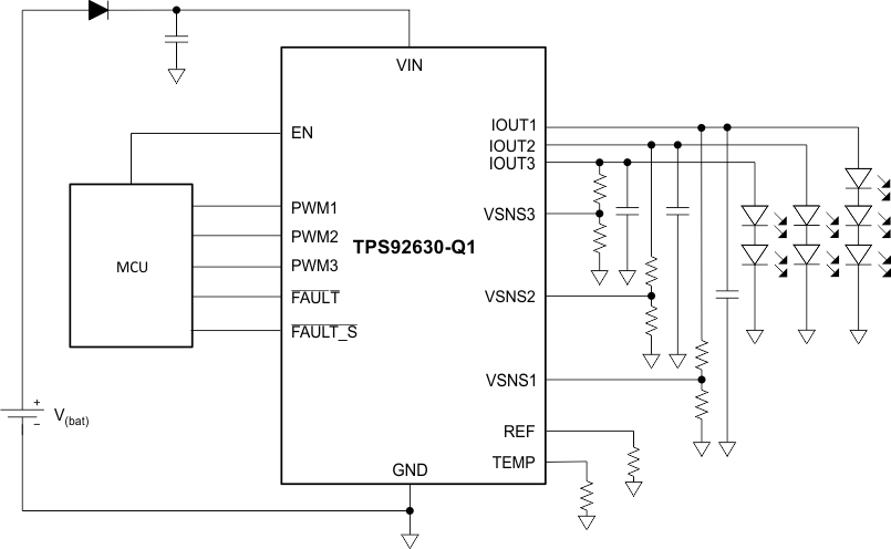
The TPS92630-Q1 device is a three-channel linear LED driver with analog and PWM dimming control. Its full-diagnostic and built-in protection capabilities make it a suitable choice for variable-intensity LED lighting applications up to the medium-power range.

The design of this device suits it well for driving LEDs configured as a single string or multiple strings within its power capability. A single device can drive up to three strings with one to three LEDs in each string at a total current of up to 150 mA per channel. Outputs can be paralleled to provide higher current drive capability to 450 mA.

In multiple-string applications, the device offers the advantage of having common-cathode connection of the LED strings. So, the application needs only a single return wire instead of one return wire per LED string that a system with low-side current sense would need.

A single-LED-short comparator allows detection of single LED failing with a short circuit. Fault output can support bus connection topology between multiple devices.

The included temperature monitor reduces the LED drive current if the device junction temperature exceeds a thermal threshold. One can program the temperature threshold through an external resistor. One can disable the thermal current-monitor feature by connecting the TEMP pin to ground. Output of the junction temperature as an analog voltage is available as a factory program option.

The TPS92630-Q1 device is a three-channel linear LED driver with analog and PWM dimming control. Its full-diagnostic and built-in protection capabilities make it a suitable choice for variable-intensity LED lighting applications up to the medium-power range.

The design of this device suits it well for driving LEDs configured as a single string or multiple strings within its power capability. A single device can drive up to three strings with one to three LEDs in each string at a total current of up to 150 mA per channel. Outputs can be paralleled to provide higher current drive capability to 450 mA.

In multiple-string applications, the device offers the advantage of having common-cathode connection of the LED strings. So, the application needs only a single return wire instead of one return wire per LED string that a system with low-side current sense would need.

A single-LED-short comparator allows detection of single LED failing with a short circuit. Fault output can support bus connection topology between multiple devices.

The included temperature monitor reduces the LED drive current if the device junction temperature exceeds a thermal threshold. One can program the temperature threshold through an external resistor. One can disable the thermal current-monitor feature by connecting the TEMP pin to ground. Output of the junction temperature as an analog voltage is available as a factory program option.

Subscribe to Welllinkchips !
Your Name
* Email
Submit a request