0
TPS2561-Q1
  • TPS2561-Q1
  • TPS2561-Q1

TPS2561-Q1

ACTIVE

Automotive 2-ch, 0.25-2.8A adj. ILIMIT, 2.5-6.5V, 44mΩ USB power switch, active-high

Texas Instruments TPS2561-Q1 Product Info

1 April 2026 1

Parameters

Product type

Adjustable current limit, Power switch

Rating

Automotive

Continuous current (max) (A)

2.5

Current limit (A)

0.25 to 2.5

Number of switches

2

Enable

Active High

Vin (max) (V)

6.5

Vin (min) (V)

2.5

Operating temperature range (°C)

-40 to 125

Current limit accuracy at 1 A

7.5% (2590mA min / 3005mA max)

Package

VSON (DRC)-10-9 mm² 3 x 3

Features

  • Qualified for Automotive Applications
  • Two Separate Current Limiting Channels
  • Meets USB Current-Limiting Requirements
  • Adjustable Current Limit, 250 mA–2.8 A (typ)
  • ± 7.5% Current-Limit Accuracy at 2.8 A
  • Fast Overcurrent Response - 3.5-µS (typ)
  • Two 44-mΩ High-Side MOSFETs
  • Operating Range: 2.5 V to 6.5 V
  • 2-µA Maximum Standby Supply Current
  • Built-in Soft-Start
  • 15 kV or 8 kV System-Level ESD Capable
  • UL Listed – File No. E169910
  • CB and Nemko Certified

  • Qualified for Automotive Applications
  • Two Separate Current Limiting Channels
  • Meets USB Current-Limiting Requirements
  • Adjustable Current Limit, 250 mA–2.8 A (typ)
  • ± 7.5% Current-Limit Accuracy at 2.8 A
  • Fast Overcurrent Response - 3.5-µS (typ)
  • Two 44-mΩ High-Side MOSFETs
  • Operating Range: 2.5 V to 6.5 V
  • 2-µA Maximum Standby Supply Current
  • Built-in Soft-Start
  • 15 kV or 8 kV System-Level ESD Capable
  • UL Listed – File No. E169910
  • CB and Nemko Certified

Description

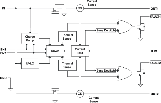
The TPS2561-Q1 is a dual-channel power-distribution switch intended for applications where precision current limiting is required or heavy capacitive loads and short circuits are encountered. These devices offer a programmable current-limit threshold between 250 mA and 2.8 A (typ) per channel through an external resistor. The power-switch rise and fall times are controlled to minimize current surges during turn on or off.

Each channel of the TPS2561-Q1 device limits the output current to a safe level by switching into a constant-current mode when the output load exceeds the current-limit threshold. The FAULTx logic output for each channel independently asserts low during overcurrent and over temperature conditions.

The TPS2561-Q1 is a dual-channel power-distribution switch intended for applications where precision current limiting is required or heavy capacitive loads and short circuits are encountered. These devices offer a programmable current-limit threshold between 250 mA and 2.8 A (typ) per channel through an external resistor. The power-switch rise and fall times are controlled to minimize current surges during turn on or off.

Each channel of the TPS2561-Q1 device limits the output current to a safe level by switching into a constant-current mode when the output load exceeds the current-limit threshold. The FAULTx logic output for each channel independently asserts low during overcurrent and over temperature conditions.