0
LM3940
  • LM3940
  • LM3940
  • LM3940
  • LM3940
  • LM3940
  • LM3940

LM3940

ACTIVE

1-A, low-dropout voltage regulator for 5-V to 3.3-V conversion

Texas Instruments LM3940 Product Info

1 April 2026 0

Parameters

Rating

Catalog

Vin (max) (V)

5.5

Vin (min) (V)

4.5

Iout (max) (A)

1

Output options

Fixed Output

Vout (max) (V)

3.3

Vout (min) (V)

3.3

Fixed output options (V)

3.3

Noise (µVrms)

150

PSRR at 100 KHz (dB)

32

Iq (typ) (mA)

0.11

Thermal resistance θJA (°C/W)

23, 40.9, 59.3

Load capacitance (min) (µF)

33

Regulated outputs (#)

1

Accuracy (%)

2.5

Dropout voltage (Vdo) (typ) (mV)

310

Operating temperature range (°C)

-40 to 125

Package

SOT-223 (DCY)-4-45.5 mm² 6.5 x 7

Features

  • Input Voltage Range: 4.5 V to 5.5 V
  • Output Voltage Specified over Temperature
  • Excellent Load Regulation
  • Specified 1-A Output Current
  • Requires only One External Component
  • Built-in Protection against Excess Temperature
  • Short-Circuit Protected
  • Input Voltage Range: 4.5 V to 5.5 V
  • Output Voltage Specified over Temperature
  • Excellent Load Regulation
  • Specified 1-A Output Current
  • Requires only One External Component
  • Built-in Protection against Excess Temperature
  • Short-Circuit Protected

Description

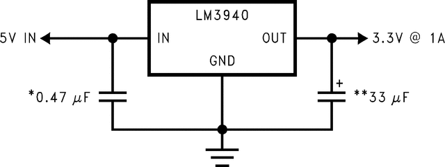
The LM3940 is a 1-A low-dropout regulator designed to provide 3.3 V from a 5-V supply.

The LM3940 is ideally suited for systems which contain both 5-V and 3.3-V logic, with prime power provided from a 5-V bus.

Because the LM3940 is a true low dropout regulator, it can hold its 3.3-V output in regulation with input voltages as low as 4.5 V.

The TO-220 package of the LM3940 means that in most applications the full 1 A of load current can be delivered without using an additional heatsink.

The surface mount DDPAK/TO-263 package uses minimum board space, and gives excellent power dissipation capability when soldered to a copper plane on the PC board.

The LM3940 is a 1-A low-dropout regulator designed to provide 3.3 V from a 5-V supply.

The LM3940 is ideally suited for systems which contain both 5-V and 3.3-V logic, with prime power provided from a 5-V bus.

Because the LM3940 is a true low dropout regulator, it can hold its 3.3-V output in regulation with input voltages as low as 4.5 V.

The TO-220 package of the LM3940 means that in most applications the full 1 A of load current can be delivered without using an additional heatsink.

The surface mount DDPAK/TO-263 package uses minimum board space, and gives excellent power dissipation capability when soldered to a copper plane on the PC board.

Subscribe to Welllinkchips !
Your Name
* Email
Submit a request