0
BQ25071-Q1
  • BQ25071-Q1
  • BQ25071-Q1

BQ25071-Q1

ACTIVE

Automotive 1-cell, 1-A, LiFePO4 linear battery charger

Texas Instruments BQ25071-Q1 Product Info

1 April 2026 0

Parameters

Rating

Automotive

Number of series cells

1

Cell chemistry

Lithium Phosphate/LiFePO4

Charge current (max) (A)

1

Features

IC thermal regulation, Input OVP

Vin (min) (V)

3.75

Vin (max) (V)

8

Absolute max Vin (max) (V)

30

Control topology

Linear

Battery charge voltage (min) (V)

3.5

Battery charge voltage (max) (V)

3.5

Control interface

Standalone (RC-Settable)

Operating temperature range (°C)

-40 to 125

Package

WSON (DQC)-10-6 mm² 3 x 2

Features

  • Qualified for Automotive Applications
  • AEC-Q100 Qualified With the Following Results:
    • Device Temperature Grade 1: –40°C to 125°C
      Ambient Operating Temperature Range
    • Device HBM ESD Classification Level H2
    • Device CDM ESD Classification Level C5
  • Single Cell LiFePO4 Charging Algorithm
  • 30-V Input Rating, With 10.5-V Overvoltage
    Protection (OVP)
  • 50-mA Integrated Low Dropout Linear Regulator
    (LDO)
  • Programmable Charge Current Through ISET and
    EN Terminals
  • Thermal Regulation and Protection
  • Soft-Start Feature to Reduce Inrush Current
  • Battery NTC Monitoring
  • Charging Status Indication
  • 10-Pin SON (2mm x 3mm) Package with Wettable
    Flanks
  • Qualified for Automotive Applications
  • AEC-Q100 Qualified With the Following Results:
    • Device Temperature Grade 1: –40°C to 125°C
      Ambient Operating Temperature Range
    • Device HBM ESD Classification Level H2
    • Device CDM ESD Classification Level C5
  • Single Cell LiFePO4 Charging Algorithm
  • 30-V Input Rating, With 10.5-V Overvoltage
    Protection (OVP)
  • 50-mA Integrated Low Dropout Linear Regulator
    (LDO)
  • Programmable Charge Current Through ISET and
    EN Terminals
  • Thermal Regulation and Protection
  • Soft-Start Feature to Reduce Inrush Current
  • Battery NTC Monitoring
  • Charging Status Indication
  • 10-Pin SON (2mm x 3mm) Package with Wettable
    Flanks

Description

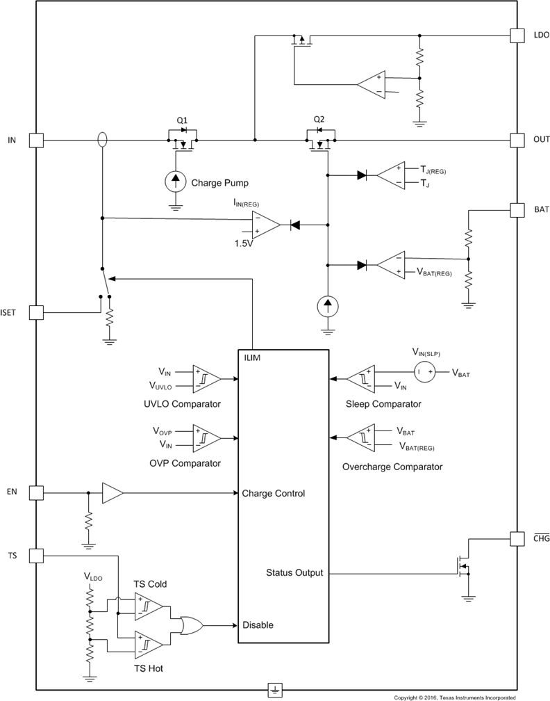
The bq25071-Q1 is a highly integrated, linear, LiFePO4 battery charger targeted at space-limited automotive applications. It accepts power from either a USB port or AC adapter and charges a single-cell LiFePO4 battery with up to 1 A of charge current. The 30-V input rating supports low-cost unregulated adapters.

The bq25071-Q1 has a single power output that simultaneously charges the battery and powers the system. The input current is programmable from 100 mA up to 1 A using the ISET input or configurable for USB500. There is also a 4.9 V ±10% 50 mA LDO integrated into the IC for supplying low power external circuitry.

The LiFePO4 charging algorithm removes the current taper typically seen as part of the constant voltage mode control used in Li-Ion battery charge cycles which reduces charge time significantly. Instead, the battery is fast charged to the overcharge voltage and then allowed to relax to a lower float charge voltage threshold. The charger integrates the power stage with the charge current and voltage sense to achieve a high level of accuracy in the current and voltage regulation loops. An internal control loop monitors the IC junction temperature through the charge cycle and reduces the charge current if an internal temperature threshold is exceeded.

The bq25071-Q1 is a highly integrated, linear, LiFePO4 battery charger targeted at space-limited automotive applications. It accepts power from either a USB port or AC adapter and charges a single-cell LiFePO4 battery with up to 1 A of charge current. The 30-V input rating supports low-cost unregulated adapters.

The bq25071-Q1 has a single power output that simultaneously charges the battery and powers the system. The input current is programmable from 100 mA up to 1 A using the ISET input or configurable for USB500. There is also a 4.9 V ±10% 50 mA LDO integrated into the IC for supplying low power external circuitry.

The LiFePO4 charging algorithm removes the current taper typically seen as part of the constant voltage mode control used in Li-Ion battery charge cycles which reduces charge time significantly. Instead, the battery is fast charged to the overcharge voltage and then allowed to relax to a lower float charge voltage threshold. The charger integrates the power stage with the charge current and voltage sense to achieve a high level of accuracy in the current and voltage regulation loops. An internal control loop monitors the IC junction temperature through the charge cycle and reduces the charge current if an internal temperature threshold is exceeded.

Subscribe to Welllinkchips !
Your Name
* Email
Submit a request