0
THVD2412V
  • THVD2412V
  • THVD2412V
  • THVD2412V

THVD2412V

ACTIVE

3V to 5.5V, 1Mbps full-duplex RS-485 transceiver with flexible IO and 70V protected bus-fault

Texas Instruments THVD2412V Product Info

1 April 2026 1

Parameters

Number of receivers

1

Number of transmitters

1

Duplex

Full

Supply voltage (nom) (V)

3.3, 5

Signaling rate (max) (Mbps)

1

IEC 61000-4-2 contact (±V)

8000

Fault protection (V)

-70 to 70

Common-mode range (V)

-25 to 25

Number of nodes

256

Features

1.65-V I/O supply, Extended common mode, Fault protection, IEC ESD protection, PROFIBUS

Isolated

No

Supply current (max) (µA)

5600

Rating

Catalog

Operating temperature range (°C)

-40 to 125

Package

SOIC (D)-14-51.9 mm² 8.65 x 6

Features

  • Meets or exceeds the requirements of the TIA/EIA-485A and TIA/EIA-422B standards
  • 3V to 5.5V RS-485 supply voltage
  • Differential output exceeds 2.1V for PROFIBUS compatibility with 5V supply
  • 1.65V to 5.5V Supply for logic signal interface
  • SLR Pin Selectable Data Rates:
    • THVD2410V, THVD2412V: 250kbps and 1Mbps
    • THVD2450V, THVD2452V: 20Mbps and 50Mbps
  • Bus I/O protection
    • ±70V DC bus fault
    • ±16kV HBM ESD
    • Half duplex devices: ±15kV IEC 61000-4-2 contact and air-gap discharge
    • Full duplex devices: ±8kV IEC 61000-4-2 contact and air-gap discharge
    • ±4kV IEC 61000-4-4 fast transient burst
  • Half-duplex and Full-Duplex devices available in two speed grades
  • Extended ambient temperature range: -40°C to 125°C
  • Extended operational common-mode range: ±25V
  • Enhanced receiver hysteresis for noise immunity
  • Low power consumption
    • Low shutdown supply current: < 5µA
    • Quiescent current during operation: < 5.3mA
  • Glitch-free power-up/down for hot plug-in capability
  • Open, short, and idle bus failsafe
  • Thermal shutdown
  • 1/8 unit load (up to 256 bus nodes) in -7V to 12V common mode range
  • Small 3mm x 3mm VSON package to save board space, or 14-SOIC for drop-in compatibility
  • Meets or exceeds the requirements of the TIA/EIA-485A and TIA/EIA-422B standards
  • 3V to 5.5V RS-485 supply voltage
  • Differential output exceeds 2.1V for PROFIBUS compatibility with 5V supply
  • 1.65V to 5.5V Supply for logic signal interface
  • SLR Pin Selectable Data Rates:
    • THVD2410V, THVD2412V: 250kbps and 1Mbps
    • THVD2450V, THVD2452V: 20Mbps and 50Mbps
  • Bus I/O protection
    • ±70V DC bus fault
    • ±16kV HBM ESD
    • Half duplex devices: ±15kV IEC 61000-4-2 contact and air-gap discharge
    • Full duplex devices: ±8kV IEC 61000-4-2 contact and air-gap discharge
    • ±4kV IEC 61000-4-4 fast transient burst
  • Half-duplex and Full-Duplex devices available in two speed grades
  • Extended ambient temperature range: -40°C to 125°C
  • Extended operational common-mode range: ±25V
  • Enhanced receiver hysteresis for noise immunity
  • Low power consumption
    • Low shutdown supply current: < 5µA
    • Quiescent current during operation: < 5.3mA
  • Glitch-free power-up/down for hot plug-in capability
  • Open, short, and idle bus failsafe
  • Thermal shutdown
  • 1/8 unit load (up to 256 bus nodes) in -7V to 12V common mode range
  • Small 3mm x 3mm VSON package to save board space, or 14-SOIC for drop-in compatibility

Description

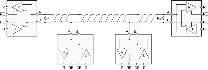
THVD24xxV are ±70V fault-protected, half and full-duplex RS-422/RS-485 transceivers using a 1.65V to 5.5V supply for logic signal interface, and a 3V to 5.5V bus side supply. These devices have slew rate select feature that enables them to be used at two maximum speeds based on the SLR pin setting.

These devices feature integrated IEC ESD protection, eliminating the need for external system-level protection components. Extended ±25V input common-mode range makes reliable data communication over longer cable run lengths and/or in the presence of large ground loop voltages. Enhanced 250-mV receiver hysteresis provides high noise rejection. In addition, the receiver fail-safe feature makes sure of a logic high when the inputs are open or shorted together.

THVD24xxV are ±70V fault-protected, half and full-duplex RS-422/RS-485 transceivers using a 1.65V to 5.5V supply for logic signal interface, and a 3V to 5.5V bus side supply. These devices have slew rate select feature that enables them to be used at two maximum speeds based on the SLR pin setting.

These devices feature integrated IEC ESD protection, eliminating the need for external system-level protection components. Extended ±25V input common-mode range makes reliable data communication over longer cable run lengths and/or in the presence of large ground loop voltages. Enhanced 250-mV receiver hysteresis provides high noise rejection. In addition, the receiver fail-safe feature makes sure of a logic high when the inputs are open or shorted together.

Subscribe to Welllinkchips !
Your Name
* Email
Submit a request