0
LM2830-Q1
  • LM2830-Q1
  • LM2830-Q1
  • LM2830-Q1
  • LM2830-Q1

LM2830-Q1

ACTIVE

High frequency 1 A automotive step-down DC/DC converter

Texas Instruments LM2830-Q1 Product Info

1 April 2026 0

Parameters

Rating

Automotive

Topology

Buck

Iout (max) (A)

1

Vin (max) (V)

5.5

Vin (min) (V)

3

Vout (max) (V)

4.5

Vout (min) (V)

0.6

Features

Enable, Light load efficiency

Control mode

current mode

Operating temperature range (°C)

-40 to 125

Iq (typ) (A)

0.0033

Duty cycle (max) (%)

94

Package

SOT-23 (DBV)-5-8.12 mm² 2.9 x 2.8

Features

  • LM2830Z-Q1 and LM2830X-Q1 in the
    SOT-23 Package are Automotive-Grade
    Products thatare AEC-Q100 Grade 1
    Qualified (–40°C to +125°C Operating
    Junction Temperature)
  • Space-Saving SOT-23 Package
  • Input Voltage Range of 3.0 V to 5.5 V
  • Output Voltage Range of 0.6 V to 4.5 V
  • 1.0-A Output Current
  • High Switching Frequencies
    • 1.6 MHz (LM2830X)
    • 3.0 MHz (LM2830Z)
  • 130-mΩ PMOS Switch
  • 0.6-V, 2% Internal Voltage Reference
  • Internal Soft-Start
  • Current Mode, PWM Operation
  • Thermal Shutdown
  • Overvoltage Protection
  • LM2830Z-Q1 and LM2830X-Q1 in the
    SOT-23 Package are Automotive-Grade
    Products thatare AEC-Q100 Grade 1
    Qualified (–40°C to +125°C Operating
    Junction Temperature)
  • Space-Saving SOT-23 Package
  • Input Voltage Range of 3.0 V to 5.5 V
  • Output Voltage Range of 0.6 V to 4.5 V
  • 1.0-A Output Current
  • High Switching Frequencies
    • 1.6 MHz (LM2830X)
    • 3.0 MHz (LM2830Z)
  • 130-mΩ PMOS Switch
  • 0.6-V, 2% Internal Voltage Reference
  • Internal Soft-Start
  • Current Mode, PWM Operation
  • Thermal Shutdown
  • Overvoltage Protection

Description

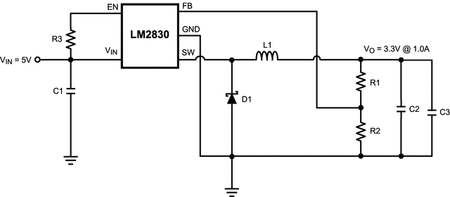
The LM2830 regulator is a monolithic, high-frequency, PWM step-down DC-DC converter in a 5-pin SOT-23 and a 6-Pin WSON package. The device provides all the active functions to provide local DC-DC conversion with fast transient response and accurate regulation in the smallest possible PCB area. With a minimum of external components, the LM2830 regulator is easy to use. The ability to drive 1.0-A loads with an internal 130-mΩ PMOS switch using state-of-the-art 0.5-µm BiCMOS technology results in the best power density available. The world-class control circuitry allows on-times as low as 30 ns, thus supporting exceptionally high frequency conversion over the entire 3-V to 5.5-V input operating range down to the minimum output voltage of 0.6 V. Switching frequency is internally set to 1.6 MHz, or 3.0 MHz, allowing the use of extremely small surface-mount inductors and chip capacitors. Even though the operating frequency is high, efficiencies up to 93% are easy to achieve. External shutdown is included, featuring an ultra-low standby current of 30 nA. The LM2830 regulator uses current-mode control and internal compensation to provide high-performance regulation over a wide range of operating conditions. Additional features include internal soft-start circuitry to reduce inrush current, pulse-by-pulse current limit, thermal shutdown, and output overvoltage protection.

The LM2830 regulator is a monolithic, high-frequency, PWM step-down DC-DC converter in a 5-pin SOT-23 and a 6-Pin WSON package. The device provides all the active functions to provide local DC-DC conversion with fast transient response and accurate regulation in the smallest possible PCB area. With a minimum of external components, the LM2830 regulator is easy to use. The ability to drive 1.0-A loads with an internal 130-mΩ PMOS switch using state-of-the-art 0.5-µm BiCMOS technology results in the best power density available. The world-class control circuitry allows on-times as low as 30 ns, thus supporting exceptionally high frequency conversion over the entire 3-V to 5.5-V input operating range down to the minimum output voltage of 0.6 V. Switching frequency is internally set to 1.6 MHz, or 3.0 MHz, allowing the use of extremely small surface-mount inductors and chip capacitors. Even though the operating frequency is high, efficiencies up to 93% are easy to achieve. External shutdown is included, featuring an ultra-low standby current of 30 nA. The LM2830 regulator uses current-mode control and internal compensation to provide high-performance regulation over a wide range of operating conditions. Additional features include internal soft-start circuitry to reduce inrush current, pulse-by-pulse current limit, thermal shutdown, and output overvoltage protection.

Subscribe to Welllinkchips !
Your Name
* Email
Submit a request