0
LM2642
  • LM2642
  • LM2642
  • LM2642
  • LM2642

LM2642

ACTIVE

4.5-V to 30-V, two-phase peak current mode synchronous buck controller

Texas Instruments LM2642 Product Info

1 April 2026 1

Parameters

Rating

Catalog

Topology

Buck

Iout (max) (A)

6

Vin (max) (V)

30

Vin (min) (V)

4.5

Vout (max) (V)

27

Vout (min) (V)

1.238

Control mode

current mode

Features

Adjustable current limit, Enable, Phase Interleaving, Power good, Synchronous rectification

Duty cycle (max) (%)

98

Iq (typ) (A)

0.001

Number of phases

2

Operating temperature range (°C)

-40 to 125

Package

TSSOP (PW)-28-62.08 mm² 9.7 x 6.4

Features

  • Two Synchronous Buck Regulators
  • 180° Out of Phase Operation
  • 4.5V to 30V Input Range
  • Power Good Function Monitors Ch.1
  • 37µA Shutdown Current
  • 0.04% (typical) Line and Load Regulation Error
  • Current Mode Control With or Without a Sense Resistor
  • Independent Enable/Soft-start Pins Allow Simple Sequential Startup Configuration.
  • Configurable for Single Output Parallel Operation.
  • Adjustable Cycle-by-Cycle Current Limit
  • Input Under-voltage Lockout
  • Output Over-voltage Latch Protection
  • Output Under-voltage Protection with Delay
  • Thermal Shutdown
  • Self Discharge of Output Capacitors When the Regulator is OFF
  • TSSOP package

All trademarks are the property of their respective owners.

  • Two Synchronous Buck Regulators
  • 180° Out of Phase Operation
  • 4.5V to 30V Input Range
  • Power Good Function Monitors Ch.1
  • 37µA Shutdown Current
  • 0.04% (typical) Line and Load Regulation Error
  • Current Mode Control With or Without a Sense Resistor
  • Independent Enable/Soft-start Pins Allow Simple Sequential Startup Configuration.
  • Configurable for Single Output Parallel Operation.
  • Adjustable Cycle-by-Cycle Current Limit
  • Input Under-voltage Lockout
  • Output Over-voltage Latch Protection
  • Output Under-voltage Protection with Delay
  • Thermal Shutdown
  • Self Discharge of Output Capacitors When the Regulator is OFF
  • TSSOP package

All trademarks are the property of their respective owners.

Description

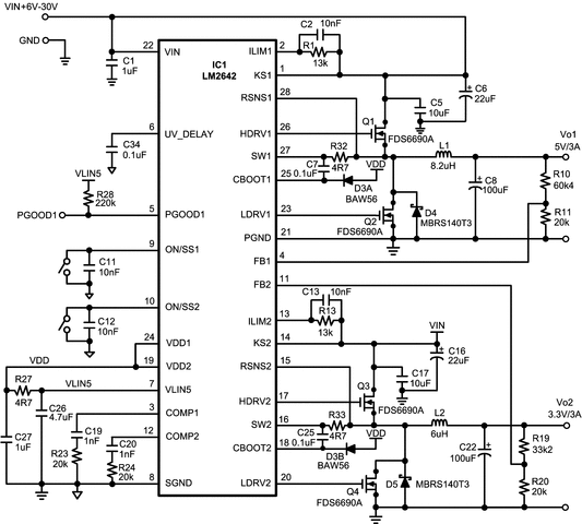
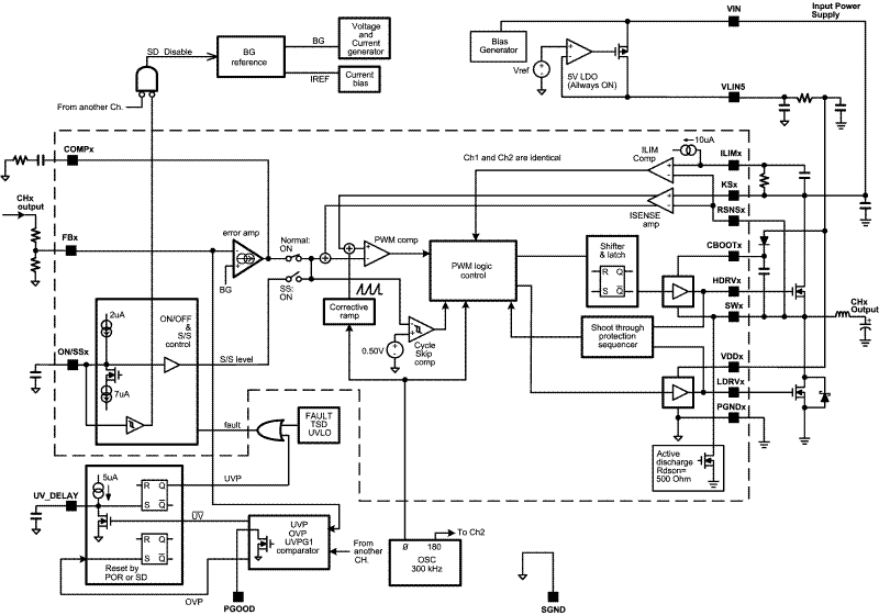
The LM2642 consists of two current mode synchronous buck regulator controllers with a switching frequency of 300kHz.

The two switching regulator controllers operate 180° out of phase. This feature reduces the input ripple RMS current, thereby significantly reducing the required input capacitance. The two switching regulator outputs can also be paralleled to operate as a dual-phase single output regulator.

The output of each channel can be independently adjusted from 1.3 to VIN• maximum duty cycle. An internal 5V rail is also available externally for driving bootstrap circuitry.

Current-mode feedback control assures excellent line and load regulation and a wide loop bandwidth for excellent response to fast load transients. Current is sensed across either the Vds of the top FET or across an external current-sense resistor connected in series with the drain of the top FET. Current limit is independently adjustable for each channel.

The LM2642 features analog soft-start circuitry that is independent of the output load and output capacitance. This makes the soft-start behavior more predictable and controllable than traditional soft-start circuits.

A PGOOD1 pin is provided to monitor the dc output of channel 1. Over-voltage protection is available for both outputs. A UV-Delay pin is also available to allow delayed shut off time for the IC during an output under-voltage event.

The LM2642 consists of two current mode synchronous buck regulator controllers with a switching frequency of 300kHz.

The two switching regulator controllers operate 180° out of phase. This feature reduces the input ripple RMS current, thereby significantly reducing the required input capacitance. The two switching regulator outputs can also be paralleled to operate as a dual-phase single output regulator.

The output of each channel can be independently adjusted from 1.3 to VIN• maximum duty cycle. An internal 5V rail is also available externally for driving bootstrap circuitry.

Current-mode feedback control assures excellent line and load regulation and a wide loop bandwidth for excellent response to fast load transients. Current is sensed across either the Vds of the top FET or across an external current-sense resistor connected in series with the drain of the top FET. Current limit is independently adjustable for each channel.

The LM2642 features analog soft-start circuitry that is independent of the output load and output capacitance. This makes the soft-start behavior more predictable and controllable than traditional soft-start circuits.

A PGOOD1 pin is provided to monitor the dc output of channel 1. Over-voltage protection is available for both outputs. A UV-Delay pin is also available to allow delayed shut off time for the IC during an output under-voltage event.

Subscribe to Welllinkchips !
Your Name
* Email
Submit a request