0
LM2640
  • LM2640
  • LM2640
  • LM2640
  • LM2640

LM2640

ACTIVE

5.5-V to 30-V, 200-kHz, synchronous D-CAP2 mode dual-buck controller with LDO Key Specifications Key Specifications

Texas Instruments LM2640 Product Info

1 April 2026 0

Parameters

Rating

Catalog

Topology

Buck

Iout (max) (A)

5

Vin (max) (V)

30

Vin (min) (V)

5.5

Vout (max) (V)

6

Vout (min) (V)

2.2

Control mode

D-CAP2, current mode

Features

Enable, Frequency synchronization, Light-load efficiency

Duty cycle (max) (%)

98

Iq (typ) (A)

0.0006

Number of phases

2

Operating temperature range (°C)

0 to 125

Package

TSSOP (PW)-28-62.08 mm² 9.7 x 6.4

Features

  • 200 kHz Fixed-Frequency Switching
  • Switching Synchronization with an External Signal up to 400 kHz
  • Optional Pulse-Skipping Mode
  • Adjustable Secondary Feedback
  • Input Undervoltage Lockout
  • Output Undervoltage Shutdown Protection
  • Output Overvoltage Shutdown Protection
  • Programmable Soft-Start (Each Controller)
  • 5V, 50 mA Linear Regulator Output
  • Precision 2.5V Reference Output
  • 28-Pin Package

Key Specifications

  • 96% Efficient
  • 5.5V to 30V Input Range
  • Dual Outputs Adjustable from 2.2V to 6V
  • 0.5% Typical Load Regulation Error
  • 0.002%/V Typical Line Regulation Error

All trademarks are the property of their respective owners.

  • 200 kHz Fixed-Frequency Switching
  • Switching Synchronization with an External Signal up to 400 kHz
  • Optional Pulse-Skipping Mode
  • Adjustable Secondary Feedback
  • Input Undervoltage Lockout
  • Output Undervoltage Shutdown Protection
  • Output Overvoltage Shutdown Protection
  • Programmable Soft-Start (Each Controller)
  • 5V, 50 mA Linear Regulator Output
  • Precision 2.5V Reference Output
  • 28-Pin Package

Key Specifications

  • 96% Efficient
  • 5.5V to 30V Input Range
  • Dual Outputs Adjustable from 2.2V to 6V
  • 0.5% Typical Load Regulation Error
  • 0.002%/V Typical Line Regulation Error

All trademarks are the property of their respective owners.

Description

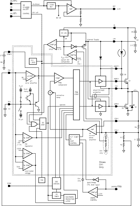
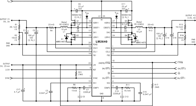
The LM2640 is a dual step-down power supply controller intended for application in notebook personal computers and other battery-powered equipment.

Fixed-frequency synchronous drive of logic-level N-channel power MOSFETs is combined with an optional pulse-skipping mode to achieve ultra efficient power conversion over a 1000:1 load current range. The pulse-skipping mode can be disabled in favor of fixed-frequency operation regardless of the load current level.

High DC gain and current-mode feedback control assure excellent line and load regulation and a wide loop bandwidth for fast response to dynamic loads.

An internal oscillator fixes the switching frequency at 200 kHz. Optionally, switching can be synchronized to an external clock running as fast as 400 kHz.

An optional soft-start feature limits current surges from the input power supply at start up and provides a simple means of start-up sequencing.

Logic-level inputs allow the controllers to be turned ON and OFF separately.

The LM2640 is a dual step-down power supply controller intended for application in notebook personal computers and other battery-powered equipment.

Fixed-frequency synchronous drive of logic-level N-channel power MOSFETs is combined with an optional pulse-skipping mode to achieve ultra efficient power conversion over a 1000:1 load current range. The pulse-skipping mode can be disabled in favor of fixed-frequency operation regardless of the load current level.

High DC gain and current-mode feedback control assure excellent line and load regulation and a wide loop bandwidth for fast response to dynamic loads.

An internal oscillator fixes the switching frequency at 200 kHz. Optionally, switching can be synchronized to an external clock running as fast as 400 kHz.

An optional soft-start feature limits current surges from the input power supply at start up and provides a simple means of start-up sequencing.

Logic-level inputs allow the controllers to be turned ON and OFF separately.

Subscribe to Welllinkchips !
Your Name
* Email
Submit a request