0
LM25066A
  • LM25066A
  • LM25066A
  • LM25066A
  • LM25066A

LM25066A

ACTIVE

2.9-V to 17-V hot swap controller with I2C and PMBus with increased monitoring accuracy

Texas Instruments LM25066A Product Info

1 April 2026 0

Parameters

Vabsmax_cont (V)

24

Vin (max) (V)

17

Vin (min) (V)

2.9

Current limit (min) (A)

0.01

Features

Adjustable OVLO, Adjustable current limit, Adjustable soft start, Current monitoring, Fault output, Overcurrent protection, Overvoltage protection, PMBus, Power good signal, Short circuit protection, Thermal shutdown, adjustable UVLO

Overcurrent response

Circuit breaker, Current limiting

Fault response

Auto-retry, Latch-off

Overvoltage response

Cut-off

Rating

Catalog

Soft start

Adjustable

Quiescent current (Iq) (typ) (A)

0.0058

Quiescent current (Iq) (max) (A)

0.008

Device type

eFuses and hot swap controllers

Operating temperature range (°C)

-40 to 125

Package

WQFN (NHZ)-24-20 mm² 5 x 4

Features

  • Input Voltage Range: 2.9 V to 17 V
  • I2C/SMBus Interface and PMBus Compliant Command Structure
  • Programmable 25-mV or 46-mV Current Limit Threshold
  • Configurable Circuit Breaker Protection for Hard Shorts
  • Configurable Undervoltage and Overvoltage Lockouts With Hysteresis
  • Remote Temperature Sensing With Programmable Warning and Shutdown Thresholds
  • Detection and Notification of Damaged MOSFET Condition
  • Real Time Monitoring of VIN, VOUT, IIN, PIN, VAUX With 12-Bit Resolution and 1-kHz Sampling Rate
  • Current Measurement Accuracy: ±1% Over Temperature
  • Power Measurement Accuracy: ±2% Over Temperature
  • True Input Power Measurement Using Simultaneous Sampling of VIN and IIN Accurately Averages Dynamic Power Readings
  • Averaging of VIN, IIN, PIN, and VOUT Over Programmable Interval Ranging from 0.001 to 4 Seconds
  • Programmable WARN and FAULT Thresholds with SMBA Notification
  • Black Box Capture of Telemetry Measurements and Device Status Triggered by WARN or FAULT Condition
  • 24-Lead WQFN Package
  • Input Voltage Range: 2.9 V to 17 V
  • I2C/SMBus Interface and PMBus Compliant Command Structure
  • Programmable 25-mV or 46-mV Current Limit Threshold
  • Configurable Circuit Breaker Protection for Hard Shorts
  • Configurable Undervoltage and Overvoltage Lockouts With Hysteresis
  • Remote Temperature Sensing With Programmable Warning and Shutdown Thresholds
  • Detection and Notification of Damaged MOSFET Condition
  • Real Time Monitoring of VIN, VOUT, IIN, PIN, VAUX With 12-Bit Resolution and 1-kHz Sampling Rate
  • Current Measurement Accuracy: ±1% Over Temperature
  • Power Measurement Accuracy: ±2% Over Temperature
  • True Input Power Measurement Using Simultaneous Sampling of VIN and IIN Accurately Averages Dynamic Power Readings
  • Averaging of VIN, IIN, PIN, and VOUT Over Programmable Interval Ranging from 0.001 to 4 Seconds
  • Programmable WARN and FAULT Thresholds with SMBA Notification
  • Black Box Capture of Telemetry Measurements and Device Status Triggered by WARN or FAULT Condition
  • 24-Lead WQFN Package

Description

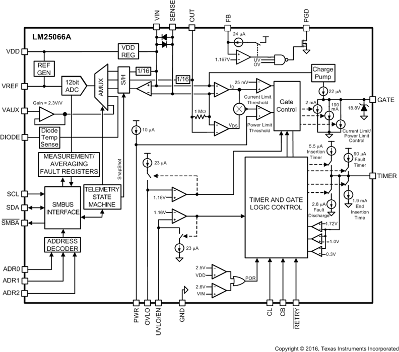
The LM25066A combines a high-performance hot-swap controller with a PMBus™ compliant SMBus/I2C interface to accurately measure, protect and control the electrical operating conditions of computing and storage blades connected to a backplane power bus. The LM25066A continuously supplies real-time power, voltage, current, temperature and fault data to the system management host via the SMBus interface.

The LM25066A control block includes a unique hot-swap architecture that provides current and power limiting to protect sensitive circuitry during insertion of boards into a live system backplane, or any other power source. A fast acting circuit breaker prevents damage in the event of a short circuit on the output. The input undervoltage and overvoltage levels and hysteresis are configurable, as well as the insertion delay time and fault detection time. A temperature monitoring block on the LM25066A interfaces with a low-cost external diode for monitoring the temperature of the external MOSFET or other thermally sensitive components. The POWER GOOD output provides a fast indicator when the input and/or output voltages are outside their programmed range. LM25066A current measurement accuracy is ±1% over temperature.

The LM25066A monitoring block computes both the real-time and average values of subsystem operating parameters (VIN, IIN, PIN, VOUT) as well as the peak power. Accurate power averaging is accomplished by averaging the product of the input voltage and current. A black box (Telemetry/Fault Snapshot) function captures and stores telemetry data and device status in the event of a warning or a fault.

The LM25066A combines a high-performance hot-swap controller with a PMBus™ compliant SMBus/I2C interface to accurately measure, protect and control the electrical operating conditions of computing and storage blades connected to a backplane power bus. The LM25066A continuously supplies real-time power, voltage, current, temperature and fault data to the system management host via the SMBus interface.

The LM25066A control block includes a unique hot-swap architecture that provides current and power limiting to protect sensitive circuitry during insertion of boards into a live system backplane, or any other power source. A fast acting circuit breaker prevents damage in the event of a short circuit on the output. The input undervoltage and overvoltage levels and hysteresis are configurable, as well as the insertion delay time and fault detection time. A temperature monitoring block on the LM25066A interfaces with a low-cost external diode for monitoring the temperature of the external MOSFET or other thermally sensitive components. The POWER GOOD output provides a fast indicator when the input and/or output voltages are outside their programmed range. LM25066A current measurement accuracy is ±1% over temperature.

The LM25066A monitoring block computes both the real-time and average values of subsystem operating parameters (VIN, IIN, PIN, VOUT) as well as the peak power. Accurate power averaging is accomplished by averaging the product of the input voltage and current. A black box (Telemetry/Fault Snapshot) function captures and stores telemetry data and device status in the event of a warning or a fault.

Subscribe to Welllinkchips !
Your Name
* Email
Submit a request