0
ADC12081
  • ADC12081
  • ADC12081
  • ADC12081

ADC12081

ACTIVE

12-Bit, 5 MHz Self-Calibrating, Pipelined A/D Converter with Internal Sample & Hold

Texas Instruments ADC12081 Product Info

1 April 2026 1

Parameters

Sample rate (max) (Msps)

5

Resolution (Bits)

12

Number of input channels

1

Interface type

Parallel CMOS, TTL

Analog input BW (MHz)

100

Features

Low Power

Rating

Catalog

Peak-to-peak input voltage range (V)

2

Power consumption (typ) (mW)

105

Architecture

Pipeline

SNR (dB)

68

ENOB (Bits)

10.9

SFDR (dB)

79

Operating temperature range (°C)

-20 to 75

Input buffer

No

Package

LQFP (NEY)-32-81 mm² 9 x 9

Features

  • Single 5V Power Supply
  • Simple Analog Input Interface
  • Internal Sample-and-Hold
  • Internal Reference Buffer Amplifier
  • Low Power Consumption
  • Single 5V Power Supply
  • Simple Analog Input Interface
  • Internal Sample-and-Hold
  • Internal Reference Buffer Amplifier
  • Low Power Consumption

Description

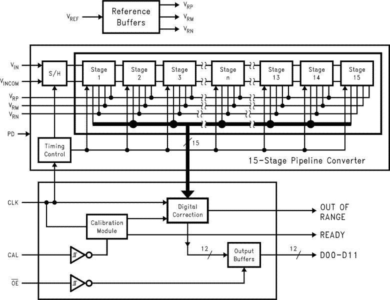
The ADC12081 is a monolithic CMOS analog-to-digital converter capable of converting analog input signals into 12-bit digital words at 5 megasamples per second (MSPS). The ADC12081 utilizes an innovative pipeline architecture to minimize die size and power consumption. The ADC12081 uses self-calibration and error correction to maintain accuracy and performance over temperature.

The ADC12081 converter operates on a 5V power supply and can digitize analog input signals in the range of 0 to 2V. A single convert clock controls the conversion operation. All digital I/O is TTL compatible.

The ADC12081 is designed to minimize external components necessary for the analog input interface. An internal sample-and-hold circuit samples the analog input and an internal amplifier buffers the reference voltage input.

The ADC12081 is available in the 32-lead LQFP package and is designed to operate over the extended commercial temperature range of -40°C to +85°C.

The ADC12081 is a monolithic CMOS analog-to-digital converter capable of converting analog input signals into 12-bit digital words at 5 megasamples per second (MSPS). The ADC12081 utilizes an innovative pipeline architecture to minimize die size and power consumption. The ADC12081 uses self-calibration and error correction to maintain accuracy and performance over temperature.

The ADC12081 converter operates on a 5V power supply and can digitize analog input signals in the range of 0 to 2V. A single convert clock controls the conversion operation. All digital I/O is TTL compatible.

The ADC12081 is designed to minimize external components necessary for the analog input interface. An internal sample-and-hold circuit samples the analog input and an internal amplifier buffers the reference voltage input.

The ADC12081 is available in the 32-lead LQFP package and is designed to operate over the extended commercial temperature range of -40°C to +85°C.

Subscribe to Welllinkchips !
Your Name
* Email
Submit a request