0
ISO1412
  • ISO1412
  • ISO1412

ISO1412

ACTIVE

EMC protected, 500-Kbps, full-duplex, 5-kVrms isolated RS-485 & RS-422 transceiver

Texas Instruments ISO1412 Product Info

1 April 2026 0

Parameters

Rating

Catalog

Integrated isolated power

No

Isolation rating

Basic, Reinforced

Duplex

Full

Data rate (max) (Mbps)

0.5

Working isolation voltage (VIOWM) (Vrms)

1060

Surge isolation voltage (VIOSM) (VPK)

6000, 10000

Transient isolation voltage (VIOTM) (VPK)

7071

Withstand isolation voltage (VISO) (Vrms)

5000

VCC1 (min) (V)

1.71

VCC1 (max) (V)

5.5

VCC2 (min) (V)

3

VCC2 (max) (V)

5.5

Fail safe

Idle, Open, Short

CMTI (min) (kV/µs)

85

Operating temperature range (°C)

-40 to 125

Package

SOIC (DW)-16-106.09 mm² 10.3 x 10.3

Features

  • Compatible with TIA/EIA-485-A
  • PROFIBUS compatible at 5V bus-side supply
  • Bus I/O protection
    • ±30kV HBM
    • ±16kV IEC 61000-4-2 Contact discharge
    • ±4kV IEC 61000-4-4 Electrical fast transient
  • Low-EMI 500kbps, 12Mbps and 50Mbps Data Rates
  • 1.71V to 5.5V logic-side supply (VCC1), 3V to 5.5V bus-side supply (VCC2)
  • Failsafe receiver for bus open, short, and idle
  • 1/8 Unit load up to 256 nodes on bus
  • 100kV/µs (typical) high common-mode transient immunity
  • Extended temperature range from –40°C to 125°C
  • Glitch-free power-up and power-down for hot plug-in
  • Wide-body SOIC-16 package
  • Pin compatible to most isolated RS-485 transceivers
  • Safety-related certifications:
    • 7071VPK VIOTM and 1500VPK VIORM (reinforced and basic options) per DIN VDE V 0884-11:2017-01
    • 5000VRMS isolation for 1 minute per UL 1577
    • IEC 60950-1, IEC 62368-1, IEC 60601-1 and IEC 61010-1 certifications
    • CQC, TUV, and CSA approvals
  • Compatible with TIA/EIA-485-A
  • PROFIBUS compatible at 5V bus-side supply
  • Bus I/O protection
    • ±30kV HBM
    • ±16kV IEC 61000-4-2 Contact discharge
    • ±4kV IEC 61000-4-4 Electrical fast transient
  • Low-EMI 500kbps, 12Mbps and 50Mbps Data Rates
  • 1.71V to 5.5V logic-side supply (VCC1), 3V to 5.5V bus-side supply (VCC2)
  • Failsafe receiver for bus open, short, and idle
  • 1/8 Unit load up to 256 nodes on bus
  • 100kV/µs (typical) high common-mode transient immunity
  • Extended temperature range from –40°C to 125°C
  • Glitch-free power-up and power-down for hot plug-in
  • Wide-body SOIC-16 package
  • Pin compatible to most isolated RS-485 transceivers
  • Safety-related certifications:
    • 7071VPK VIOTM and 1500VPK VIORM (reinforced and basic options) per DIN VDE V 0884-11:2017-01
    • 5000VRMS isolation for 1 minute per UL 1577
    • IEC 60950-1, IEC 62368-1, IEC 60601-1 and IEC 61010-1 certifications
    • CQC, TUV, and CSA approvals

Description

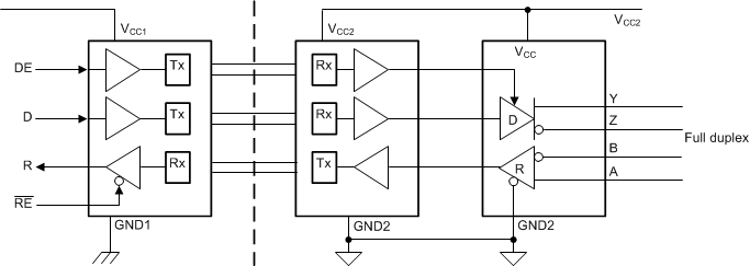
The ISO14xx devices are galvanically-isolated differential line transceivers for TIA/EIA RS-485 and RS-422 applications. These noise-immune transceivers are designed to operate in harsh industrial environments. The bus pins of these devices can endure high levels of IEC electrostatic discharge (ESD) and IEC electrical fast transient (EFT) events which eliminates the need for additional components on bus for system-level protection. The devices are available for both basic and reinforced isolation (see Reinforced and Basic Isolation Options).

The ISO14xx devices are galvanically-isolated differential line transceivers for TIA/EIA RS-485 and RS-422 applications. These noise-immune transceivers are designed to operate in harsh industrial environments. The bus pins of these devices can endure high levels of IEC electrostatic discharge (ESD) and IEC electrical fast transient (EFT) events which eliminates the need for additional components on bus for system-level protection. The devices are available for both basic and reinforced isolation (see Reinforced and Basic Isolation Options).

Subscribe to Welllinkchips !
Your Name
* Email
Submit a request