0
SN65HVD1781A-Q1
  • SN65HVD1781A-Q1
  • SN65HVD1781A-Q1
  • SN65HVD1781A-Q1

SN65HVD1781A-Q1

ACTIVE

Automotive, Fault-Protected RS-485 Transceivers With 3.3-V to 5-V Operation

Texas Instruments SN65HVD1781A-Q1 Product Info

1 April 2026 1

Parameters

Number of receivers

1

Number of transmitters

1

Duplex

Half

Supply voltage (nom) (V)

3.3, 5

Signaling rate (max) (Mbps)

1

Fault protection (V)

-70 to 70

Common-mode range (V)

-7 to 12

Number of nodes

320

Features

Fault protection

Isolated

No

Supply current (max) (µA)

6000

Rating

Automotive

Operating temperature range (°C)

-40 to 125

TI functional safety category

Functional Safety-Capable

Package

SOIC (D)-8-29.4 mm² 4.9 x 6

Features

  • Qualified for automotive applications
  • AEC-Q100 Qualified with the following results
    • Device temperature grade 1: –40°C to 125°C ambient operating temperature range
    • Device HBM ESD classification level H2
    • Device CDM ESG classification level C3B
  • Functional Safety-Capable
  • Bus-pin fault protection to: > ±70 V
  • Operation with 3.3-V to 5-V supply range
  • ±16-kV HBM protection on bus pins
  • Reduced unit load for up to 320 nodes
  • Failsafe receiver for open-circuit, short-circuit and idle-bus conditions
  • Low power consumption
    • Low standby supply current, 1 µA maximum
    • ICC 4-mA Quiescent during operation
  • Pin-compatible with industry-standard SN75176
  • Signaling rates up to 1 Mbps
  • Qualified for automotive applications
  • AEC-Q100 Qualified with the following results
    • Device temperature grade 1: –40°C to 125°C ambient operating temperature range
    • Device HBM ESD classification level H2
    • Device CDM ESG classification level C3B
  • Functional Safety-Capable
  • Bus-pin fault protection to: > ±70 V
  • Operation with 3.3-V to 5-V supply range
  • ±16-kV HBM protection on bus pins
  • Reduced unit load for up to 320 nodes
  • Failsafe receiver for open-circuit, short-circuit and idle-bus conditions
  • Low power consumption
    • Low standby supply current, 1 µA maximum
    • ICC 4-mA Quiescent during operation
  • Pin-compatible with industry-standard SN75176
  • Signaling rates up to 1 Mbps

Description

The device is designed to survive overvoltage faults such as direct shorts to power supplies, mis-wiring faults, connector failures, cable crushes, and tool mis-applications. It is also robust to ESD events, with high levels of protection to the human-body-model specification.

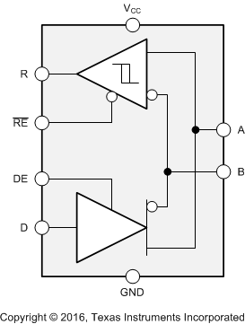
The SN65HVD1781A-Q1 combines a differential driver and a differential receiver, which operate from a single power supply. The driver differential outputs and the receiver differential inputs are connected internally to form a bus port suitable for half-duplex (two-wire bus) communication. This port features a wide common-mode voltage range, making the device suitable for multipoint applications over long cable runs. The device is characterized from –40°C to 125°C. The SN65HVD1781A-Q1 device is pin-compatible with the industry-standard SN75176 transceiver, making it a drop-in upgrade in most systems.

The device is fully compliant with ANSI TIA/EIA 485-A with a 5-V supply and can operate with a 3.3-V supply with reduced driver output voltage for low-power applications. For applications where operation is required over an extended common-mode voltage range, see the SN65HVD1785 (SLLS872) data sheet.

The device is designed to survive overvoltage faults such as direct shorts to power supplies, mis-wiring faults, connector failures, cable crushes, and tool mis-applications. It is also robust to ESD events, with high levels of protection to the human-body-model specification.

The SN65HVD1781A-Q1 combines a differential driver and a differential receiver, which operate from a single power supply. The driver differential outputs and the receiver differential inputs are connected internally to form a bus port suitable for half-duplex (two-wire bus) communication. This port features a wide common-mode voltage range, making the device suitable for multipoint applications over long cable runs. The device is characterized from –40°C to 125°C. The SN65HVD1781A-Q1 device is pin-compatible with the industry-standard SN75176 transceiver, making it a drop-in upgrade in most systems.

The device is fully compliant with ANSI TIA/EIA 485-A with a 5-V supply and can operate with a 3.3-V supply with reduced driver output voltage for low-power applications. For applications where operation is required over an extended common-mode voltage range, see the SN65HVD1785 (SLLS872) data sheet.

Subscribe to Welllinkchips !
Your Name
* Email
Submit a request