0
INA826
  • INA826
  • INA826
  • INA826
  • INA826

INA826

ACTIVE

Precision, 200-μA Supply Current, 36-V Supply Instrumentation Amplifier

Texas Instruments INA826 Product Info

1 April 2026 0

Parameters

Number of channels

1

Vs (max) (V)

36

Vs (min) (V)

3

Input offset (±) (max) (µV)

150

Voltage gain (min) (V/V)

1

Voltage gain (max) (V/V)

1000

Noise at 1 kHz (typ) (nV√Hz)

18

Features

Cost Optimized, Overvoltage protection, Small Size

CMRR (min) (dB)

120

Input offset drift (±) (max) (µV/°C)

2

Input bias current (±) (max) (nA)

65

Iq (typ) (mA)

0.2

Bandwidth at min gain (typ) (MHz)

1

Gain error (±) (max) (%)

0.15

Operating temperature range (°C)

-40 to 125

Rating

Catalog

Type

Resistor

Gain nonlinearity (±) (max) (%)

0.002

Output swing headroom (to negative supply) (typ) (V)

0.1

Output swing headroom (to positive supply) (typ) (V)

-0.15

Input common mode headroom (to negative supply) (typ) (V)

0

Input common mode headroom (to positive supply) (typ) (V)

-1

Noise at 0.1 Hz to 10 Hz (typ) (µVPP)

0.52

Package

SOIC (D)-8-29.4 mm² 4.9 x 6

Features

  • Input common-mode range: Includes V–
  • Common-mode rejection:
    • 104 dB, min (G = 10)
    • 100 dB, min at 5 kHz (G = 10)
  • Power-supply rejection: 100 dB, min (G = 1)
  • Low offset voltage: 150 µV, max
  • Gain drift: 1 ppm/°C (G = 1), 35 ppm/°C (G > 1)
  • Noise: 18 nV/√Hz, G ≥ 100
  • Bandwidth: 1 MHz (G = 1), 60 kHz (G = 100)
  • Inputs protected up to ±40 V
  • Rail-to-rail output
  • Supply current: 200 µA
  • Supply range:
    • Single supply: 3 V to 36 V
    • Dual supply: ±1.5 V to ±18 V
  • Specified temperature range:
    –40°C to +125°C
  • Packages: 8-pin VSSOP, SOIC, and WSON
  • Input common-mode range: Includes V–
  • Common-mode rejection:
    • 104 dB, min (G = 10)
    • 100 dB, min at 5 kHz (G = 10)
  • Power-supply rejection: 100 dB, min (G = 1)
  • Low offset voltage: 150 µV, max
  • Gain drift: 1 ppm/°C (G = 1), 35 ppm/°C (G > 1)
  • Noise: 18 nV/√Hz, G ≥ 100
  • Bandwidth: 1 MHz (G = 1), 60 kHz (G = 100)
  • Inputs protected up to ±40 V
  • Rail-to-rail output
  • Supply current: 200 µA
  • Supply range:
    • Single supply: 3 V to 36 V
    • Dual supply: ±1.5 V to ±18 V
  • Specified temperature range:
    –40°C to +125°C
  • Packages: 8-pin VSSOP, SOIC, and WSON

Description

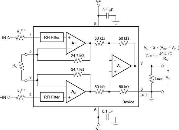
The INA826 is a cost-effective instrumentation amplifier that offers extremely low power consumption and operates over a very wide single-supply or dual-supply range. A single external resistor sets any gain from 1 to 1000. The device offers excellent stability over temperature, even at G > 1, as a result of the low gain drift of only 35 ppm/°C (maximum).

The INA826 is optimized to provide excellent common-mode rejection ratio of over 100 dB (G = 10) over frequencies up to 5 kHz. At G = 1, the common-mode rejection ratio exceeds 84 dB across the full input common-mode range, from the negative supply all the way up to 1 V of the positive supply. Using a rail-to-rail output, the INA826 is a great choice for low-voltage operation from a 3-V single supply, as well as dual supplies up to ±18 V.

Additional circuitry protects the inputs against overvoltage of up to ±40 V beyond the power supplies by limiting the input currents to less than 8 mA.

The INA826 is available in 8-pin SOIC, VSSOP, and tiny 3-mm × 3-mm WSON surface-mount packages. All versions are specified for the –40°C to +125°C temperature range.

The INA826 is a cost-effective instrumentation amplifier that offers extremely low power consumption and operates over a very wide single-supply or dual-supply range. A single external resistor sets any gain from 1 to 1000. The device offers excellent stability over temperature, even at G > 1, as a result of the low gain drift of only 35 ppm/°C (maximum).

The INA826 is optimized to provide excellent common-mode rejection ratio of over 100 dB (G = 10) over frequencies up to 5 kHz. At G = 1, the common-mode rejection ratio exceeds 84 dB across the full input common-mode range, from the negative supply all the way up to 1 V of the positive supply. Using a rail-to-rail output, the INA826 is a great choice for low-voltage operation from a 3-V single supply, as well as dual supplies up to ±18 V.

Additional circuitry protects the inputs against overvoltage of up to ±40 V beyond the power supplies by limiting the input currents to less than 8 mA.

The INA826 is available in 8-pin SOIC, VSSOP, and tiny 3-mm × 3-mm WSON surface-mount packages. All versions are specified for the –40°C to +125°C temperature range.

Subscribe to Welllinkchips !
Your Name
* Email
Submit a request