0
INA148
  • INA148
  • INA148

INA148

ACTIVE

+-200V Common-Mode Voltage Difference Amplifier

Texas Instruments INA148 Product Info

1 April 2026 1

Parameters

Number of channels

1

Vs (min) (V)

2.7

Vs (max) (V)

36

CMRR (min) (dB)

70

Common-mode input low (min) (V)

-200

Common-mode input high (max) (V)

200

Input offset (±) (max) (V)

0.005

Iq (typ) (mA)

0.26

Slew rate (typ) (V/µs)

1

Voltage gain (min) (V/V)

1

Voltage gain (max) (V/V)

1

Small-signal bandwidth (typ) (Hz)

150000

Rating

Catalog

Operating temperature range (°C)

-55 to 125

Gain drift (max) (ppm/°C)

10

Gain error (±) (max) (%)

0.075

Package

SOIC (D)-8-29.4 mm² 4.9 x 6

Features

  • High common-mode voltage:
    • +75V at VS = +5V
    • ±200V at VS = ±15V
  • Fixed differential gain = 1V/V
  • Low quiescent current: 260µA
  • Wide supply range:
    • Single supply: 2.7V to 36V
    • Dual supplies: ±1.35V to ±18V
  • Low gain error: 0.075% maximum
  • Low non-linearity: 0.002% maximum
  • High CMRR: 86dB
  • SOIC-8 Package
  • High common-mode voltage:
    • +75V at VS = +5V
    • ±200V at VS = ±15V
  • Fixed differential gain = 1V/V
  • Low quiescent current: 260µA
  • Wide supply range:
    • Single supply: 2.7V to 36V
    • Dual supplies: ±1.35V to ±18V
  • Low gain error: 0.075% maximum
  • Low non-linearity: 0.002% maximum
  • High CMRR: 86dB
  • SOIC-8 Package

Description

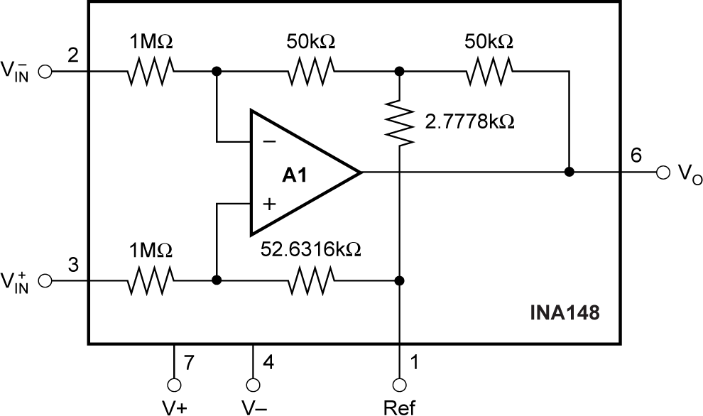
The INA148 is a precision, low-power, unity-gain difference amplifier with a high common-mode input voltage range. The device consists of a monolithic precision bipolar op amp with a thin-film resistor network.

The on-chip resistors are laser trimmed for an accurate 1V/V differential gain and high common-mode rejection. Excellent temperature tracking of the resistor network maintains high gain accuracy and common-mode rejection over temperature. The INA148 operates on single or dual supplies.

The INA148 is available in SOIC-8 surface-mount package and is specified for the –40°C to +85°C industrial temperature range.

The INA148 is a precision, low-power, unity-gain difference amplifier with a high common-mode input voltage range. The device consists of a monolithic precision bipolar op amp with a thin-film resistor network.

The on-chip resistors are laser trimmed for an accurate 1V/V differential gain and high common-mode rejection. Excellent temperature tracking of the resistor network maintains high gain accuracy and common-mode rejection over temperature. The INA148 operates on single or dual supplies.

The INA148 is available in SOIC-8 surface-mount package and is specified for the –40°C to +85°C industrial temperature range.

Subscribe to Welllinkchips !
Your Name
* Email
Submit a request