0
INA132
  • INA132
  • INA132

INA132

ACTIVE

Low Power, Single-Supply Difference Amplifier

Texas Instruments INA132 Product Info

1 April 2026 1

Parameters

Number of channels

1

Vs (min) (V)

2.7

Vs (max) (V)

36

CMRR (min) (dB)

76

Common-mode input low (min) (V)

-15

Common-mode input high (max) (V)

28

Input offset (±) (max) (V)

0.00025

Iq (typ) (mA)

0.16

Slew rate (typ) (V/µs)

0.1

Voltage gain (min) (V/V)

1

Voltage gain (max) (V/V)

1

Small-signal bandwidth (typ) (Hz)

300000

Rating

Catalog

Operating temperature range (°C)

-40 to 85

Gain drift (max) (ppm/°C)

1

Gain error (±) (max) (%)

0.075

Package

SOIC (D)-8-29.4 mm² 4.9 x 6

Features

  • Wide supply range:
    • Single supply: 2.7V to 36V
    • Dual supplies: ±1.35V to ±18V
  • DC precision performance:
    • Low gain error: ±0.075% (maximum)
    • Low nonlinearity: 0.001% (maximum)
    • High common-mode rejection: 90dB (typical)
  • Low quiescent current: 175µA
  • Wide supply range:
    • Single supply: 2.7V to 36V
    • Dual supplies: ±1.35V to ±18V
  • DC precision performance:
    • Low gain error: ±0.075% (maximum)
    • Low nonlinearity: 0.001% (maximum)
    • High common-mode rejection: 90dB (typical)
  • Low quiescent current: 175µA

Description

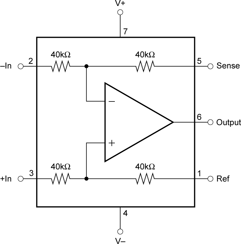
The INA132 is a low-power, unity-gain differential amplifier consisting of a precision op amp with a precision resistor network. The on-chip resistors are laser trimmed for accurate gain and high common-mode rejection. Excellent TCR tracking of the resistors maintains gain accuracy and common-mode rejection over temperature. The internal op amp common-mode range extends to the negative supply—an excellent choice for single-supply applications. The INA132 operates on single (2.7V to 36V) or dual (±1.35V to ±18V) supplies.

The differential amplifier is the foundation of many commonly used circuits. The INA132 provides this circuit function without using an expensive precision resistor network. The INA132 is available in an SO-8 surface-mount package and operates over the industrial temperature range of –40°C to +85°C.

The INA132 is a low-power, unity-gain differential amplifier consisting of a precision op amp with a precision resistor network. The on-chip resistors are laser trimmed for accurate gain and high common-mode rejection. Excellent TCR tracking of the resistors maintains gain accuracy and common-mode rejection over temperature. The internal op amp common-mode range extends to the negative supply—an excellent choice for single-supply applications. The INA132 operates on single (2.7V to 36V) or dual (±1.35V to ±18V) supplies.

The differential amplifier is the foundation of many commonly used circuits. The INA132 provides this circuit function without using an expensive precision resistor network. The INA132 is available in an SO-8 surface-mount package and operates over the industrial temperature range of –40°C to +85°C.

Subscribe to Welllinkchips !
Your Name
* Email
Submit a request