0
DS91M040
  • DS91M040
  • DS91M040
  • DS91M040
  • DS91M040

DS91M040

ACTIVE

125-MHz quad M-LVDS transceiver

Texas Instruments DS91M040 Product Info

1 April 2026 0

Parameters

Function

Transceiver

Protocols

BLVDS, CML, LVDS, LVPECL, M-LVDS

Number of transmitters

4

Number of receivers

4

Supply voltage (V)

3.3

Signaling rate (Mbps)

250

Input signal

BLVDS, CML, LVCMOS, LVDS, LVPECL, LVTTL, M-LVDS

Output signal

LVCMOS, LVTTL, M-LVDS

Rating

Catalog

Operating temperature range (°C)

-40 to 85

Package

WQFN (RTV)-32-25 mm² 5 x 5

Features

  • DC - 125 MHz / 250 Mbps Low Jitter, Low Skew, Low Power Operation
  • Wide Input Common Mode Voltage Range Allows up to ±1V of GND Noise
  • Conforms to TIA/EIA-899 M-LVDS Standard
  • Pin Selectable M-LVDS Receiver Type (1 or 2)
  • Controlled Transition Times (2.0 ns typ) Minimize Reflections
  • 8 kV ESD on M-LVDS I/O pins protects adjoining components
  • Flow-Through Pinout Simplifies PCB Layout
  • Small 5 mm x 5 mm WQFN-32 Space Saving Package

All trademarks are the property of their respective owners.

  • DC - 125 MHz / 250 Mbps Low Jitter, Low Skew, Low Power Operation
  • Wide Input Common Mode Voltage Range Allows up to ±1V of GND Noise
  • Conforms to TIA/EIA-899 M-LVDS Standard
  • Pin Selectable M-LVDS Receiver Type (1 or 2)
  • Controlled Transition Times (2.0 ns typ) Minimize Reflections
  • 8 kV ESD on M-LVDS I/O pins protects adjoining components
  • Flow-Through Pinout Simplifies PCB Layout
  • Small 5 mm x 5 mm WQFN-32 Space Saving Package

All trademarks are the property of their respective owners.

Description

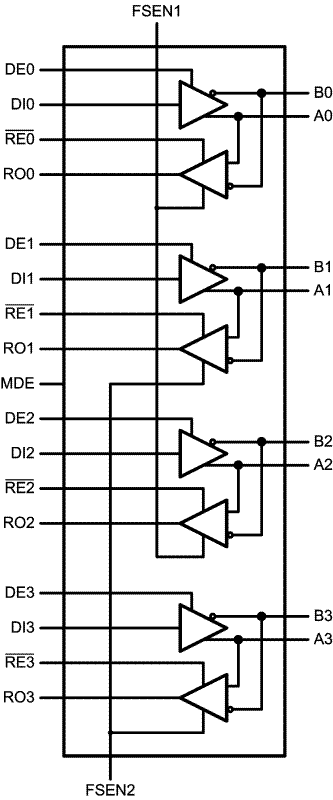
The DS91M040 is a quad M-LVDS transceiver designed for driving / receiving clock or data signals to / from up to four multipoint networks.

M-LVDS (Multipoint LVDS) is a new family of bus interface devices based on LVDS technology specifically designed for multipoint and multidrop cable and backplane applications. It differs from standard LVDS in providing increased drive current to handle double terminations that are required in multi-point applications. Controlled transition times minimize reflections that are common in multipoint configurations due to unterminated stubs. M-LVDS devices also have a very large input common mode voltage range for additional noise margin in heavily loaded and noisy backplane environments.

A single DS91M040 channel is a half-duplex transceiver that accepts LVTTL/LVCMOS signals at the driver inputs and converts them to differential M-LVDS signal levels. The receiver inputs accept low voltage differential signals (LVDS, BLVDS, M-LVDS, LVPECL and CML) and convert them to 3V LVCMOS signals. The DS91M040 supports both M-LVDS type 1 and type 2 receiver inputs.

The DS91M040 is a quad M-LVDS transceiver designed for driving / receiving clock or data signals to / from up to four multipoint networks.

M-LVDS (Multipoint LVDS) is a new family of bus interface devices based on LVDS technology specifically designed for multipoint and multidrop cable and backplane applications. It differs from standard LVDS in providing increased drive current to handle double terminations that are required in multi-point applications. Controlled transition times minimize reflections that are common in multipoint configurations due to unterminated stubs. M-LVDS devices also have a very large input common mode voltage range for additional noise margin in heavily loaded and noisy backplane environments.

A single DS91M040 channel is a half-duplex transceiver that accepts LVTTL/LVCMOS signals at the driver inputs and converts them to differential M-LVDS signal levels. The receiver inputs accept low voltage differential signals (LVDS, BLVDS, M-LVDS, LVPECL and CML) and convert them to 3V LVCMOS signals. The DS91M040 supports both M-LVDS type 1 and type 2 receiver inputs.

Subscribe to Welllinkchips !
Your Name
* Email
Submit a request