0
DS90UR916Q-Q1
  • DS90UR916Q-Q1
  • DS90UR916Q-Q1
  • DS90UR916Q-Q1

DS90UR916Q-Q1

ACTIVE

5-65 MHz 24-bit Color FPD-Link II Deserializer with Image Enhancement

Texas Instruments DS90UR916Q-Q1 Product Info

1 April 2026 0

Parameters

Applications

In-vehicle Infotainment (IVI)

Input compatibility

FPD-Link LVDS

Function

Deserializer

Output compatibility

LVCMOS

Color depth (bpp)

24

Features

I2C Config

Signal conditioning

Programmable Equalizer

EMI reduction

BIST

Diagnostics

BIST

Rating

Automotive

Operating temperature range (°C)

-40 to 105

Package

WQFN (NKB)-60-81 mm² 9 x 9

Features

  • 5 – 65 MHz PCLK support (140 Mbps – 1.82 Gbps)
  • RGB888 + VS, HS, DE Support
  • Image Enhancement - White Balance LUTs and Adaptive Hi-FRC Dithering
  • AC Coupled STP Interconnect Cable up to 10 Meters
  • @ Speed Link BIST Mode and Reporting Pin
  • I2C Compatible Serial Control Bus
  • Power Down Mode Minimizes Power Dissipation
  • 1.8V or 3.3V Compatible LVCMOS I/O Interface
  • Automotive Grade Product: AEC-Q100 Grade 2 Qualified
  • >8 kV HBM and ISO 10605 ESD Rating
  • FAST Random Ddata Lock; No Reference Clock Required
  • Adjustable Input Receiver Equalization
  • LOCK (Real Time Link Status) Reporting Pin
  • EMI Minimization on Output Parallel Bus (SSCG)
  • Output Slew Control (OS)
  • Backward Compatible Mode for Operation with Older Generation Devices

All trademarks are the property of their respective owners.

  • 5 – 65 MHz PCLK support (140 Mbps – 1.82 Gbps)
  • RGB888 + VS, HS, DE Support
  • Image Enhancement - White Balance LUTs and Adaptive Hi-FRC Dithering
  • AC Coupled STP Interconnect Cable up to 10 Meters
  • @ Speed Link BIST Mode and Reporting Pin
  • I2C Compatible Serial Control Bus
  • Power Down Mode Minimizes Power Dissipation
  • 1.8V or 3.3V Compatible LVCMOS I/O Interface
  • Automotive Grade Product: AEC-Q100 Grade 2 Qualified
  • >8 kV HBM and ISO 10605 ESD Rating
  • FAST Random Ddata Lock; No Reference Clock Required
  • Adjustable Input Receiver Equalization
  • LOCK (Real Time Link Status) Reporting Pin
  • EMI Minimization on Output Parallel Bus (SSCG)
  • Output Slew Control (OS)
  • Backward Compatible Mode for Operation with Older Generation Devices

All trademarks are the property of their respective owners.

Description

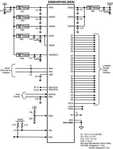
The DS90UR916Q FPD-Link II deserializer operates with the DS90UR905Q FPD-Link II serializer to deliver 24-bit digital video data over a single differential pair. The DS90UR916Q provides features designed to enhance image quality at the display. The high speed serial bus scheme of FPD-Link II greatly eases system design by eliminating skew problems between clock and data, reduces the number of connector pins, reduces the interconnect size, weight, and cost, and overall eases PCB layout. In addition, internal DC balanced decoding is used to support AC-coupled interconnects.

The DS90UR916Q Des (deserializer) recovers the data (RGB) and control signals and extracts the clock from the serial stream. The Des locks to the incoming serial data stream without the use of a training sequence or special SYNC patterns, and does not require a reference clock. A link status (LOCK) output signal is provided. The DS90UR916Q is ideally suited for 24-bit color applications. White balance lookup tables and adaptive Hi-FRC dithering provide the user a cost-effective means to enhance display image quality.

Serial transmission is optimized with user selectable receiver equalization. EMI is minimized by the use of low voltage differential signaling, output slew control, and the Des may be configured to generate Spread Spectrum Clock and Data on its parallel outputs.

The DS90UR916Qis offered in a 60-pin WQFN package. It is specified over the automotive AEC-Q100 grade 2 temperature range of -40°C to +105°C.

The DS90UR916Q FPD-Link II deserializer operates with the DS90UR905Q FPD-Link II serializer to deliver 24-bit digital video data over a single differential pair. The DS90UR916Q provides features designed to enhance image quality at the display. The high speed serial bus scheme of FPD-Link II greatly eases system design by eliminating skew problems between clock and data, reduces the number of connector pins, reduces the interconnect size, weight, and cost, and overall eases PCB layout. In addition, internal DC balanced decoding is used to support AC-coupled interconnects.

The DS90UR916Q Des (deserializer) recovers the data (RGB) and control signals and extracts the clock from the serial stream. The Des locks to the incoming serial data stream without the use of a training sequence or special SYNC patterns, and does not require a reference clock. A link status (LOCK) output signal is provided. The DS90UR916Q is ideally suited for 24-bit color applications. White balance lookup tables and adaptive Hi-FRC dithering provide the user a cost-effective means to enhance display image quality.

Serial transmission is optimized with user selectable receiver equalization. EMI is minimized by the use of low voltage differential signaling, output slew control, and the Des may be configured to generate Spread Spectrum Clock and Data on its parallel outputs.

The DS90UR916Qis offered in a 60-pin WQFN package. It is specified over the automotive AEC-Q100 grade 2 temperature range of -40°C to +105°C.

Subscribe to Welllinkchips !
Your Name
* Email
Submit a request