0
DS64MB201
  • DS64MB201
  • DS64MB201
  • DS64MB201

DS64MB201

ACTIVE

Dual port 2:1/1:2 mux/buffer with equalization and de-emphasis

Texas Instruments DS64MB201 Product Info

1 April 2026 1

Parameters

Function

Equalizer, Mux buffer

Protocols

CML

Number of transmitters

2, 4

Number of receivers

2, 4

Supply voltage (V)

2.5

Signaling rate (Mbps)

6400

Input signal

CML

Output signal

CML

Rating

Catalog

Operating temperature range (°C)

-40 to 85

Package

WQFN (NJY)-54-55 mm² 10 x 5.5

Features

  • Up to 6.4 Gbps dual lane 2:1 mux, 1:2 switch or fan-out
  • Adjustable receive equalization up to +33 dB gain
  • Adjustable transmit de-emphasis up to –12 dB
  • Adjustable transmit VOD
  • <0.25 UI of residual DJ at 6.4 Gbps with 40” FR4 trace
  • SATA/SAS: OOB signal pass-through
  • Adjustable electrical IDLE detect threshold
  • Low power
  • Signal conditioning programmable via pin selection
    or SMBus interface
  • Single 2.5V supply operation
  • >6 kV HBM ESD Rating
  • 3.3V tolerant SMBus interface
  • High speed signal flow-thru pinout package: 54-pin WQFN
    (10 mm × 5.5 mm)
  • Up to 6.4 Gbps dual lane 2:1 mux, 1:2 switch or fan-out
  • Adjustable receive equalization up to +33 dB gain
  • Adjustable transmit de-emphasis up to –12 dB
  • Adjustable transmit VOD
  • <0.25 UI of residual DJ at 6.4 Gbps with 40” FR4 trace
  • SATA/SAS: OOB signal pass-through
  • Adjustable electrical IDLE detect threshold
  • Low power
  • Signal conditioning programmable via pin selection
    or SMBus interface
  • Single 2.5V supply operation
  • >6 kV HBM ESD Rating
  • 3.3V tolerant SMBus interface
  • High speed signal flow-thru pinout package: 54-pin WQFN
    (10 mm × 5.5 mm)

Description

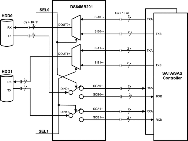
The DS64MB201 is a dual lane 2:1 multiplexer and 1:2 switch or fan-out buffer with signal conditioning suitable for SATA/SAS and other high-speed bus applications up to 6.4 Gbps. The device performs both receive equalization and transmit de-emphasis, allowing maximum flexibility of physical placement within a system. The receiver's continuous time linear equalizer (CTLE) provides a boost of up to +33 dB at 3 GHz and is capable of opening an input eye that is completely closed due to inter-symbol interference (ISI) induced by the interconnect medium. The transmitter features a programmable output de-emphasis driver and allows amplitude voltage levels to be selected from 600 mVp-p to 1200 mVp-p to suit multiple application scenarios. The signal conditioning settings are programmable via control pin settings or SMBus interface.

To enable seamless upgrade from SAS/SATA 3.0 Gbps to 6.0 Gbps data rates without compromising physical reach, DS64MB201 automatically detects the incoming data rate and selects the optimal de-emphasis pulse width. The device detects the out-of-band (OOB) idle and active signals of the SAS/SATA specification and passes through with minimum signal distortion.

The DS64MB201 is a dual lane 2:1 multiplexer and 1:2 switch or fan-out buffer with signal conditioning suitable for SATA/SAS and other high-speed bus applications up to 6.4 Gbps. The device performs both receive equalization and transmit de-emphasis, allowing maximum flexibility of physical placement within a system. The receiver's continuous time linear equalizer (CTLE) provides a boost of up to +33 dB at 3 GHz and is capable of opening an input eye that is completely closed due to inter-symbol interference (ISI) induced by the interconnect medium. The transmitter features a programmable output de-emphasis driver and allows amplitude voltage levels to be selected from 600 mVp-p to 1200 mVp-p to suit multiple application scenarios. The signal conditioning settings are programmable via control pin settings or SMBus interface.

To enable seamless upgrade from SAS/SATA 3.0 Gbps to 6.0 Gbps data rates without compromising physical reach, DS64MB201 automatically detects the incoming data rate and selects the optimal de-emphasis pulse width. The device detects the out-of-band (OOB) idle and active signals of the SAS/SATA specification and passes through with minimum signal distortion.

Subscribe to Welllinkchips !
Your Name
* Email
Submit a request