0
DS36C200
  • DS36C200
  • DS36C200

DS36C200

ACTIVE

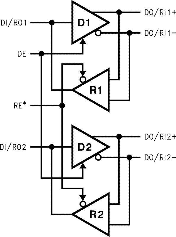
Dual high speed bi-directional differential transceiver

Texas Instruments DS36C200 Product Info

1 April 2026 2

Parameters

Function

Transceiver

Protocols

LVDS

Number of transmitters

2

Number of receivers

2

Supply voltage (V)

5

Signaling rate (Mbps)

100

Input signal

LVDS, TTL

Output signal

LVDS, TTL

Rating

Catalog

Operating temperature range (°C)

0 to 70

Package

SOIC (D)-14-51.9 mm² 8.65 x 6

Features

  • Optimized for DSS to DVHS Interface Link
  • Compatible IEEE 1394 Signaling Voltage Levels
  • Operates Above 100 Mbps
  • Bi-directional Transceivers
  • 14-lead SOIC Package
  • Ultra Low Power Dissipation
  • ±100 mV Receiver Sensitivity
  • Low Differential Output Swing Typical 210 mV
  • High Impedance During Power Off

All trademarks are the property of their respective owners.

  • Optimized for DSS to DVHS Interface Link
  • Compatible IEEE 1394 Signaling Voltage Levels
  • Operates Above 100 Mbps
  • Bi-directional Transceivers
  • 14-lead SOIC Package
  • Ultra Low Power Dissipation
  • ±100 mV Receiver Sensitivity
  • Low Differential Output Swing Typical 210 mV
  • High Impedance During Power Off

All trademarks are the property of their respective owners.

Description

The DS36C200 is a dual transceiver device optimized for high data rate and low power applications. This device provides a single chip solution for a dual high speed bi-directional interface. Also, both control pins may be routed together for single bit control of datastreams. Both control pins are adjacent to each other for ease of routing them together. The DS36C200 is compatible with IEEE 1394 physical layer and may be used as an economical solution with some considerations. Please reference the application information on 1394 for more information. The device is in a 14-lead small outline package. The differential driver outputs provides low EMI with its low output swings typically 210 mV. The receiver offers ±100 mV threshold sensitivity, in addition to common-mode noise protection.

The DS36C200 is a dual transceiver device optimized for high data rate and low power applications. This device provides a single chip solution for a dual high speed bi-directional interface. Also, both control pins may be routed together for single bit control of datastreams. Both control pins are adjacent to each other for ease of routing them together. The DS36C200 is compatible with IEEE 1394 physical layer and may be used as an economical solution with some considerations. Please reference the application information on 1394 for more information. The device is in a 14-lead small outline package. The differential driver outputs provides low EMI with its low output swings typically 210 mV. The receiver offers ±100 mV threshold sensitivity, in addition to common-mode noise protection.

Subscribe to Welllinkchips !
Your Name
* Email
Submit a request