0
DS100KR800
  • DS100KR800
  • DS100KR800
  • DS100KR800

DS100KR800

ACTIVE

10.3-Gbps 8 channel (uni-directional) redriver with EQ and DE

Texas Instruments DS100KR800 Product Info

1 April 2026 0

Parameters

Type

Redriver

Number of channels

8

Speed (max) (Gbpp)

10.3

Input compatibility

AC-coupling, CML

Protocols

10G-KR, 10G-SR/LR, 40G-KR4, 40G-SR4/LR4, CPRI, Fibre Channel, General purpose, Infiniband, Interlaken, OBSAI, sRIO

Operating temperature range (°C)

-40 to 85

Package

WQFN (NJY)-54-55 mm² 10 x 5.5

Features

  • Comprehensive Product Family:
    • DS125BR820: 8-Channel Repeater
    • DS125BR401A: 4x Lane Repeater
    • DS125BR111: 1x Lane Repeater
  • Transparent Management of 10G-KR (802.3ap)
    Link Training Protocol
  • 65 mW/Channel (Typical) Power Consumption
  • Advanced Signal Conditioning Features
    • Receive Equalization up to 36 dB at 5 GHz
    • Transmit De-emphasis up to –12 dB
    • Transmit Voltage Control: 700 mV to 1300 mV
  • Programmable Through Pin Selection, EEPROM
    or SMBus Interface
  • Selectable 2.5-V or 3.3-V Supply Voltage
  • –40°C to +85°C Operating Temperature Range
  • Flow-thru Pinout in Leadless WQFN Package
  • Comprehensive Product Family:
    • DS125BR820: 8-Channel Repeater
    • DS125BR401A: 4x Lane Repeater
    • DS125BR111: 1x Lane Repeater
  • Transparent Management of 10G-KR (802.3ap)
    Link Training Protocol
  • 65 mW/Channel (Typical) Power Consumption
  • Advanced Signal Conditioning Features
    • Receive Equalization up to 36 dB at 5 GHz
    • Transmit De-emphasis up to –12 dB
    • Transmit Voltage Control: 700 mV to 1300 mV
  • Programmable Through Pin Selection, EEPROM
    or SMBus Interface
  • Selectable 2.5-V or 3.3-V Supply Voltage
  • –40°C to +85°C Operating Temperature Range
  • Flow-thru Pinout in Leadless WQFN Package

Description

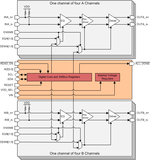
The DS100KR800 device is a high performance repeater designed to support 8-channel (unidirectional), 10G-KR, and other high-speed interface serial protocols up to 10.3 Gbps. The continuous time linear equalizer (CTLE) of the receiver provides a boost of up to 36 dB at 5 GHz (10.3125 Gbps) in each of its eight channels. This equalizer is capable of opening an input eye that is completely closed due to inter symbol interference (ISI) induced by interconnect medium such as long backplanes or cables. The transmitter provides a de-emphasis boost of up to –12 dB and output voltage amplitude control from 700 mV to 1300 mV.

When operating in 10G-KR mode, the DS100KR800 transparently allows the host controller and the end point to optimize the full link and negotiate transmit equalizer coefficients as defined in the 802.3ap standard. This seamless management of the link training protocol ensures system level interoperability with minimum latency.

The programmable settings can be applied through pin settings, SMBus (I2C) protocol or an external EEPROM. When operating in the EEPROM mode, the configuration information is automatically loaded on power-up. This eliminates the need for an external microprocessor or software driver.

The DS100KR800 device is a high performance repeater designed to support 8-channel (unidirectional), 10G-KR, and other high-speed interface serial protocols up to 10.3 Gbps. The continuous time linear equalizer (CTLE) of the receiver provides a boost of up to 36 dB at 5 GHz (10.3125 Gbps) in each of its eight channels. This equalizer is capable of opening an input eye that is completely closed due to inter symbol interference (ISI) induced by interconnect medium such as long backplanes or cables. The transmitter provides a de-emphasis boost of up to –12 dB and output voltage amplitude control from 700 mV to 1300 mV.

When operating in 10G-KR mode, the DS100KR800 transparently allows the host controller and the end point to optimize the full link and negotiate transmit equalizer coefficients as defined in the 802.3ap standard. This seamless management of the link training protocol ensures system level interoperability with minimum latency.

The programmable settings can be applied through pin settings, SMBus (I2C) protocol or an external EEPROM. When operating in the EEPROM mode, the configuration information is automatically loaded on power-up. This eliminates the need for an external microprocessor or software driver.

Subscribe to Welllinkchips !
Your Name
* Email
Submit a request