0
DRV8873-Q1
  • DRV8873-Q1
  • DRV8873-Q1

DRV8873-Q1

ACTIVE

Automotive, current sensing 40V, 10A H-bridge motor driver with integrated current feedback

Texas Instruments DRV8873-Q1 Product Info

1 April 2026 1

Parameters

Number of full bridges

1

Vs (min) (V)

4.5

Vs ABS (max) (V)

40

Peak output current (A)

10

RDS(ON) (HS + LS) (mΩ)

150

Sleep current (µA)

15

Control mode

Independent 1/2-Bridge, PH/EN, PWM

Control interface

Hardware (GPIO), SPI

Features

Current sense Amplifier, Integrated Current Sensing, Open-Load Detection

Topology

Integrated FET

Rating

Automotive

TI functional safety category

Functional Safety-Capable

Operating temperature range (°C)

-40 to 125

Package

HTSSOP (PWP)-24-49.92 mm² 7.8 x 6.4

Features

  • AEC-Q100 qualified for automotive applications
    • Device temperature grade 1: –40°C to +125°C, TA
  • N-channel H-bridge motor driver
    • Drives one bidirectional brushed DC motor
    • Two unidirectional brushed DC motors
    • Solenoids or other resistive and inductive loads
  • 4.5-V to 38-V Operating voltage range
  • 10-A Peak current drive
  • Low HS + LS RDS(ON)
    • 150 mΩ at TJ = 25°C, 13.5 V
    • 250 mΩ at TJ = 150°C, 13.5 V
  • Integrated current sensing
  • Proportional current output (IPROPI)
  • Configurable control interface
    • PH/EN
    • PWM (IN1/IN2)
    • Independent half-bridge control
  • Supports 1.8-V, 3.3-V, 5-V logic inputs
  • SPI or hardware interface options
  • Small package and footprint
    • 24 HTSSOP PowerPAD™ IC package
  • Protection features
    • VM undervoltage lockout (UVLO)
    • Charge pump undervoltage (CPUV)
    • Overcurrent protection (OCP)
    • Output short to battery and short to ground protection
    • Open load detection
    • Thermal shutdown (TSD)
    • Fault condition output (nFAULT / SPI)
  • Spread spectrum clocking for low electromagnetic interference (EMI)
  • Functional Safety-Capable
  • AEC-Q100 qualified for automotive applications
    • Device temperature grade 1: –40°C to +125°C, TA
  • N-channel H-bridge motor driver
    • Drives one bidirectional brushed DC motor
    • Two unidirectional brushed DC motors
    • Solenoids or other resistive and inductive loads
  • 4.5-V to 38-V Operating voltage range
  • 10-A Peak current drive
  • Low HS + LS RDS(ON)
    • 150 mΩ at TJ = 25°C, 13.5 V
    • 250 mΩ at TJ = 150°C, 13.5 V
  • Integrated current sensing
  • Proportional current output (IPROPI)
  • Configurable control interface
    • PH/EN
    • PWM (IN1/IN2)
    • Independent half-bridge control
  • Supports 1.8-V, 3.3-V, 5-V logic inputs
  • SPI or hardware interface options
  • Small package and footprint
    • 24 HTSSOP PowerPAD™ IC package
  • Protection features
    • VM undervoltage lockout (UVLO)
    • Charge pump undervoltage (CPUV)
    • Overcurrent protection (OCP)
    • Output short to battery and short to ground protection
    • Open load detection
    • Thermal shutdown (TSD)
    • Fault condition output (nFAULT / SPI)
  • Spread spectrum clocking for low electromagnetic interference (EMI)
  • Functional Safety-Capable

Description

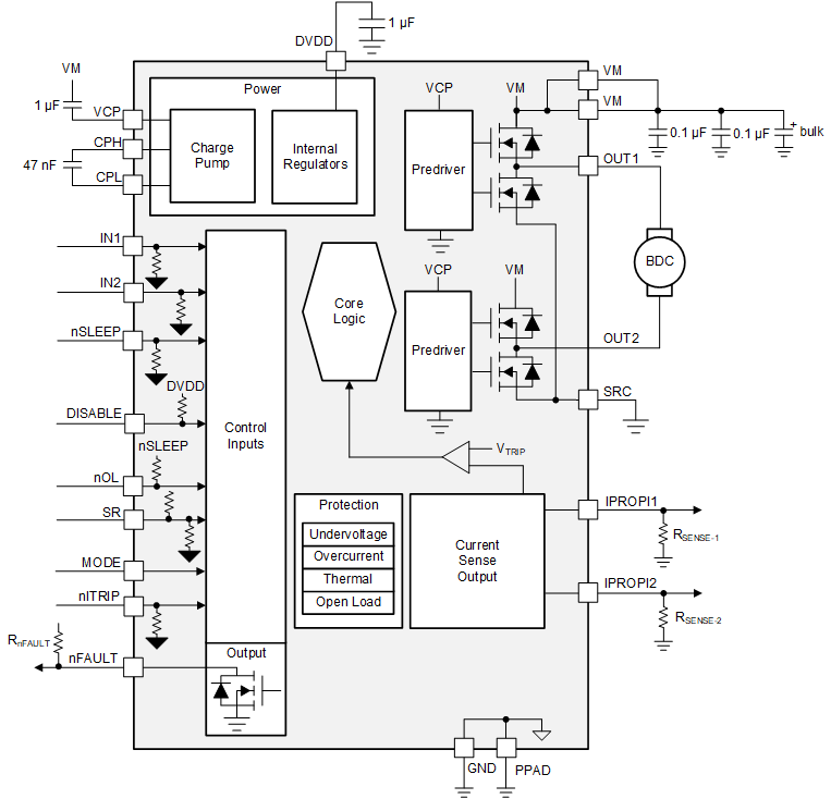
The DRV8873-Q1 device is an integrated driver IC for driving a brushed DC motor in automotive applications. Two logic inputs control the H-bridge driver, which consists of four N-channel MOSFETs that drive motors bi-directionally with up to 10-A peak current. The device operates from a single power supply and supports a wide input supply range from 4.5 V to 38 V.

A PH/EN or PWM interface allows simple interfacing to controller circuits. Alternatively, independent half-bridge control is available to drive two solenoid loads.

Integrated current sensing provides an output current proportional to the motor load current of both hide-side FETs without the need for high-power sense resistors. This can be used to detect motor stall or change in load conditions.

A low-power sleep mode is provided to achieve very-low quiescent current draw by shutting down much of the internal circuitry. Internal protection functions are provided for undervoltage lockout, charge pump faults, overcurrent protection, short-circuit protection, open-load detection, and overtemperature. Fault conditions are indicated on an nFAULT pin and through the SPI registers.

The DRV8873-Q1 device is an integrated driver IC for driving a brushed DC motor in automotive applications. Two logic inputs control the H-bridge driver, which consists of four N-channel MOSFETs that drive motors bi-directionally with up to 10-A peak current. The device operates from a single power supply and supports a wide input supply range from 4.5 V to 38 V.

A PH/EN or PWM interface allows simple interfacing to controller circuits. Alternatively, independent half-bridge control is available to drive two solenoid loads.

Integrated current sensing provides an output current proportional to the motor load current of both hide-side FETs without the need for high-power sense resistors. This can be used to detect motor stall or change in load conditions.

A low-power sleep mode is provided to achieve very-low quiescent current draw by shutting down much of the internal circuitry. Internal protection functions are provided for undervoltage lockout, charge pump faults, overcurrent protection, short-circuit protection, open-load detection, and overtemperature. Fault conditions are indicated on an nFAULT pin and through the SPI registers.

Subscribe to Welllinkchips !
Your Name
* Email
Submit a request