0
DRV8872-Q1
  • DRV8872-Q1
  • DRV8872-Q1

DRV8872-Q1

ACTIVE

Automotive 50-V, 3.6-A H-bridge motor driver with fault reporting & current regulation

Texas Instruments DRV8872-Q1 Product Info

1 April 2026 0

Parameters

Number of full bridges

1

Vs (min) (V)

6.5

Vs ABS (max) (V)

50

Peak output current (A)

3.7

RDS(ON) (HS + LS) (mΩ)

565

Sleep current (µA)

13

Control mode

PWM

Control interface

Hardware (GPIO)

Features

Current Regulation

Topology

Integrated FET

Rating

Automotive

TI functional safety category

Functional Safety-Capable

Operating temperature range (°C)

-40 to 125

Package

HSOIC (DDA)-8-29.4 mm² 4.9 x 6

Features

  • AEC-Q100 Qualified for Automotive Applications:
    • Device Temperature Grade 1: –40°C to +125°C Ambient Operating Temperature Range
    • Device HBM ESD Classification Level 2
    • Device CDM ESD Classification Level C4B
  • H-Bridge Motor Driver
    • Drives One DC Motor, One Winding of a Stepper Motor, or Other Loads
  • Wide 6.8-V to 45-V Operating Voltage
  • 565-mΩ Typical RDS(on) (HS + LS)
  • 3.6-A Peak Current Drive
  • PWM Control Interface
  • Integrated Current Regulation
  • Low-Power Sleep Mode
  • Fault Status Output Pin
  • Small Package and Footprint
    • 8-Pin HSOP With PowerPAD™
    • 4.9 × 6 mm
  • Integrated Protection Features
    • VM Undervoltage Lockout (UVLO)
    • Overcurrent Protection (OCP)
    • Thermal Shutdown (TSD)
    • Fault Reporting (nFAULT)
    • Automatic Fault Recovery
  • AEC-Q100 Qualified for Automotive Applications:
    • Device Temperature Grade 1: –40°C to +125°C Ambient Operating Temperature Range
    • Device HBM ESD Classification Level 2
    • Device CDM ESD Classification Level C4B
  • H-Bridge Motor Driver
    • Drives One DC Motor, One Winding of a Stepper Motor, or Other Loads
  • Wide 6.8-V to 45-V Operating Voltage
  • 565-mΩ Typical RDS(on) (HS + LS)
  • 3.6-A Peak Current Drive
  • PWM Control Interface
  • Integrated Current Regulation
  • Low-Power Sleep Mode
  • Fault Status Output Pin
  • Small Package and Footprint
    • 8-Pin HSOP With PowerPAD™
    • 4.9 × 6 mm
  • Integrated Protection Features
    • VM Undervoltage Lockout (UVLO)
    • Overcurrent Protection (OCP)
    • Thermal Shutdown (TSD)
    • Fault Reporting (nFAULT)
    • Automatic Fault Recovery

Description

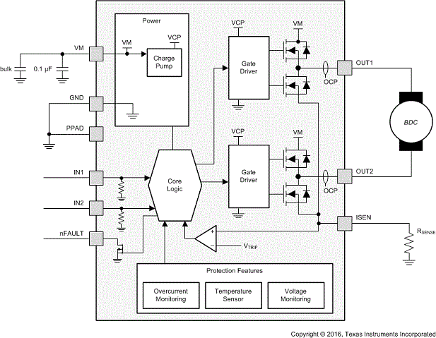
The DRV8872-Q1 device is a brushed DC (BDC) motor driver for infotainment, HUD projector adjustment, motorized shifter knobs, and piezo horn drivers. Two logic inputs control the H-bridge driver, which consists of four N-channel MOSFETs that provide bidirectional control of motors up to 3.6-A peak current. The inputs can be pulse-width modulated (PWM) to control motor speed, using a choice of current-decay modes. Setting both inputs low enters a low-power sleep mode.

The DRV8872-Q1 device features integrated current regulation, based on an internal reference voltage and the voltage on the ISEN pin, which is proportional to motor current through an external sense resistor. The ability to limit current to a known level can significantly reduce the system power requirements and bulk capacitance needed to maintain stable voltage, especially for motor startup and stall conditions.

The device is fully protected from faults and short circuits, including undervoltage lockout (UVLO), overcurrent protection (OCP), and thermal shutdown (TSD). Faults are communicated by pulling the nFAULT output low. When the fault condition is removed, the device automatically resumes normal operation.

The DRV8872-Q1 device is a brushed DC (BDC) motor driver for infotainment, HUD projector adjustment, motorized shifter knobs, and piezo horn drivers. Two logic inputs control the H-bridge driver, which consists of four N-channel MOSFETs that provide bidirectional control of motors up to 3.6-A peak current. The inputs can be pulse-width modulated (PWM) to control motor speed, using a choice of current-decay modes. Setting both inputs low enters a low-power sleep mode.

The DRV8872-Q1 device features integrated current regulation, based on an internal reference voltage and the voltage on the ISEN pin, which is proportional to motor current through an external sense resistor. The ability to limit current to a known level can significantly reduce the system power requirements and bulk capacitance needed to maintain stable voltage, especially for motor startup and stall conditions.

The device is fully protected from faults and short circuits, including undervoltage lockout (UVLO), overcurrent protection (OCP), and thermal shutdown (TSD). Faults are communicated by pulling the nFAULT output low. When the fault condition is removed, the device automatically resumes normal operation.

Subscribe to Welllinkchips !
Your Name
* Email
Submit a request