0
DRV8320
  • DRV8320
  • DRV8320
  • DRV8320

DRV8320

ACTIVE

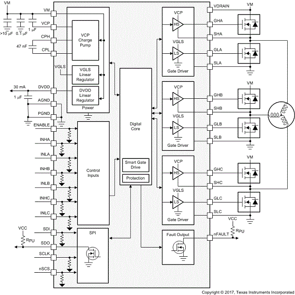
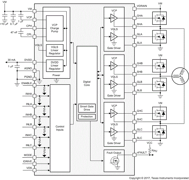
65-V max 3-phase smart gate driver

Texas Instruments DRV8320 Product Info

1 April 2026 3

Parameters

Rating

Catalog

Architecture

Gate driver

Control interface

1xPWM, 3xPWM, 6xPWM

Gate drive (A)

1

Vs (min) (V)

6

Vs ABS (max) (V)

65

Features

Hardware Management I/F, SPI/I2C, Smart Gate Drive

Operating temperature range (°C)

-40 to 125

Package

WQFN (RTV)-32-25 mm² 5 x 5

Features

DRV8320

Description

DRV8320:65-V max 3-phase smart gate driver.Package:WQFN (RTV)-32-25 mm² 5 x 5

Subscribe to Welllinkchips !
Your Name
* Email
Submit a request