0
DRV8305-Q1
  • DRV8305-Q1
  • DRV8305-Q1

DRV8305-Q1

ACTIVE

Automotive 12-V battery 3-phase smart gate driver (grade 0 & grade 1)

Texas Instruments DRV8305-Q1 Product Info

1 April 2026 0

Parameters

Rating

Automotive

Architecture

Gate driver

Control interface

1xPWM, 3xPWM, 6xPWM

Gate drive (A)

1

Vs (min) (V)

4.4

Vs ABS (max) (V)

45

Features

Current sense Amplifier, LDO, SPI/I2C, Smart Gate Drive, Watchdog timer

Operating temperature range (°C)

-40 to 150

Package

HTQFP (PHP)-48-81 mm² 9 x 9

Features

  • AEC-Q100 qualified for automotive applications
  • Ambient operating temperature ranges:
    • Temperature grade 0 (E): –40°C to +150°C
    • Temperature grade 1 (Q): –40°C to +125°C
  • 4.4-V to 45-V operating voltage
  • 1.25-A and 1-A Peak gate drive currents
  • Smart gate drive architecture (IDRIVE & TDRIVE)
  • Programmable high- and low-side slew-rate control
  • Charge-pump gate driver for 100% duty cycle
  • Three integrated current-shunt amplifiers
  • Integrated 50-mA LDO (3.3-V and 5-V option)
  • 3-PWM or 6-PWM input control up to 200 kHz
  • Single PWM-mode commutation capability
  • Serial Peripheral Interface (SPI) for device settings and fault reporting
  • Thermally-enhanced 48-Pin HTQFP
  • Protection features:
    • Fault diagnostics and MCU watchdog
    • Programmable dead-time control
    • MOSFET shoot-through prevention
    • MOSFET VDS overcurrent monitors
    • Gate-driver fault detection
    • Reverse battery-protection support
    • Limp home-mode support
    • Overtemperature warning and shutdown
  • AEC-Q100 qualified for automotive applications
  • Ambient operating temperature ranges:
    • Temperature grade 0 (E): –40°C to +150°C
    • Temperature grade 1 (Q): –40°C to +125°C
  • 4.4-V to 45-V operating voltage
  • 1.25-A and 1-A Peak gate drive currents
  • Smart gate drive architecture (IDRIVE & TDRIVE)
  • Programmable high- and low-side slew-rate control
  • Charge-pump gate driver for 100% duty cycle
  • Three integrated current-shunt amplifiers
  • Integrated 50-mA LDO (3.3-V and 5-V option)
  • 3-PWM or 6-PWM input control up to 200 kHz
  • Single PWM-mode commutation capability
  • Serial Peripheral Interface (SPI) for device settings and fault reporting
  • Thermally-enhanced 48-Pin HTQFP
  • Protection features:
    • Fault diagnostics and MCU watchdog
    • Programmable dead-time control
    • MOSFET shoot-through prevention
    • MOSFET VDS overcurrent monitors
    • Gate-driver fault detection
    • Reverse battery-protection support
    • Limp home-mode support
    • Overtemperature warning and shutdown

Description

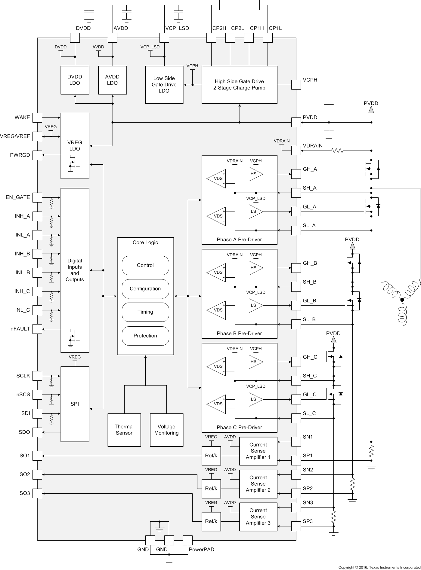
The DRV8305-Q1 device is a gate driver IC for three-phase motor-drive applications. The device provides three high-accuracy half-bridge drivers, each capable of driving a high-side and low-side N-channel MOSFET. A charge pump driver supports 100% duty cycle and low-voltage operation for cold crank situations. The device can tolerate load dump voltages up to 45-V.

The DRV8305-Q1 device includes three bidirectional current-shunt amplifiers for accurate low-side current measurements that support variable gain settings and an adjustable offset reference.

The DRV8305-Q1 device has an integrated voltage regulator to support an MCU or other system power requirements. The voltage regulator can be interfaced directly with a LIN physical interface to allow low-system standby and sleep currents.

The gate driver uses automatic handshaking when switching to prevent current shoot through. The VDS of both the high-side and low-side MOSFETs is accurately sensed to protect the external MOSFETs from overcurrent conditions. The SPI provides detailed fault reporting, diagnostics, and device configurations such as gain options for the current shunt amplifier, individual MOSFET overcurrent detection, and gate-drive slew-rate control.

Device Options:

  • DRV8305NQ: Grade 1 with voltage reference
  • DRV83053Q: Grade 1 with 3.3-V, 50-mA LDO
  • DRV83055Q: Grade 1 with 5-V, 50-mA LDO
  • DRV8305NE: Grade 0 with voltage reference

The DRV8305-Q1 device is a gate driver IC for three-phase motor-drive applications. The device provides three high-accuracy half-bridge drivers, each capable of driving a high-side and low-side N-channel MOSFET. A charge pump driver supports 100% duty cycle and low-voltage operation for cold crank situations. The device can tolerate load dump voltages up to 45-V.

The DRV8305-Q1 device includes three bidirectional current-shunt amplifiers for accurate low-side current measurements that support variable gain settings and an adjustable offset reference.

The DRV8305-Q1 device has an integrated voltage regulator to support an MCU or other system power requirements. The voltage regulator can be interfaced directly with a LIN physical interface to allow low-system standby and sleep currents.

The gate driver uses automatic handshaking when switching to prevent current shoot through. The VDS of both the high-side and low-side MOSFETs is accurately sensed to protect the external MOSFETs from overcurrent conditions. The SPI provides detailed fault reporting, diagnostics, and device configurations such as gain options for the current shunt amplifier, individual MOSFET overcurrent detection, and gate-drive slew-rate control.

Device Options:

  • DRV8305NQ: Grade 1 with voltage reference
  • DRV83053Q: Grade 1 with 3.3-V, 50-mA LDO
  • DRV83055Q: Grade 1 with 5-V, 50-mA LDO
  • DRV8305NE: Grade 0 with voltage reference

Subscribe to Welllinkchips !
Your Name
* Email
Submit a request