0
DRV8303
  • DRV8303
  • DRV8303

DRV8303

ACTIVE

65-V max 3-phase gate driver with current shunt amplifiers & SPI

Texas Instruments DRV8303 Product Info

1 April 2026 1

Parameters

Rating

Catalog

Architecture

Gate driver

Control interface

3xPWM, 6xPWM

Gate drive (A)

1.7

Vs (min) (V)

6

Vs ABS (max) (V)

65

Features

Current sense Amplifier, SPI/I2C

Operating temperature range (°C)

-40 to 125

Package

HTSSOP (DCA)-48-101.25 mm² 12.5 x 8.1

Features

  • 6-V to 60-V Operating Supply Voltage Range
  • 1.7-A Source and 2.3-A Sink Gate Drive Current Capability
  • Slew Rate Control for EMI Reduction
  • Bootstrap Gate Driver With 100% Duty Cycle Support
  • 6 or 3 PWM Input Modes
  • Dual Integrated Current-Shunt Amplifiers With Adjustable Gain and Offset
  • 3.3-V and 5-V Interface Support
  • Serial Peripheral Interface (SPI)
  • Protection Features:
    • Programmable Dead Time Control (DTC)
    • Programmable Overcurrent Protection (OCP)
    • PVDD and GVDD Undervoltage Lockout (UVLO)
    • GVDD Overvoltage Lockout (OVLO)
    • Overtemperature Warning/Shutdown (OTW/OTS)
    • Reported through nFAULT, nOCTW, and SPI Registers

All trademarks are the property of their respective owners.

  • 6-V to 60-V Operating Supply Voltage Range
  • 1.7-A Source and 2.3-A Sink Gate Drive Current Capability
  • Slew Rate Control for EMI Reduction
  • Bootstrap Gate Driver With 100% Duty Cycle Support
  • 6 or 3 PWM Input Modes
  • Dual Integrated Current-Shunt Amplifiers With Adjustable Gain and Offset
  • 3.3-V and 5-V Interface Support
  • Serial Peripheral Interface (SPI)
  • Protection Features:
    • Programmable Dead Time Control (DTC)
    • Programmable Overcurrent Protection (OCP)
    • PVDD and GVDD Undervoltage Lockout (UVLO)
    • GVDD Overvoltage Lockout (OVLO)
    • Overtemperature Warning/Shutdown (OTW/OTS)
    • Reported through nFAULT, nOCTW, and SPI Registers

All trademarks are the property of their respective owners.

Description

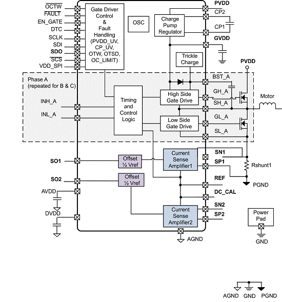
The DRV8303 is a gate driver IC for three-phase motor-drive applications. The device provides three half bridge drivers, each capable of driving two N-channel MOSFETs. The device supports up to 1.7-A source and 2.3-A peak current capability. The DRV8303 can operate off of a single power supply with a wide range from 6-V to 60-V. It uses a bootstrap gate-driver architecture with trickle charge circuitry to support 100% duty cycle. The DRV8303 uses automatic hand shaking when the high-side or low-side MOSFET is switching to prevent current shoot through. Integrated VDS sensing of the high-side and low-side MOSFETs is used to protect the external power stage against overcurrent conditions.

The DRV8303 includes two current-shunt amplifiers for accurate current measurement. The amplifiers support bi-directional current sensing and provide and adjustable output offset up to 3 V.

The serial peripheral interface (SPI) provides detailed fault reporting and flexible parameter settings such as gain options for the current-shunt amplifiers and slew-rate control of the gate drivers.

For all available packages, see the orderable addendum at the end of the data sheet.

The DRV8303 is a gate driver IC for three-phase motor-drive applications. The device provides three half bridge drivers, each capable of driving two N-channel MOSFETs. The device supports up to 1.7-A source and 2.3-A peak current capability. The DRV8303 can operate off of a single power supply with a wide range from 6-V to 60-V. It uses a bootstrap gate-driver architecture with trickle charge circuitry to support 100% duty cycle. The DRV8303 uses automatic hand shaking when the high-side or low-side MOSFET is switching to prevent current shoot through. Integrated VDS sensing of the high-side and low-side MOSFETs is used to protect the external power stage against overcurrent conditions.

The DRV8303 includes two current-shunt amplifiers for accurate current measurement. The amplifiers support bi-directional current sensing and provide and adjustable output offset up to 3 V.

The serial peripheral interface (SPI) provides detailed fault reporting and flexible parameter settings such as gain options for the current-shunt amplifiers and slew-rate control of the gate drivers.

For all available packages, see the orderable addendum at the end of the data sheet.

Subscribe to Welllinkchips !
Your Name
* Email
Submit a request