0
TPD8S300
  • TPD8S300
  • TPD8S300

TPD8S300

ACTIVE

USB Type-C™ port protector: short-to-VBUS overvoltage and 8-ch ESD protection

Texas Instruments TPD8S300 Product Info

1 April 2026 0

Parameters

Interface type

USB Type-C

Features

CC dead battery resistors, Overvoltage protection, Short-to-VBUS

Number of switches

4

Rating

Catalog

IEC 61000-4-2 contact (±V)

8000

IEC 61000-4-2 air-gap (±V)

15000

Bi-/uni-directional

Unidirectional

Clamping voltage (V)

8

IO capacitance (typ) (pF)

1.5

Operating temperature range (°C)

-40 to 85

Package

WQFN (RUK)-20-9 mm² 3 x 3

Features

  • 4-Channels of Short-to-VBUS Overvoltage Protection (CC1, CC2, SBU1, SBU2): 24-VDC Tolerant
  • 8-Channels of IEC 61000-4-2 ESD Protection (CC1, CC2, SBU1, SBU2, DP_T, DM_T, DP_B, DM_B)
  • CC1, CC2 Overvoltage Protection FETs 600 mA capable for passing VCONN power
  • CC Dead Battery Resistors integrated for handling dead battery use case in mobile devices
  • 3-mm × 3-mm WQFN Package
  • 4-Channels of Short-to-VBUS Overvoltage Protection (CC1, CC2, SBU1, SBU2): 24-VDC Tolerant
  • 8-Channels of IEC 61000-4-2 ESD Protection (CC1, CC2, SBU1, SBU2, DP_T, DM_T, DP_B, DM_B)
  • CC1, CC2 Overvoltage Protection FETs 600 mA capable for passing VCONN power
  • CC Dead Battery Resistors integrated for handling dead battery use case in mobile devices
  • 3-mm × 3-mm WQFN Package

Description

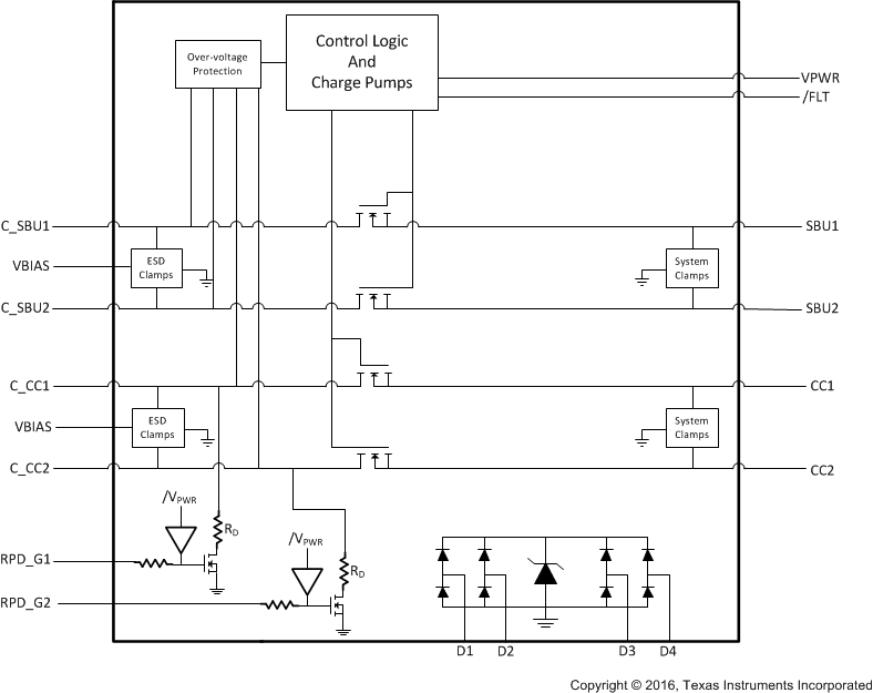
The TPD8S300 is a single chip USB Type-C port protection solution that provides 20-V Short-to-VBUS overvoltage and IEC ESD protection.

Since the release of the USB Type-C connector, many products and accessories for USB Type-C have been released which do not meet the USB Type-C specification. One example of this is USB Type-C Power Delivery adaptors that only place 20 V on the VBUS line. Another concern for USB Type-C is that mechanical twisting and sliding of the connector could short pins due to the close proximity they have in this small connector. This can cause 20-V VBUS to be shorted to the CC and SBU pins. Also, due to the close proximity of the pins in the Type-C connector, there is a heightened concern that debris and moisture will cause the 20-V VBUS pin to be shorted to the CC and SBU pins.

These non-ideal equipments and mechanical events make it necessary for the CC and SBU pins to be 20-V tolerant, even though they only operate at 5 V or lower. The TPD8S300 enables the CC and SBU pins to be 20-V tolerant without interfering with normal operation by providing overvoltage protection on the CC and SBU pins. The device places high voltage FETs in series on the SBU and CC lines. When a voltage above the OVP threshold is detected on these lines, the high voltage switches are opened up, isolating the rest of the system from the high voltage condition present on the connector.

Finally, most systems require IEC 61000-4-2 system level ESD protection for their external pins. The TPD8S300 integrates IEC 61000-4-2 ESD protection for the CC1, CC2, SBU1, SBU2, DP_T (Top side D+), DM_T (Top Side D–), DP_B (Bottom Side D+), DM_B (Bottom Side D–) pins, removing the need to place high voltage TVS diodes externally on the connector.

The TPD8S300 is a single chip USB Type-C port protection solution that provides 20-V Short-to-VBUS overvoltage and IEC ESD protection.

Since the release of the USB Type-C connector, many products and accessories for USB Type-C have been released which do not meet the USB Type-C specification. One example of this is USB Type-C Power Delivery adaptors that only place 20 V on the VBUS line. Another concern for USB Type-C is that mechanical twisting and sliding of the connector could short pins due to the close proximity they have in this small connector. This can cause 20-V VBUS to be shorted to the CC and SBU pins. Also, due to the close proximity of the pins in the Type-C connector, there is a heightened concern that debris and moisture will cause the 20-V VBUS pin to be shorted to the CC and SBU pins.

These non-ideal equipments and mechanical events make it necessary for the CC and SBU pins to be 20-V tolerant, even though they only operate at 5 V or lower. The TPD8S300 enables the CC and SBU pins to be 20-V tolerant without interfering with normal operation by providing overvoltage protection on the CC and SBU pins. The device places high voltage FETs in series on the SBU and CC lines. When a voltage above the OVP threshold is detected on these lines, the high voltage switches are opened up, isolating the rest of the system from the high voltage condition present on the connector.

Finally, most systems require IEC 61000-4-2 system level ESD protection for their external pins. The TPD8S300 integrates IEC 61000-4-2 ESD protection for the CC1, CC2, SBU1, SBU2, DP_T (Top side D+), DM_T (Top Side D–), DP_B (Bottom Side D+), DM_B (Bottom Side D–) pins, removing the need to place high voltage TVS diodes externally on the connector.

Subscribe to Welllinkchips !
Your Name
* Email
Submit a request