0
LM25101
  • LM25101
  • LM25101
  • LM25101
  • LM25101
  • LM25101
  • LM25101

LM25101

ACTIVE

3-A, 2-A or 1-A half bridge gate driver with 8-V UVLO and TTL inputs

Texas Instruments LM25101 Product Info

1 April 2026 1

Parameters

Bootstrap supply voltage (max) (V)

100

Power switch

MOSFET

Input supply voltage (min) (V)

9

Input supply voltage (max) (V)

14

Peak output current (A)

3

Operating temperature range (°C)

-40 to 125

Undervoltage lockout (typ) (V)

8

Rating

Catalog

Propagation delay time (µs)

0.022

Rise time (ns)

8

Fall time (ns)

8

Iq (mA)

0.01

Input threshold

TTL

Channel input logic

TTL

Switch node voltage (V)

-1

Driver configuration

Dual, Noninverting

Package

HSOIC (DDA)-8-29.4 mm² 4.9 x 6

Features

  • Independent High and Low Driver Logic Inputs
  • Bootstrap Supply Voltage up to 100-V DC
  • Drives Both a High-Side and Low-Side N-Channel MOSFETs
  • Fast Propagation Times (25 ns Typical)
  • Drives 1000-pF Load With 8-ns Rise and Fall Times
  • Excellent Propagation Delay Matching (3 ns Typical)
  • Supply Rail Undervoltage Lockout
  • Low Power Consumption
  • Pin Compatible With HIP2100 and HIP2101
  • Independent High and Low Driver Logic Inputs
  • Bootstrap Supply Voltage up to 100-V DC
  • Drives Both a High-Side and Low-Side N-Channel MOSFETs
  • Fast Propagation Times (25 ns Typical)
  • Drives 1000-pF Load With 8-ns Rise and Fall Times
  • Excellent Propagation Delay Matching (3 ns Typical)
  • Supply Rail Undervoltage Lockout
  • Low Power Consumption
  • Pin Compatible With HIP2100 and HIP2101

Description

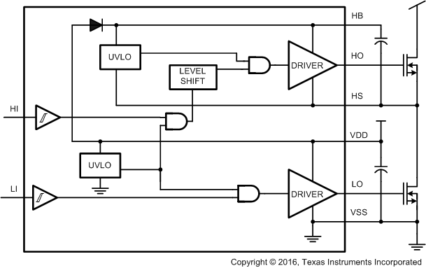
The LM25101 high-voltage gate driver is designed to drive both the high-side and the low-side N-Channel MOSFETs in a synchronous buck or a half-bridge configuration. The A version provides a full 3-A of gate drive while the B and C versions provide 2-A and 1-A, respectively. The outputs are independently controlled with TTL input thresholds. An integrated high voltage diode is provided to charge the high-side gate drive bootstrap capacitor. A robust level shifter operates at high speed while consuming low power and providing clean level transitions from the control logic to the high-side gate driver. Undervoltage lockout is provided on both the low-side and the high-side power rails.

These devices are available in the standard 8-pin SOIC, 8-pin SO-PowerPAD, 8-pin WSON, 10-pin WSON, and 8-pin MSOP PowerPAD packages.

The LM25101 high-voltage gate driver is designed to drive both the high-side and the low-side N-Channel MOSFETs in a synchronous buck or a half-bridge configuration. The A version provides a full 3-A of gate drive while the B and C versions provide 2-A and 1-A, respectively. The outputs are independently controlled with TTL input thresholds. An integrated high voltage diode is provided to charge the high-side gate drive bootstrap capacitor. A robust level shifter operates at high speed while consuming low power and providing clean level transitions from the control logic to the high-side gate driver. Undervoltage lockout is provided on both the low-side and the high-side power rails.

These devices are available in the standard 8-pin SOIC, 8-pin SO-PowerPAD, 8-pin WSON, 10-pin WSON, and 8-pin MSOP PowerPAD packages.

Subscribe to Welllinkchips !
Your Name
* Email
Submit a request