0
DRV11873
  • DRV11873
  • DRV11873
  • DRV11873

DRV11873

ACTIVE

12-V nominal, 2-A peak sensorless trapezoidal control 3-phase BLDC motor driver

Texas Instruments DRV11873 Product Info

1 April 2026 0

Parameters

Rating

Catalog

Architecture

Integrated FET

Control topology

Sensorless, Trapezoidal

Control interface

1xPWM

Vs (min) (V)

5

Vs ABS (max) (V)

20

Features

Integrated FETs, Integrated Motor Control, Rotor Lock Protection, Tach/FG Feedback

Operating temperature range (°C)

-40 to 85

Package

HTSSOP (PWP)-16-32 mm² 5 x 6.4

Features

  • Input Voltage Range: 5 to 16 V
  • Six Integrated MOSFETs With 1.5-A Continuous
    Output Current
  • Total Driver H + L RDSON 450 mΩ
  • Sensorless Proprietary BMEF Control Scheme
  • 150° Commutation
  • Synchronous Rectification PWM Operation
  • FG and RD Open-Drain Output
  • 5-V LDO for External Use up to 20 mA
  • PWMIN Input from 7 to 100 kHz
  • Overcurrent Protection With Adjustable Limit
    Through External Resistor
  • Lock Detection
  • Voltage Surge Protection
  • UVLO
  • Thermal Shutdown
  • Input Voltage Range: 5 to 16 V
  • Six Integrated MOSFETs With 1.5-A Continuous
    Output Current
  • Total Driver H + L RDSON 450 mΩ
  • Sensorless Proprietary BMEF Control Scheme
  • 150° Commutation
  • Synchronous Rectification PWM Operation
  • FG and RD Open-Drain Output
  • 5-V LDO for External Use up to 20 mA
  • PWMIN Input from 7 to 100 kHz
  • Overcurrent Protection With Adjustable Limit
    Through External Resistor
  • Lock Detection
  • Voltage Surge Protection
  • UVLO
  • Thermal Shutdown

Description

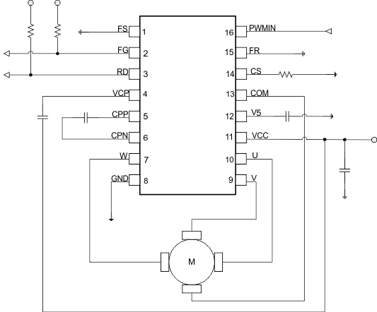
DRV11873 is a three-phase, sensorless motor driver with integrated power MOSFETs with drive current capability up to 1.5-A continuous and 2-A peak. DRV11873 is specifically designed for fan motor drive applications with low noise and low external component count. DRV11873 has built-in overcurrent protection with no external current sense resistor needed. The synchronous rectification mode of operation achieves increased efficiency for motor driver applications. DRV11873 outputs FG and RD to indicate motor status with open-drain output. A 150° sensorless BEMF control scheme is implemented for a three-phase motor. DRV11873 is available in the thermally-efficient 16-pin TSSOP package. The operation temperature is specified from –40°C to 125°C.

DRV11873 is a three-phase, sensorless motor driver with integrated power MOSFETs with drive current capability up to 1.5-A continuous and 2-A peak. DRV11873 is specifically designed for fan motor drive applications with low noise and low external component count. DRV11873 has built-in overcurrent protection with no external current sense resistor needed. The synchronous rectification mode of operation achieves increased efficiency for motor driver applications. DRV11873 outputs FG and RD to indicate motor status with open-drain output. A 150° sensorless BEMF control scheme is implemented for a three-phase motor. DRV11873 is available in the thermally-efficient 16-pin TSSOP package. The operation temperature is specified from –40°C to 125°C.

Subscribe to Welllinkchips !
Your Name
* Email
Submit a request