0
ADS52J91
  • ADS52J91
  • ADS52J91

ADS52J91

ACTIVE

10-bit, 12-bit, and 14-bit, multichannel, low-power ADC with LVDS and JESD outputs

Texas Instruments ADS52J91 Product Info

1 April 2026 0

Parameters

Sample rate (max) (Msps)

100

Resolution (Bits)

10, 14

Number of input channels

8, 16, 32

Interface type

JESD204B, Serial LVDS

Analog input BW (MHz)

70

Features

Low Power

Rating

Catalog

Peak-to-peak input voltage range (V)

2

Power consumption (typ) (mW)

656

Architecture

SAR

SNR (dB)

73.5

ENOB (Bits)

10, 12, 14

SFDR (dB)

91.8

Operating temperature range (°C)

0 to 70

Input buffer

No

Package

NFBGA (ZZE)-198-135 mm² 9 x 15

Features

  • 16-Channel ADC configurable to convert 8, 16, or 32 inputs
  • Maximum ADC Conversion Rate:
    • 125 MSPS in 10-bit mode
    • 100 MSPS in 12-bit mode
    • 65 MSPS in 14-bit mode
  • Supplies: 1.2 V, 1.8 V
  • Differential or single-ended input Clock
  • Signal-to-noise ratio (SNR):
    • 61 dBFS in 10-bit mode
    • 69 dBFS in 12-bit mode
    • 73.5 dBFS in 14-Bit Mode
  • Power at 125 MSPS: 48.6 mW/channel
  • 16 ADCs configurable to convert:
    • 8 Inputs with a sampling rate of a 2X ADC conversion rate
    • 16 Inputs with a sampling rate of a 1X ADC conversion rate
    • 32 Inputs with a sampling rate of a 0.5X ADC conversion rate
  • 1 Gbps LVDS interface with 16X, 14X, 12X, and 10X serialization
  • 5 Gbps JESD interface:
    • JESD204B Subclass 0, 1, and 2
    • 2, 4, or 8 Channels per JESD lane
  • Package: NFBGA-198 (9 mm × 15 mm)
  • 16-Channel ADC configurable to convert 8, 16, or 32 inputs
  • Maximum ADC Conversion Rate:
    • 125 MSPS in 10-bit mode
    • 100 MSPS in 12-bit mode
    • 65 MSPS in 14-bit mode
  • Supplies: 1.2 V, 1.8 V
  • Differential or single-ended input Clock
  • Signal-to-noise ratio (SNR):
    • 61 dBFS in 10-bit mode
    • 69 dBFS in 12-bit mode
    • 73.5 dBFS in 14-Bit Mode
  • Power at 125 MSPS: 48.6 mW/channel
  • 16 ADCs configurable to convert:
    • 8 Inputs with a sampling rate of a 2X ADC conversion rate
    • 16 Inputs with a sampling rate of a 1X ADC conversion rate
    • 32 Inputs with a sampling rate of a 0.5X ADC conversion rate
  • 1 Gbps LVDS interface with 16X, 14X, 12X, and 10X serialization
  • 5 Gbps JESD interface:
    • JESD204B Subclass 0, 1, and 2
    • 2, 4, or 8 Channels per JESD lane
  • Package: NFBGA-198 (9 mm × 15 mm)

Description

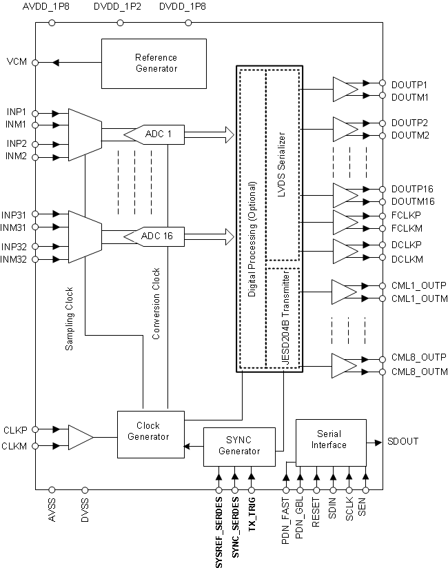
The ADS52J91 is a low-power, high-performance, 16-channel, analog-to-digital converter (ADC). The conversion rate of each ADC goes up to a maximum of 125 MSPS in 10-bit mode. The maximum conversion rate reduces when the ADC resolution is set to a higher value.

The device can be configured to accept 8, 16, or 32 inputs. In 32-input mode, each ADC alternately samples and converts two different inputs each at an effective sampling rate that is half of the ADC conversion rate. In 8-bit input mode, two ADCs convert the same input in an interleaved manner, resulting in an effective sampling rate that is twice the ADC conversion rate. The ADC is designed to scale its power with the conversion rate.

The ADC outputs are serialized and output through a low-voltage differential signaling (LVDS) interface along with a frame clock and a high-speed bit clock.

The device also has an optional JESD204B interface while operating in the 16-input and 32-input modes. This interface runs up to 5 Gbps

The device is available in a 9-mm × 15-mm, 0.8-mm pitch, NFBGA-198 package

The ADS52J91 is a low-power, high-performance, 16-channel, analog-to-digital converter (ADC). The conversion rate of each ADC goes up to a maximum of 125 MSPS in 10-bit mode. The maximum conversion rate reduces when the ADC resolution is set to a higher value.

The device can be configured to accept 8, 16, or 32 inputs. In 32-input mode, each ADC alternately samples and converts two different inputs each at an effective sampling rate that is half of the ADC conversion rate. In 8-bit input mode, two ADCs convert the same input in an interleaved manner, resulting in an effective sampling rate that is twice the ADC conversion rate. The ADC is designed to scale its power with the conversion rate.

The ADC outputs are serialized and output through a low-voltage differential signaling (LVDS) interface along with a frame clock and a high-speed bit clock.

The device also has an optional JESD204B interface while operating in the 16-input and 32-input modes. This interface runs up to 5 Gbps

The device is available in a 9-mm × 15-mm, 0.8-mm pitch, NFBGA-198 package

Subscribe to Welllinkchips !
Your Name
* Email
Submit a request