0
DAC7558
  • DAC7558
  • DAC7558

DAC7558

ACTIVE

12-Bit, Octal, Ultralow Glitch, Voltage Output Digital to Analog Converter

Texas Instruments DAC7558 Product Info

1 April 2026 0

Parameters

Resolution (Bits)

12

Number of DAC channels

8

Interface type

SPI

Output type

Buffered Voltage

Output voltage range (V)

0 to 5.5

INL (max) (±LSB)

1

Settling time (µs)

5

Reference type

Ext

Architecture

String

Rating

Catalog

Features

Low glitch, SDO

Sample/update rate (Msps)

0.5

Power consumption (typ) (mW)

4.5

Operating temperature range (°C)

-40 to 105

Product type

General-purpose DAC

Package

VQFN (RHB)-32-25 mm² 5 x 5

Features

  • 2.7-V to 5.5-V Single Supply
  • 12-Bit Linearity and Monotonicity
  • Rail-to-Rail Voltage Output
  • Settling Time: 5 µs (Max)
  • Ultralow Glitch Energy: 0.1 nVs
  • Ultralow Crosstalk: -100 dB
  • Low Power: 1.8 mA (Max)
  • Per-Channel Power Down: 2 µA (Max)
  • Power-On Reset to Zero Scale and Mid Scale
  • SPI-Compatible Serial Interface: Up to 50 MHz
  • Simultaneous or Sequential Update
  • Asynchronous Clear
  • Binary and Twos-Complement Capability
  • Daisy-Chain Operation
  • 1.8-V to 5.5-V Logic Compatibility
  • Specified Temperature Range: -40°C to 105°C
  • Small, 5-mm x 5-mm, 32-Lead QFN Package
  • APPLICATIONS
    • Portable Battery-Powered Instruments
    • Digital Gain and Offset Adjustment
    • Programmable Voltage and Current Sources
    • Programmable Attenuators
    • Industrial Process Control

Microwire is a trademark of National Semiconductor Corp..

  • 2.7-V to 5.5-V Single Supply
  • 12-Bit Linearity and Monotonicity
  • Rail-to-Rail Voltage Output
  • Settling Time: 5 µs (Max)
  • Ultralow Glitch Energy: 0.1 nVs
  • Ultralow Crosstalk: -100 dB
  • Low Power: 1.8 mA (Max)
  • Per-Channel Power Down: 2 µA (Max)
  • Power-On Reset to Zero Scale and Mid Scale
  • SPI-Compatible Serial Interface: Up to 50 MHz
  • Simultaneous or Sequential Update
  • Asynchronous Clear
  • Binary and Twos-Complement Capability
  • Daisy-Chain Operation
  • 1.8-V to 5.5-V Logic Compatibility
  • Specified Temperature Range: -40°C to 105°C
  • Small, 5-mm x 5-mm, 32-Lead QFN Package
  • APPLICATIONS
    • Portable Battery-Powered Instruments
    • Digital Gain and Offset Adjustment
    • Programmable Voltage and Current Sources
    • Programmable Attenuators
    • Industrial Process Control

Microwire is a trademark of National Semiconductor Corp..

Description

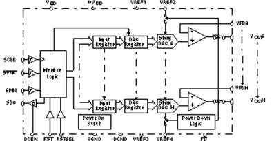
The DAC7558 is a 12-bit, octal-channel, voltage output DAC with exceptional linearity and monotonicity. Its proprietary architecture minimizes undesired transients such as code to code glitch and channel to channel crosstalk. The low-power DAC7558 operates from a single 2.7-V to 5.5-V supply. The DAC7558 output amplifiers can drive a 2-, 200-pF load rail-to-rail with 5-µs settling time; the output range is set using an external voltage reference.

The 3-wire serial interface operates at clock rates up to 50 MHz and is compatible with SPI, QSPI, Microwire™, and DSP interface standards. The outputs of all DACs may be updated simultaneously or sequentially. The parts incorporate a power-on-reset circuit to ensure that the DAC outputs power up to zero volts and remain there until a valid write cycle to the device takes place. The parts contain a power-down feature that reduces the current consumption of the device to under 2 µA.

The small size and low-power operation makes the DAC7558 ideally suited for battery-operated portable applications. The power consumption is typically 7.5 mW at 5 V, 3.7 mW at 3 V, and reduces to 1 µW in power-down mode.

The DAC7558 is available in a 32-lead QFN package and is specified over -40°C to 105°C.

The DAC7558 is a 12-bit, octal-channel, voltage output DAC with exceptional linearity and monotonicity. Its proprietary architecture minimizes undesired transients such as code to code glitch and channel to channel crosstalk. The low-power DAC7558 operates from a single 2.7-V to 5.5-V supply. The DAC7558 output amplifiers can drive a 2-, 200-pF load rail-to-rail with 5-µs settling time; the output range is set using an external voltage reference.

The 3-wire serial interface operates at clock rates up to 50 MHz and is compatible with SPI, QSPI, Microwire™, and DSP interface standards. The outputs of all DACs may be updated simultaneously or sequentially. The parts incorporate a power-on-reset circuit to ensure that the DAC outputs power up to zero volts and remain there until a valid write cycle to the device takes place. The parts contain a power-down feature that reduces the current consumption of the device to under 2 µA.

The small size and low-power operation makes the DAC7558 ideally suited for battery-operated portable applications. The power consumption is typically 7.5 mW at 5 V, 3.7 mW at 3 V, and reduces to 1 µW in power-down mode.

The DAC7558 is available in a 32-lead QFN package and is specified over -40°C to 105°C.

Subscribe to Welllinkchips !
Your Name
* Email
Submit a request