0
DAC082S085
  • DAC082S085
  • DAC082S085
  • DAC082S085
  • DAC082S085

DAC082S085

ACTIVE

8-Bit Micro Power DUAL Digital-to-Analog Converter with Rail-to-Rail Output

Texas Instruments DAC082S085 Product Info

1 April 2026 1

Parameters

Resolution (Bits)

8

Number of DAC channels

2

Interface type

SPI

Output type

Buffered Voltage

Output voltage range (V)

0 to 5.5

INL (max) (±LSB)

0.5

Settling time (µs)

4.5

Reference type

Ext

Architecture

String

Rating

Catalog

Sample/update rate (Msps)

2.5

Power consumption (typ) (mW)

0.6

Operating temperature range (°C)

-40 to 105

Product type

General-purpose DAC

Package

VSSOP (DGS)-10-14.7 mm² 3 x 4.9

Features

  • Ensured Monotonicity
  • Low Power Operation
  • Rail-to-Rail Voltage Output
  • Power-On Reset to 0 V
  • Simultaneous Output Updating
  • Wide Power Supply Range: 2.7 V to 5.5 V
  • Industry’s Smallest Package
  • Power-Down Modes
  • Key Specifications:
    • Resolution: 8 Bits
    • INL: ±0.5 LSB (Maximum)
    • DNL: 0.18 / –0.13 LSB (Maximum)
    • Settling Time: 4.5 µs (Maximum)
    • Zero Code Error: 15 mV (Maximum)
    • Full-Scale Error: –0.75% FS (Maximum)
    • Supply Power:
      • Normal: 0.6 mW (3 V) / 1.6 mW (5 V)
        (Typical)
      • Power Down: 0.3 µW (3 V) / 0.8 µW (5 V)
        (Typical)
  • Ensured Monotonicity
  • Low Power Operation
  • Rail-to-Rail Voltage Output
  • Power-On Reset to 0 V
  • Simultaneous Output Updating
  • Wide Power Supply Range: 2.7 V to 5.5 V
  • Industry’s Smallest Package
  • Power-Down Modes
  • Key Specifications:
    • Resolution: 8 Bits
    • INL: ±0.5 LSB (Maximum)
    • DNL: 0.18 / –0.13 LSB (Maximum)
    • Settling Time: 4.5 µs (Maximum)
    • Zero Code Error: 15 mV (Maximum)
    • Full-Scale Error: –0.75% FS (Maximum)
    • Supply Power:
      • Normal: 0.6 mW (3 V) / 1.6 mW (5 V)
        (Typical)
      • Power Down: 0.3 µW (3 V) / 0.8 µW (5 V)
        (Typical)

Description

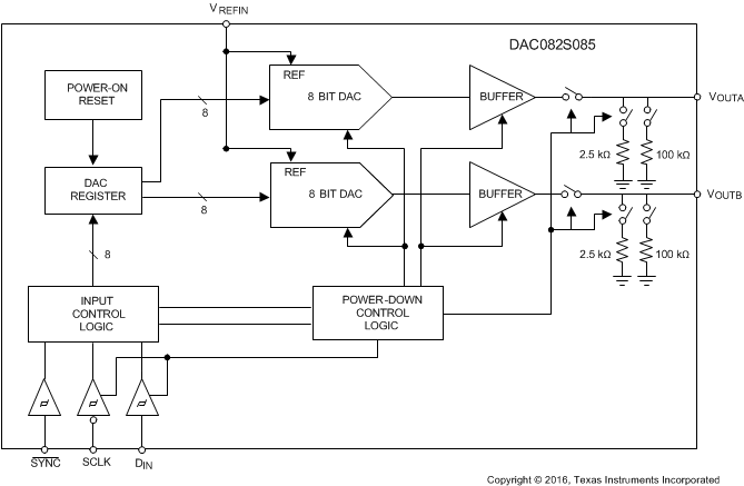
The DAC082S085 device is a full-featured, general-purpose, DUAL, 8-bit, voltage-output, digital-to-analog converter (DAC) that can operate from a single 2.7-V to 5.5-V supply and consumes 0.6 mW at 3 V and 1.6 mW at 5 V. The DAC082S085 is packaged in 10-pin SON and VSSOP packages. The 10-pin WSON package makes the DAC082S085 the smallest DUAL DAC in its class. The on-chip output amplifier allows rail-to-rail output swing, and the three-wire serial interface operates at clock rates up to 40 MHz over the entire supply voltage range. Competitive devices are limited to 25-MHz clock rates at supply voltages in the 2.7 V to 3.6 V range. The serial interface is compatible with standard SPI™, QSPI, MICROWIRE, and DSP interfaces.

The DAC082S085 device is a full-featured, general-purpose, DUAL, 8-bit, voltage-output, digital-to-analog converter (DAC) that can operate from a single 2.7-V to 5.5-V supply and consumes 0.6 mW at 3 V and 1.6 mW at 5 V. The DAC082S085 is packaged in 10-pin SON and VSSOP packages. The 10-pin WSON package makes the DAC082S085 the smallest DUAL DAC in its class. The on-chip output amplifier allows rail-to-rail output swing, and the three-wire serial interface operates at clock rates up to 40 MHz over the entire supply voltage range. Competitive devices are limited to 25-MHz clock rates at supply voltages in the 2.7 V to 3.6 V range. The serial interface is compatible with standard SPI™, QSPI, MICROWIRE, and DSP interfaces.

Subscribe to Welllinkchips !
Your Name
* Email
Submit a request