0
DAC0800
  • DAC0800
  • DAC0800
  • DAC0800
  • DAC0800
  • DAC0800

DAC0800

ACTIVE

8-Bit D/A Converter

Texas Instruments DAC0800 Product Info

1 April 2026 2

Parameters

Resolution (Bits)

8

Number of DAC channels

1

Interface type

Parallel

Output type

Unbuffered Current

Output voltage range (V)

-18 to 18

INL (max) (±LSB)

0.5

Settling time (µs)

0.1

Reference type

Ext

Architecture

Multiplying DAC

Rating

Catalog

Features

Current Output

Sample/update rate (Msps)

6.6

Power consumption (typ) (mW)

33

Operating temperature range (°C)

0 to 70

Product type

General-purpose DAC

Package

PDIP (NFG)-16-52.451 mm² 6.35 x 8.26

Features

  • Fast Settling Output Current: 100 ns
  • Full Scale Error: ±1 LSB
  • Nonlinearity Over Temperature: ±0.1%
  • Full Scale Current Drift: ±10 ppm/°C
  • High Output Compliance: −10V to +18V
  • Complementary Current Outputs
  • Interface Directly with TTL, CMOS, PMOS and Others
  • 2 Quadrant Wide Range Multiplying Capability
  • Wide Power Supply Range: ±4.5V to ±18V
  • Low Power Consumption: 33 mW at ±5V
  • Low Cost

All trademarks are the property of their respective owners.

  • Fast Settling Output Current: 100 ns
  • Full Scale Error: ±1 LSB
  • Nonlinearity Over Temperature: ±0.1%
  • Full Scale Current Drift: ±10 ppm/°C
  • High Output Compliance: −10V to +18V
  • Complementary Current Outputs
  • Interface Directly with TTL, CMOS, PMOS and Others
  • 2 Quadrant Wide Range Multiplying Capability
  • Wide Power Supply Range: ±4.5V to ±18V
  • Low Power Consumption: 33 mW at ±5V
  • Low Cost

All trademarks are the property of their respective owners.

Description

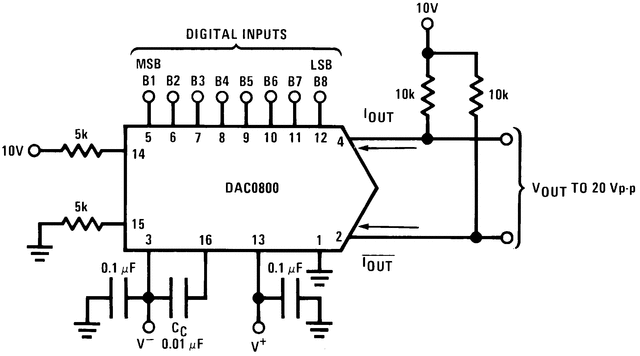
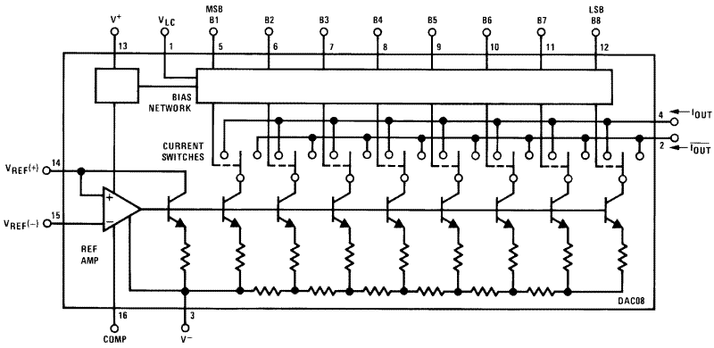
The DAC0800 series are monolithic 8-bit high-speed current-output digital-to-analog converters (DAC) featuring typical settling times of 100 ns. When used as a multiplying DAC, monotonic performance over a 40 to 1 reference current range is possible. The DAC0800 series also features high compliance complementary current outputs to allow differential output voltages of 20 Vp-p with simple resistor loads. The reference-to-full-scale current matching of better than ±1 LSB eliminates the need for full-scale trims in most applications, while the nonlinearities of better than ±0.1% over temperature minimizes system error accumulations.

The noise immune inputs will accept a variety of logic levels. The performance and characteristics of the device are essentially unchanged over the ±4.5V to ±18V power supply range and power consumption at only 33 mW with ±5V supplies is independent of logic input levels.

The DAC0800, DAC0802, DAC0800C and DAC0802C are a direct replacement for the DAC-08, DAC-08A, DAC-08C, and DAC-08H, respectively. For single supply operation, refer to AN-1525.

The DAC0800 series are monolithic 8-bit high-speed current-output digital-to-analog converters (DAC) featuring typical settling times of 100 ns. When used as a multiplying DAC, monotonic performance over a 40 to 1 reference current range is possible. The DAC0800 series also features high compliance complementary current outputs to allow differential output voltages of 20 Vp-p with simple resistor loads. The reference-to-full-scale current matching of better than ±1 LSB eliminates the need for full-scale trims in most applications, while the nonlinearities of better than ±0.1% over temperature minimizes system error accumulations.

The noise immune inputs will accept a variety of logic levels. The performance and characteristics of the device are essentially unchanged over the ±4.5V to ±18V power supply range and power consumption at only 33 mW with ±5V supplies is independent of logic input levels.

The DAC0800, DAC0802, DAC0800C and DAC0802C are a direct replacement for the DAC-08, DAC-08A, DAC-08C, and DAC-08H, respectively. For single supply operation, refer to AN-1525.

Subscribe to Welllinkchips !
Your Name
* Email
Submit a request