0
CSD17559Q5
  • CSD17559Q5
  • CSD17559Q5

CSD17559Q5

ACTIVE

30-V, N channel NexFET™ power MOSFET, single SON 5 mm x 6 mm, 1.5 mOhm

Texas Instruments CSD17559Q5 Product Info

1 April 2026 1

Parameters

VDS (V)

30

VGS (V)

20

Type

N-channel

Configuration

Single

Rds(on) at VGS=10 V (max) (mΩ)

1.15

Rds(on) at VGS=4.5 V (max) (mΩ)

1.5

VGSTH typ (typ) (V)

1.4

QG (typ) (nC)

39

QGD (typ) (nC)

9.3

QGS (typ) (nC)

14.4

ID - silicon limited at TC=25°C (A)

257

ID - package limited (A)

100

Logic level

Yes

Rating

Catalog

Operating temperature range (°C)

-55 to 150

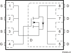
Package

VSON-CLIP (DQH)-8-30 mm² 6 x 5

Features

  • Extremely Low Resistance
  • Ultra-Low Qg and Qgd
  • Low Thermal Resistance
  • Avalanche Rated
  • Pb Free Terminal Plating
  • RoHS Compliant
  • Halogen Free
  • SON 5 mm × 6 mm Plastic Package
  • Extremely Low Resistance
  • Ultra-Low Qg and Qgd
  • Low Thermal Resistance
  • Avalanche Rated
  • Pb Free Terminal Plating
  • RoHS Compliant
  • Halogen Free
  • SON 5 mm × 6 mm Plastic Package

Description

This 30 V, 0.95 mΩ, 5 × 6 mm SON NexFET™ power MOSFET is designed to minimize losses in synchronous rectification and other power conversion applications.

This 30 V, 0.95 mΩ, 5 × 6 mm SON NexFET™ power MOSFET is designed to minimize losses in synchronous rectification and other power conversion applications.

Subscribe to Welllinkchips !
Your Name
* Email
Submit a request