0
CSD17505Q5A
  • CSD17505Q5A
  • CSD17505Q5A

CSD17505Q5A

ACTIVE

30-V, N channel NexFET™ power MOSFET, single SON 5 mm x 6 mm, 3.5 mOhm

Texas Instruments CSD17505Q5A Product Info

1 April 2026 0

Parameters

VDS (V)

30

VGS (V)

20

Type

N-channel

Configuration

Single

Rds(on) at VGS=10 V (max) (mΩ)

3.5

Rds(on) at VGS=4.5 V (max) (mΩ)

4.6

VGSTH typ (typ) (V)

1.3

QG (typ) (nC)

10

QGD (typ) (nC)

2.7

QGS (typ) (nC)

3.5

ID - silicon limited at TC=25°C (A)

100

ID - package limited (A)

100

Logic level

Yes

Rating

Catalog

Operating temperature range (°C)

-55 to 150

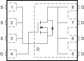
Package

VSONP (DQJ)-8-29.4 mm² 4.9 x 6

Features

  • Ultralow Qg and Qgd
  • Low Thermal Resistance
  • Avalanche Rated
  • Pb Free Terminal Plating
  • RoHS Compliant
  • Halogen Free
  • SON 5-mm × 6-mm Plastic Package
  • APPLICATIONS
    • Point-of-Load Synchronous Buck in Networking, Telecom, and Computing Systems
    • Optimized for Control and Synchronous FET Applications

  • Ultralow Qg and Qgd
  • Low Thermal Resistance
  • Avalanche Rated
  • Pb Free Terminal Plating
  • RoHS Compliant
  • Halogen Free
  • SON 5-mm × 6-mm Plastic Package
  • APPLICATIONS
    • Point-of-Load Synchronous Buck in Networking, Telecom, and Computing Systems
    • Optimized for Control and Synchronous FET Applications

Description

The NexFET power MOSFET has been designed to minimize losses in power conversion applications.

The NexFET power MOSFET has been designed to minimize losses in power conversion applications.