0
CD74HCT4094
  • CD74HCT4094
  • CD74HCT4094
  • CD74HCT4094
  • CD74HCT4094

CD74HCT4094

ACTIVE

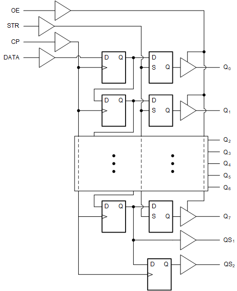
High Speed CMOS Logic 8-Stage Shift-and-Store Bus Register with 3-Stage Outputs

Texas Instruments CD74HCT4094 Product Info

1 April 2026 3

Parameters

Configuration

Serial-in, Parallel-out

Bits (#)

8

Technology family

HCT

Supply voltage (min) (V)

4.5

Supply voltage (max) (V)

5.5

Input type

TTL-Compatible CMOS

Output type

3-State

Clock frequency (MHz)

24

IOL (max) (mA)

4

IOH (max) (mA)

-4

Supply current (max) (µA)

160

Features

Balanced outputs, High speed (tpd 10-50ns), Output register, Positive input clamp diode

Operating temperature range (°C)

-55 to 125

Rating

Catalog

Package

PDIP (N)-16-181.42 mm² 19.3 x 9.4

Features

CD74HCT4094

Description

CD74HCT4094:High Speed CMOS Logic 8-Stage Shift-and-Store Bus Register with 3-Stage Outputs.Package:PDIP (N)-16-181.42 mm² 19.3 x 9.4

Subscribe to Welllinkchips !
Your Name
* Email
Submit a request