0
CD74HCT244
  • CD74HCT244
  • CD74HCT244
  • CD74HCT244
  • CD74HCT244
  • CD74HCT244

CD74HCT244

ACTIVE

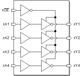
6-ch, 4.5-V to 5.5-V buffers with TTL-compatible CMOS inputs and 3-state outputs

Texas Instruments CD74HCT244 Product Info

1 April 2026 3

Parameters

Technology family

HCT

Supply voltage (min) (V)

4.5

Supply voltage (max) (V)

5.5

Number of channels

6

IOL (max) (mA)

6

Supply current (max) (µA)

160

IOH (max) (mA)

-6

Input type

TTL-Compatible CMOS

Output type

3-State

Features

Balanced outputs, High speed (tpd 10-50ns), Input clamp diode

Rating

Catalog

Operating temperature range (°C)

-55 to 125

Package

PDIP (N)-20-228.702 mm² 24.33 x 9.4

Features

CD74HCT244

Description

CD74HCT244:6-ch, 4.5-V to 5.5-V buffers with TTL-compatible CMOS inputs and 3-state outputs.Package:PDIP (N)-20-228.702 mm² 24.33 x 9.4

Subscribe to Welllinkchips !
Your Name
* Email
Submit a request