0
LMV7239-Q1
  • LMV7239-Q1
  • LMV7239-Q1
  • LMV7239-Q1
  • LMV7239-Q1
  • LMV7239-Q1

LMV7239-Q1

ACTIVE

Automotive-grade, micropower, 75-ns, single rail-to-rail comparator

Texas Instruments LMV7239-Q1 Product Info

1 April 2026 0

Parameters

Number of channels

1

Output type

Push-Pull

Propagation delay time (µs)

0.075

Vs (max) (V)

5.5

Vs (min) (V)

2.7

Rating

Automotive

Features

Small Size

Iq per channel (typ) (mA)

0.065

Vos (offset voltage at 25°C) (max) (mV)

6

Rail-to-rail

In

Operating temperature range (°C)

-40 to 125

Input bias current (±) (max) (nA)

400

VICR (max) (V)

5.6

VICR (min) (V)

-0.1

Package

SOT-23 (DBV)-5-8.12 mm² 2.9 x 2.8

Features

  • Qualified for Automotive Applications
  • AEC-Q100 Qualified With the Following Results:
    • Device Temperature Grade 1: –40°C to 125°C Ambient Operating Temperature Range
    • Device HBM ESD Classification Level 1C
    • Device CDM ESD Classification Level C5 for the DBV Package
  • VS = 5 V, TA = 25°C (Typical Values Unless Otherwise Specified)
  • Propagation Delay: 75 ns
  • Low supply Current: 65 µA
  • Rail-to-Rail Input
  • Open Drain and Push-Pull Output
  • Ideal for 2.7-V and 5-V, Single-Supply Applications
  • Available in Space-Saving Packages:
    • 5-Pin SOT-23
    • 5-Pin SC70
  • Qualified for Automotive Applications
  • AEC-Q100 Qualified With the Following Results:
    • Device Temperature Grade 1: –40°C to 125°C Ambient Operating Temperature Range
    • Device HBM ESD Classification Level 1C
    • Device CDM ESD Classification Level C5 for the DBV Package
  • VS = 5 V, TA = 25°C (Typical Values Unless Otherwise Specified)
  • Propagation Delay: 75 ns
  • Low supply Current: 65 µA
  • Rail-to-Rail Input
  • Open Drain and Push-Pull Output
  • Ideal for 2.7-V and 5-V, Single-Supply Applications
  • Available in Space-Saving Packages:
    • 5-Pin SOT-23
    • 5-Pin SC70

Description

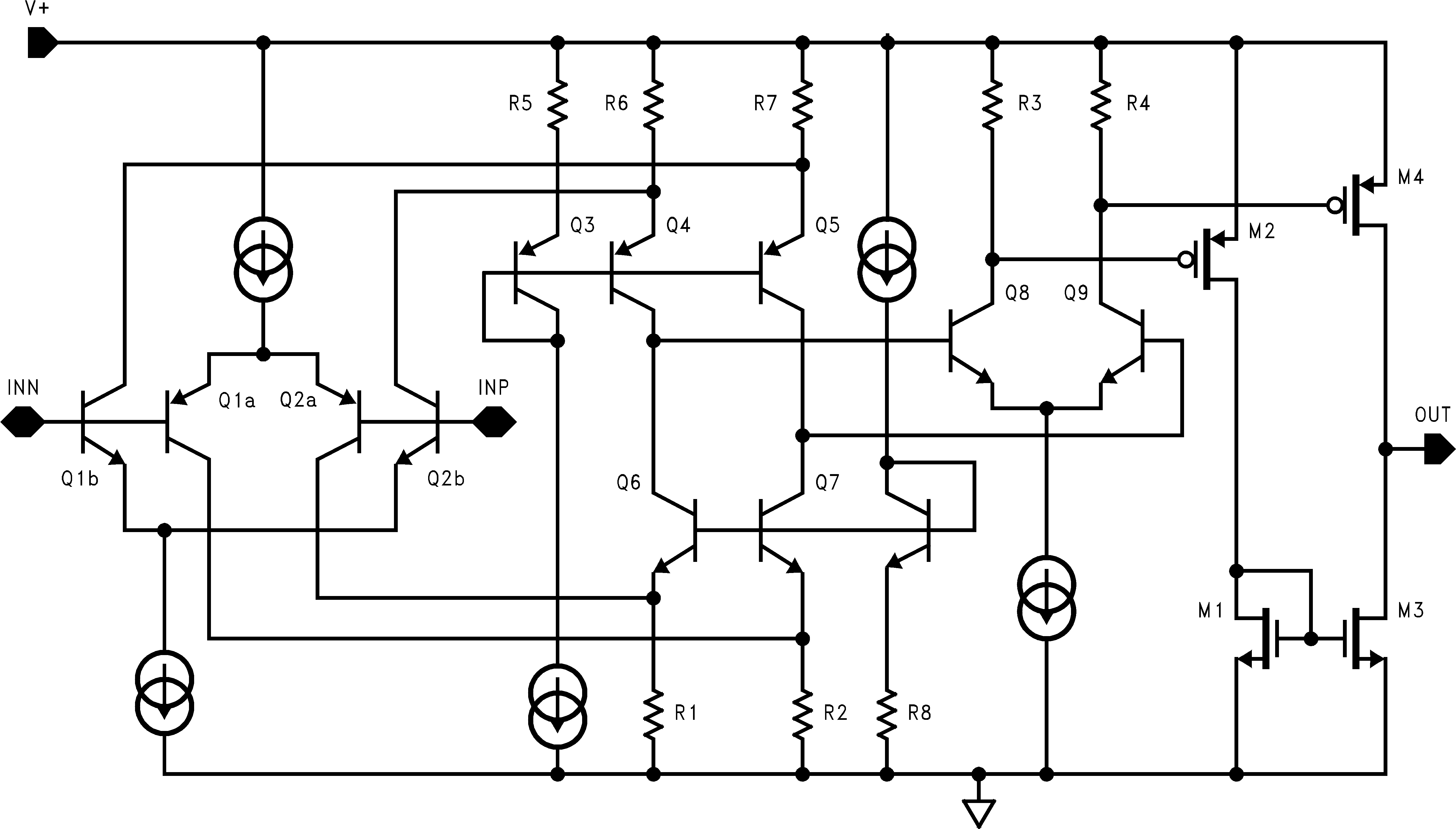
The LMV7239-Q1 is a ultra low power, low voltage, 75-ns comparator. It is ensured to operate over the full supply voltage range of 2.7 V to 5.5 V. This device achieves a 75-ns propagation delay while consuming only 65 µA of supply current at 5 V.

The LMV7239-Q1 has a greater than rail-to-rail common-mode voltage range. The input common mode voltage range extends 200 mV below ground and 200 mV above supply, allowing both ground and supply sensing.

The LMV7239-Q1 features a push-pull output stage. This feature allows operation without the need of an external pullup resistor.

The LMV7239-Q1 is available in the 5-pin SC70 and 5-pin SOT-23 packages, which are ideal for systems where small size and low power is critical.

The LMV7239-Q1 is a ultra low power, low voltage, 75-ns comparator. It is ensured to operate over the full supply voltage range of 2.7 V to 5.5 V. This device achieves a 75-ns propagation delay while consuming only 65 µA of supply current at 5 V.

The LMV7239-Q1 has a greater than rail-to-rail common-mode voltage range. The input common mode voltage range extends 200 mV below ground and 200 mV above supply, allowing both ground and supply sensing.

The LMV7239-Q1 features a push-pull output stage. This feature allows operation without the need of an external pullup resistor.

The LMV7239-Q1 is available in the 5-pin SC70 and 5-pin SOT-23 packages, which are ideal for systems where small size and low power is critical.

Subscribe to Welllinkchips !
Your Name
* Email
Submit a request