0
CD74HC4094
  • CD74HC4094
  • CD74HC4094
  • CD74HC4094
  • CD74HC4094
  • CD74HC4094
  • CD74HC4094
  • CD74HC4094

CD74HC4094

ACTIVE

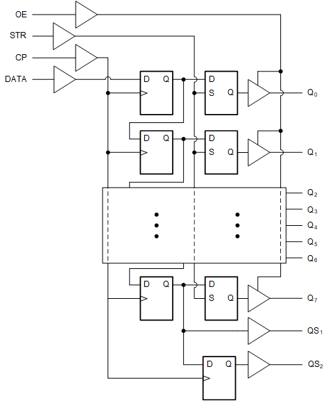
High speed CMOS Logic 8-stage shift-and-store bus register with 3-stage outputs

Texas Instruments CD74HC4094 Product Info

1 April 2026 3

Parameters

Configuration

Serial-in, Parallel-out

Bits (#)

8

Technology family

HC

Supply voltage (min) (V)

2

Supply voltage (max) (V)

6

Input type

Standard CMOS

Output type

3-State

Clock frequency (MHz)

24

IOL (max) (mA)

5.2

IOH (max) (mA)

-5.2

Supply current (max) (µA)

160

Features

Balanced outputs, High speed (tpd 10-50ns), Output register, Positive input clamp diode

Operating temperature range (°C)

-55 to 125

Rating

Catalog

Package

PDIP (N)-16-181.42 mm² 19.3 x 9.4

Features

CD74HC4094

Description

CD74HC4094:High speed CMOS Logic 8-stage shift-and-store bus register with 3-stage outputs.Package:PDIP (N)-16-181.42 mm² 19.3 x 9.4

Subscribe to Welllinkchips !
Your Name
* Email
Submit a request