0
TPS54361
  • TPS54361
  • TPS54361

TPS54361

ACTIVE

4.5 to 60V Input 3.5A Step-Down DC-DC Converter With Soft-Start and Eco-mode™

Texas Instruments TPS54361 Product Info

1 April 2026 0

Parameters

Rating

Catalog

Topology

Buck

Iout (max) (A)

3.5

Vin (max) (V)

60

Vin (min) (V)

4.5

Vout (max) (V)

59

Vout (min) (V)

0.8

Features

Enable, Frequency synchronization, Light Load Efficiency, Over Current Protection, Power good, Tracking, UVLO adjustable

Control mode

current mode

Operating temperature range (°C)

-40 to 85

Iq (typ) (A)

0.000152

Duty cycle (max) (%)

98

Package

WSON (DPR)-10-16 mm² 4 x 4

Features

  • High Efficiency at Light Loads With Pulse-Skipping Eco-Mode™
  • 89-mΩ High-Side MOSFET
  • 152-µA Operating Quiescent Current and 2-µA Shutdown Current
  • 100-kHz to 2.5-MHz Adjustable Switching Frequency
  • Synchronizes to External Clock
  • Low Dropout at Light Loads With Integrated BOOT Recharge FET
  • Adjustable UVLO Voltage and Hysteresis
  • UV and OV Power Good Output
  • Adjustable Soft Start and Sequencing
  • 0.8-V 1% Internal Voltage Reference
  • 10-Pin WSON With Thermal Pad Package
  • –40°C to 150°C TJ Operating Range
  • Create a Custom Design using the TPS54361 with the WEBENCH® Power Designer
  • High Efficiency at Light Loads With Pulse-Skipping Eco-Mode™
  • 89-mΩ High-Side MOSFET
  • 152-µA Operating Quiescent Current and 2-µA Shutdown Current
  • 100-kHz to 2.5-MHz Adjustable Switching Frequency
  • Synchronizes to External Clock
  • Low Dropout at Light Loads With Integrated BOOT Recharge FET
  • Adjustable UVLO Voltage and Hysteresis
  • UV and OV Power Good Output
  • Adjustable Soft Start and Sequencing
  • 0.8-V 1% Internal Voltage Reference
  • 10-Pin WSON With Thermal Pad Package
  • –40°C to 150°C TJ Operating Range
  • Create a Custom Design using the TPS54361 with the WEBENCH® Power Designer

Description

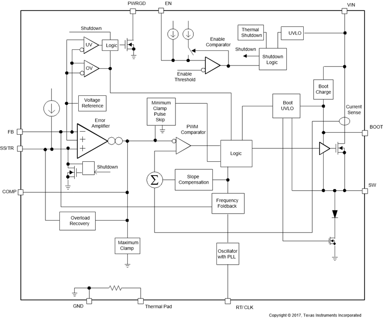
The TPS54361 device is a 60-V, 3.5-A, step-down regulator with an integrated high-side MOSFET. The device survives load dump pulses up to 65 V per ISO 7637. Current-mode control provides simple external compensation and flexible component selection. A low-ripple pulse-skip mode reduces the no-load supply current to 152 µA. Shutdown supply current is reduced to 2 µA when the enable pin is pulled low.

Undervoltage lockout is internally set at 4.3 V but can increase using an external resistor-divider at the enable pin. The output voltage startup ramp is controlled by the soft-start pin that can also be configured for sequencing and tracking. An open-drain power-good signal indicates the output is within 93% to 106% of the nominal voltage.

A wide adjustable switching frequency range allows for optimization of either efficiency or external component size. Cycle-by-cycle current limit, frequency foldback, and thermal shutdown protects internal and external components during an overload condition.

The TPS54361 device is available in a 10-pin 4-mm × 4-mm WSON package.

The TPS54361 device is a 60-V, 3.5-A, step-down regulator with an integrated high-side MOSFET. The device survives load dump pulses up to 65 V per ISO 7637. Current-mode control provides simple external compensation and flexible component selection. A low-ripple pulse-skip mode reduces the no-load supply current to 152 µA. Shutdown supply current is reduced to 2 µA when the enable pin is pulled low.

Undervoltage lockout is internally set at 4.3 V but can increase using an external resistor-divider at the enable pin. The output voltage startup ramp is controlled by the soft-start pin that can also be configured for sequencing and tracking. An open-drain power-good signal indicates the output is within 93% to 106% of the nominal voltage.

A wide adjustable switching frequency range allows for optimization of either efficiency or external component size. Cycle-by-cycle current limit, frequency foldback, and thermal shutdown protects internal and external components during an overload condition.

The TPS54361 device is available in a 10-pin 4-mm × 4-mm WSON package.

Subscribe to Welllinkchips !
Your Name
* Email
Submit a request