0
CD74HC4067-Q1
  • CD74HC4067-Q1
  • CD74HC4067-Q1

CD74HC4067-Q1

ACTIVE

Automotive, 5V, 16:1, single channel analog multiplexer

Texas Instruments CD74HC4067-Q1 Product Info

1 April 2026 0

Parameters

Configuration

16:1

Number of channels

1

Power supply voltage - single (V)

1.8, 2.5, 3.3, 5

Protocols

Analog

Ron (typ) (Ω)

60

CON (typ) (pF)

50

ON-state leakage current (max) (µA)

8

Bandwidth (MHz)

89

Operating temperature range (°C)

-55 to 125

Features

Break-before-make

Input/output continuous current (max) (A)

0.025

Rating

Automotive

Drain supply voltage (max) (V)

6

Supply voltage (max) (V)

6

Package

TSSOP (PW)-24-49.92 mm² 7.8 x 6.4

Features

  • Qualified for automotive applications
  • AEC-Q100 test guidance with the following results:
    • Device temperature grade 1: –40°C to 125°C ambient operating temperature range
    • Device HBM ESD Classification Level H1A
    • Device CDM ESD Classification Level C2
  • Wide analog input voltage range
  • Low ON resistance
    • 70Ω typical (VCC = 4.5V)
  • Fast switching and propagation speeds
  • Break-before-make switching
    • 6ns typical (VCC = 4.5V)
  • Fanout (over temperature range)
    • Standard outputs: 10 LSTTL loads
    • Bus driver outputs: 15 LSTTL loads
  • Balanced propagation delay and transition times
  • Significant power reduction compared to LSTTL logic ICs
  • 4.5V to 5.5V operation
  • Direct LSTTL input logic compatibility: VIL = 0.8V maximum, VIH = 2V minimum
  • CMOS input compatibility: II ≤ 1µA at VOL, VOH
  • Qualified for automotive applications
  • AEC-Q100 test guidance with the following results:
    • Device temperature grade 1: –40°C to 125°C ambient operating temperature range
    • Device HBM ESD Classification Level H1A
    • Device CDM ESD Classification Level C2
  • Wide analog input voltage range
  • Low ON resistance
    • 70Ω typical (VCC = 4.5V)
  • Fast switching and propagation speeds
  • Break-before-make switching
    • 6ns typical (VCC = 4.5V)
  • Fanout (over temperature range)
    • Standard outputs: 10 LSTTL loads
    • Bus driver outputs: 15 LSTTL loads
  • Balanced propagation delay and transition times
  • Significant power reduction compared to LSTTL logic ICs
  • 4.5V to 5.5V operation
  • Direct LSTTL input logic compatibility: VIL = 0.8V maximum, VIH = 2V minimum
  • CMOS input compatibility: II ≤ 1µA at VOL, VOH

Description

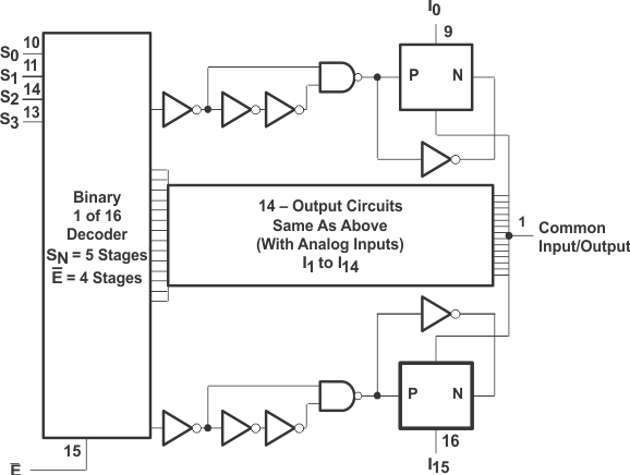
The CD74HCx4067-Q1 device is a digitally controlled analog switch that utilizes silicon-gate CMOS technology to achieve operating speeds similar to LSTTL, with the low power consumption of standard CMOS integrated circuits.

This analog multiplexer and demultiplexer controls analog voltages that may vary across the voltage supply range. It is a bidirectional switch, thus allowing any analog input to be used as an output and vice-versa. The switch has low (on) resistance and low (off) leakages. In addition, the device has an enable control that, when high, disables all switches to their off state.

The CD74HCx4067-Q1 device is a digitally controlled analog switch that utilizes silicon-gate CMOS technology to achieve operating speeds similar to LSTTL, with the low power consumption of standard CMOS integrated circuits.

This analog multiplexer and demultiplexer controls analog voltages that may vary across the voltage supply range. It is a bidirectional switch, thus allowing any analog input to be used as an output and vice-versa. The switch has low (on) resistance and low (off) leakages. In addition, the device has an enable control that, when high, disables all switches to their off state.

Subscribe to Welllinkchips !
Your Name
* Email
Submit a request