0
CD74HC4051-Q1
  • CD74HC4051-Q1
  • CD74HC4051-Q1
  • CD74HC4051-Q1

CD74HC4051-Q1

ACTIVE

Automotive 5V, 8:1, 1-channel analog multiplexer

Texas Instruments CD74HC4051-Q1 Product Info

1 April 2026 1

Parameters

Configuration

8:1

Number of channels

1

Power supply voltage - single (V)

1.8, 2.5, 3.3, 5

Power supply voltage - dual (V)

+/-2.5, +/-5

Protocols

Analog

Ron (typ) (Ω)

40

CON (typ) (pF)

25

ON-state leakage current (max) (µA)

2

Supply current (typ) (µA)

16

Bandwidth (MHz)

180

Operating temperature range (°C)

-40 to 125

Features

Break-before-make

Input/output continuous current (max) (A)

0.025

Rating

Automotive

Drain supply voltage (max) (V)

6

Supply voltage (max) (V)

10

Negative rail supply voltage (max) (V)

0

Package

SOIC (D)-16-59.4 mm² 9.9 x 6

Features

  • Qualified for automotive applications
  • Wide analog input voltage range of ± 5V maximum
  • Low ON resistance:
    • 70Ω typical (V CC − V EE = 4.5V)
    • 40Ω typical (V CC − V EE = 9V)
  • Low crosstalk between switches
  • Fast switching and propagation speeds
  • Break-before-make switching
  • Operation control voltage = 2V to 6V
  • Switch voltage = 0V to 10V
  • High noise immunity N IL = 30%, N IH = 30% of V CC , V CC = 5V
  • Qualified for automotive applications
  • Wide analog input voltage range of ± 5V maximum
  • Low ON resistance:
    • 70Ω typical (V CC − V EE = 4.5V)
    • 40Ω typical (V CC − V EE = 9V)
  • Low crosstalk between switches
  • Fast switching and propagation speeds
  • Break-before-make switching
  • Operation control voltage = 2V to 6V
  • Switch voltage = 0V to 10V
  • High noise immunity N IL = 30%, N IH = 30% of V CC , V CC = 5V

Description

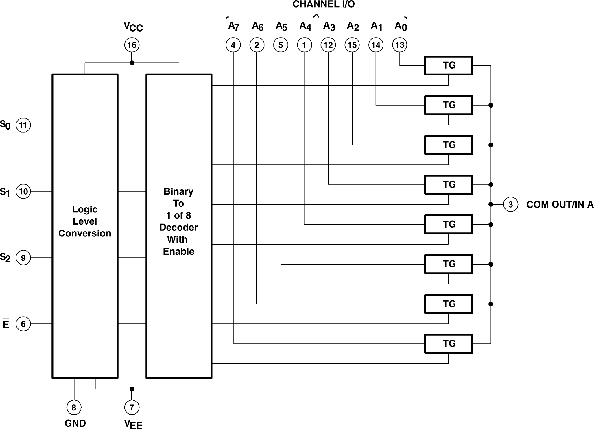
This device is a digitally controlled analog switch that utilizes silicon-gate CMOS technology to achieve operating speeds similar to LSTTL, with the low power consumption of standard CMOS integrated circuits.

This analog multiplexer/demultiplexer controls analog voltages that may vary across the voltage supply range (for example, VCC to VEE). These bidirectional switches allow any analog input to be used as an output and vice versa. The switches have low ON resistance and low OFF leakages. In addition, the device has an enable control (E) that, when high, disables all switches to their OFF state.

This device is a digitally controlled analog switch that utilizes silicon-gate CMOS technology to achieve operating speeds similar to LSTTL, with the low power consumption of standard CMOS integrated circuits.

This analog multiplexer/demultiplexer controls analog voltages that may vary across the voltage supply range (for example, VCC to VEE). These bidirectional switches allow any analog input to be used as an output and vice versa. The switches have low ON resistance and low OFF leakages. In addition, the device has an enable control (E) that, when high, disables all switches to their OFF state.

Subscribe to Welllinkchips !
Your Name
* Email
Submit a request