0
LMR51606
  • LMR51606
  • LMR51606

LMR51606

ACTIVE

SIMPLE SWITCHER® power converter with 4.5V-to-65V 0.6A synchronous buck and 25µA quiescent current

Texas Instruments LMR51606 Product Info

1 April 2026 1

Parameters

Rating

Catalog

Topology

Buck

Iout (max) (A)

0.6

Vin (max) (V)

65

Vin (min) (V)

4.5

Vout (max) (V)

28

Vout (min) (V)

0.8

Features

Enable, Forced PWM, Over Current Protection, Pre-Bias Start-Up, Synchronous Rectification

Control mode

current mode

Operating temperature range (°C)

-40 to 150

Iq (typ) (A)

0.000025

TI functional safety category

Functional Safety-Capable

Package

SOT-23 (DBV)-6-8.12 mm² 2.9 x 2.8

Features

  • Functional Safety-Capable
  • Configured for rugged industrial applications
    • 4-V to 65-V input voltage range
    • Input transient protection up to 70-V
    • 0.6-A/1-A continuous output current
    • 80-ns minimum switching on time
    • Fixed 400-kHz and 1.1-MHz switching frequency
    • –40°C to 150°C junction temperature range
    • 98% maximum duty cycle
    • Monotonic start-up with pre-biased output
    • Short-circuit protection with hiccup mode
    • Precision enable
    • ±1.5% tolerance voltage reference
  • Small design size and ease of use
    • Integrated synchronous rectification
    • Internal compensation for ease of use
    • SOT-23 package
  • Various options in pin-to-pin compatible package
    • PFM and forced PWM (FPWM) options
  • Pin-to-pin compatible with the LMR16006, LV2862, LMR50410, TPS560430, LMR54406, and LMR54410
  • Create a custom design using the LMR516xx with the WEBENCH® Power Designer
  • Functional Safety-Capable
  • Configured for rugged industrial applications
    • 4-V to 65-V input voltage range
    • Input transient protection up to 70-V
    • 0.6-A/1-A continuous output current
    • 80-ns minimum switching on time
    • Fixed 400-kHz and 1.1-MHz switching frequency
    • –40°C to 150°C junction temperature range
    • 98% maximum duty cycle
    • Monotonic start-up with pre-biased output
    • Short-circuit protection with hiccup mode
    • Precision enable
    • ±1.5% tolerance voltage reference
  • Small design size and ease of use
    • Integrated synchronous rectification
    • Internal compensation for ease of use
    • SOT-23 package
  • Various options in pin-to-pin compatible package
    • PFM and forced PWM (FPWM) options
  • Pin-to-pin compatible with the LMR16006, LV2862, LMR50410, TPS560430, LMR54406, and LMR54410
  • Create a custom design using the LMR516xx with the WEBENCH® Power Designer

Description

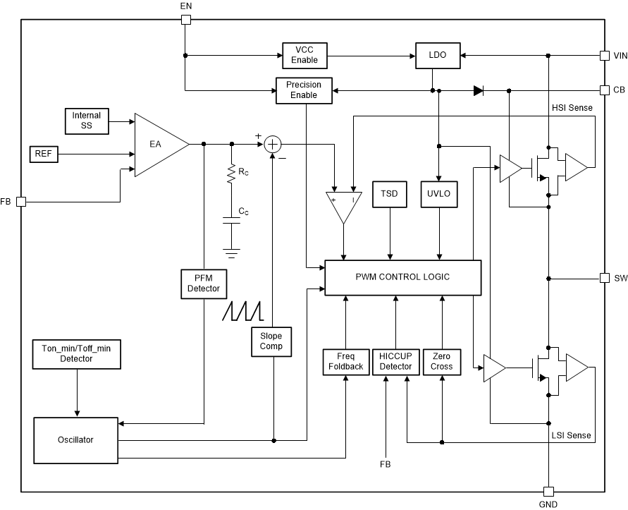
The LMR516xx is a wide-V IN, easy-to-use synchronous buck converter capable of driving up to 0.6-A and 1-A load current. With a wide input range of 4 V to 65 V, the device is designed for a wide range of industrial applications for power conditioning from an unregulated source.

The LMR516xx operates at 400-kHz and 1.1-MHz switching frequency to support use of relatively small inductors for an optimized design size. The LMR516xx has a PFM version to realize high efficiency at light load and a FPWM version to achieve constant frequency and small output voltage ripple over the full load range. Soft-start and compensation circuits are implemented internally, which allow the device to be used with minimal external components.

The device has built-in protection features, such as cycle-by-cycle current limit, hiccup mode short-circuit protection, and thermal shutdown in case of excessive power dissipation.

The LMR516xx is a wide-V IN, easy-to-use synchronous buck converter capable of driving up to 0.6-A and 1-A load current. With a wide input range of 4 V to 65 V, the device is designed for a wide range of industrial applications for power conditioning from an unregulated source.

The LMR516xx operates at 400-kHz and 1.1-MHz switching frequency to support use of relatively small inductors for an optimized design size. The LMR516xx has a PFM version to realize high efficiency at light load and a FPWM version to achieve constant frequency and small output voltage ripple over the full load range. Soft-start and compensation circuits are implemented internally, which allow the device to be used with minimal external components.

The device has built-in protection features, such as cycle-by-cycle current limit, hiccup mode short-circuit protection, and thermal shutdown in case of excessive power dissipation.

Subscribe to Welllinkchips !
Your Name
* Email
Submit a request