0
AFE7950-SP
  • AFE7950-SP
  • AFE7950-SP

AFE7950-SP

ACTIVE

Radiation-hardness-assured (RHA) 4-transmit 6-receive RF-sampling transceiver up to 12GHz

Texas Instruments AFE7950-SP Product Info

1 April 2026 0

Parameters

Applications

Avionics & Defense, Space

Number of TXs and RXs

4 TX, 6 RX

RF frequency (max) (MHz)

12000

RF frequency (min) (MHz)

600

Number of DUCs per TX

2

Number of DDCs per RX

2

Operating temperature range (°C)

-45 to 105

Rating

Catalog, Space

Package

FCBGA (ALK)-400-289 mm² 17 x 17

Features

  • Request full data sheet
  • Radiation hardness assured AFE7950-SP:
    • Single-event latch up (SEL): 70MeV-cm2/mg
    • RLAT Total ionizing dose (TID): 100krad (Si)
  • Radiation tolerant AFE7950-SEP:
    • Single-event latch up (SEL): 43MeV-cm2/mg
    • RLAT Total ionizing dose (TID): 30krad (Si)
  • Four RF sampling 12GSPS TX DACs
  • Six RF sampling 3GSPS RX ADCs
  • Maximum RF signal bandwidth: 1200MHz (or 2400MHz for 2TX)
  • RF frequency range:
    • TX: 600MHz to 12GHz
    • RX: 5MHz to 12GHz
  • Digital Step Attenuators (DSA):
    • TX: 40dB range, 0.125dB steps
    • RX or FB: 25dB range, 0.5dB steps
  • Single or dual-band DUC or DDCs for TX and RX
  • SerDes data interface:
    • 8 SerDes transceivers up to 24.75Gbps
    • JESD204B/C subclass 1 compatible
  • Package: 17mm × 17mm FCBGA, 0.8mm pitch
  • Screening:
    • One fabrication, assembly, and test site
    • Product traceability
    • Extended product life cycle
    • Extended product change notification
    • Vendor item drawing
    • Radiation lot acceptance Test (RLAT) (AFE7950-Sx only)
    • Meets ASTM E595 out gassing specification (AFE7950-Sx only)
    • Production burn-in (AFE7950-SP only)
  • Request full data sheet
  • Radiation hardness assured AFE7950-SP:
    • Single-event latch up (SEL): 70MeV-cm2/mg
    • RLAT Total ionizing dose (TID): 100krad (Si)
  • Radiation tolerant AFE7950-SEP:
    • Single-event latch up (SEL): 43MeV-cm2/mg
    • RLAT Total ionizing dose (TID): 30krad (Si)
  • Four RF sampling 12GSPS TX DACs
  • Six RF sampling 3GSPS RX ADCs
  • Maximum RF signal bandwidth: 1200MHz (or 2400MHz for 2TX)
  • RF frequency range:
    • TX: 600MHz to 12GHz
    • RX: 5MHz to 12GHz
  • Digital Step Attenuators (DSA):
    • TX: 40dB range, 0.125dB steps
    • RX or FB: 25dB range, 0.5dB steps
  • Single or dual-band DUC or DDCs for TX and RX
  • SerDes data interface:
    • 8 SerDes transceivers up to 24.75Gbps
    • JESD204B/C subclass 1 compatible
  • Package: 17mm × 17mm FCBGA, 0.8mm pitch
  • Screening:
    • One fabrication, assembly, and test site
    • Product traceability
    • Extended product life cycle
    • Extended product change notification
    • Vendor item drawing
    • Radiation lot acceptance Test (RLAT) (AFE7950-Sx only)
    • Meets ASTM E595 out gassing specification (AFE7950-Sx only)
    • Production burn-in (AFE7950-SP only)

Description

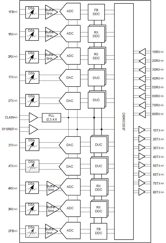
The AFE7950-x is a high performance, wide bandwidth multi-channel transceiver, integrating four RF sampling transmitter chains, four RF sampling receiver chains and two RF sampling feedback chains (six RF sampling ADCs total). With operation up to 12GHz, this device enables direct RF sampling in the L, S, C and X-band frequency ranges without the need for additional frequency conversions stages. This improvement in density and flexibility enables high-channel-count, multi-mission systems.

The TX signal paths support interpolation and digital up conversion options that deliver up to 1200MHz of signal bandwidth for four TX or 2400MHz for two TX. The output of the DUCs drives a 12GSPS DAC (digital to analog converter) with a mixed mode output option to enhance 2nd Nyquist operation. The DAC output includes a variable gain amplifier (TX DSA) with 40dB range and 1dB analog and 0.125dB digital steps.

Each receiver chain includes a 25dB range Digital Step Attenuator (DSA), followed by a 3GSPS ADC (analog-to-digital converter). Each receiver channel has an analog peak power detector and various digital power detectors to assist an external or internal autonomous automatic gain controller, and RF overload detectors for device reliability protection. Flexible decimation options provide optimization of data bandwidth up to 1200MHz for four RX without FB paths or 600MHz with two FB paths (1200MHz BW each).

The AFE7950-x is a high performance, wide bandwidth multi-channel transceiver, integrating four RF sampling transmitter chains, four RF sampling receiver chains and two RF sampling feedback chains (six RF sampling ADCs total). With operation up to 12GHz, this device enables direct RF sampling in the L, S, C and X-band frequency ranges without the need for additional frequency conversions stages. This improvement in density and flexibility enables high-channel-count, multi-mission systems.

The TX signal paths support interpolation and digital up conversion options that deliver up to 1200MHz of signal bandwidth for four TX or 2400MHz for two TX. The output of the DUCs drives a 12GSPS DAC (digital to analog converter) with a mixed mode output option to enhance 2nd Nyquist operation. The DAC output includes a variable gain amplifier (TX DSA) with 40dB range and 1dB analog and 0.125dB digital steps.

Each receiver chain includes a 25dB range Digital Step Attenuator (DSA), followed by a 3GSPS ADC (analog-to-digital converter). Each receiver channel has an analog peak power detector and various digital power detectors to assist an external or internal autonomous automatic gain controller, and RF overload detectors for device reliability protection. Flexible decimation options provide optimization of data bandwidth up to 1200MHz for four RX without FB paths or 600MHz with two FB paths (1200MHz BW each).

Subscribe to Welllinkchips !
Your Name
* Email
Submit a request